GM Service Manual Online
For 1990-2009 cars only
Figure 1:

Fuse Block - Underhood Bussing


Object Number: 1314164  Size: FS
Master Electrical Component List
Control Module References
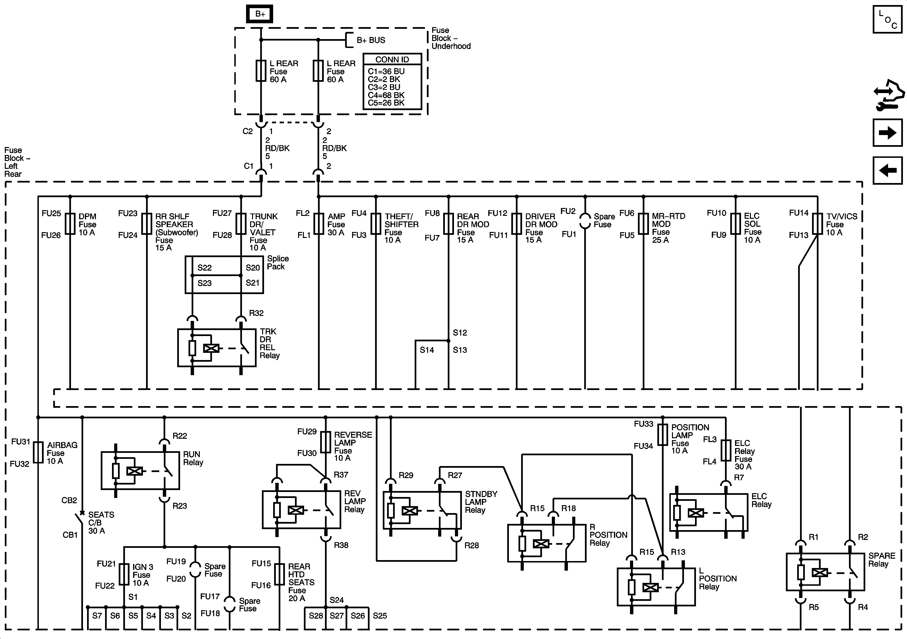
Fuse Block Left Rear Bussing
Figure 2:

Fuse Block - Left Rear Bussing


Object Number: 1349634  Size: FS
Master Electrical Component List
Control Module References
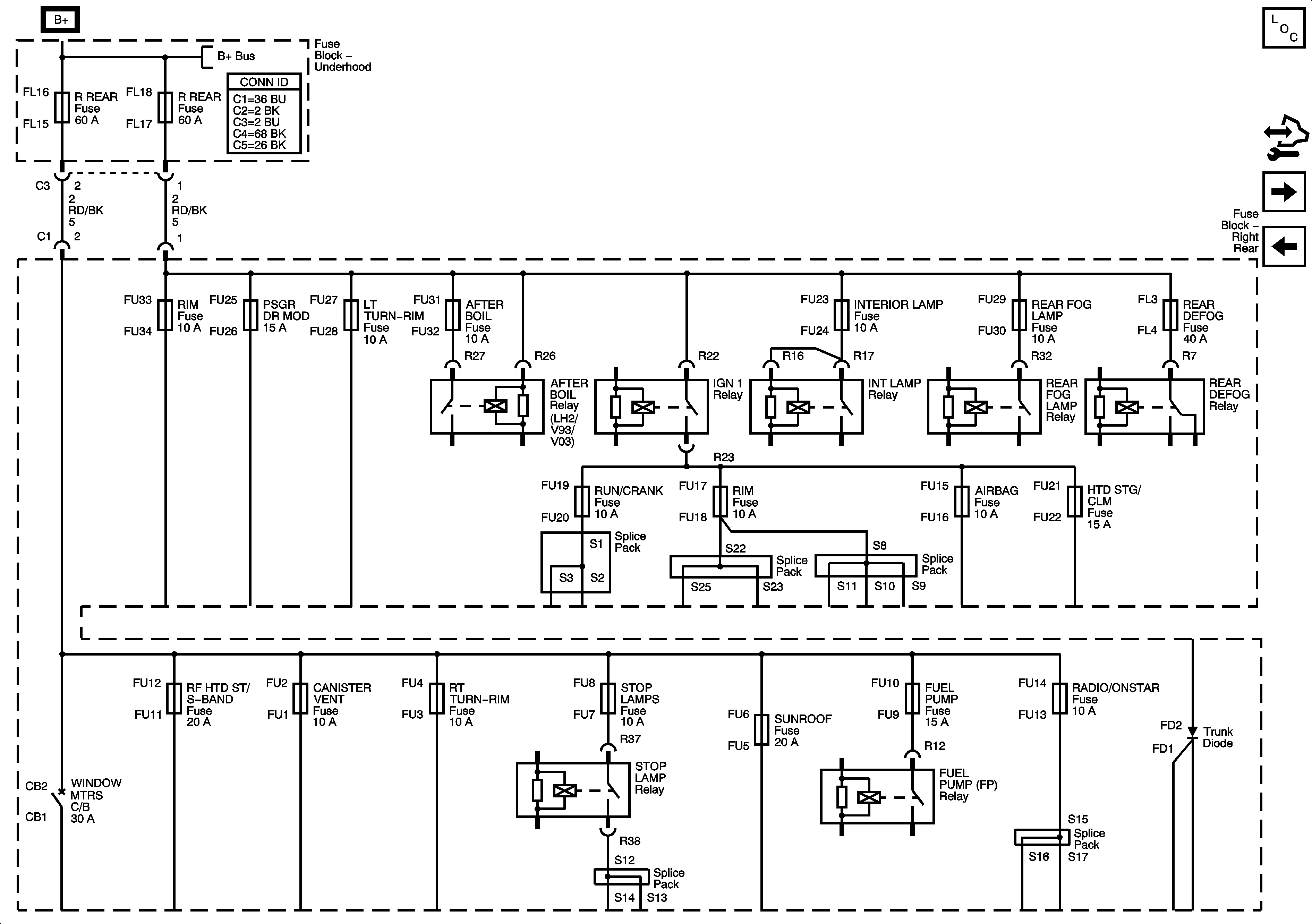
Fuse Block - Right Rear Bussing
Fuse Block Underhood Bussing
Fuse Block Underhood Bussing
Figure 3:

Fuse Block - Right Rear Bussing


Object Number: 1349636  Size: FS
Master Electrical Component List
Control Module References
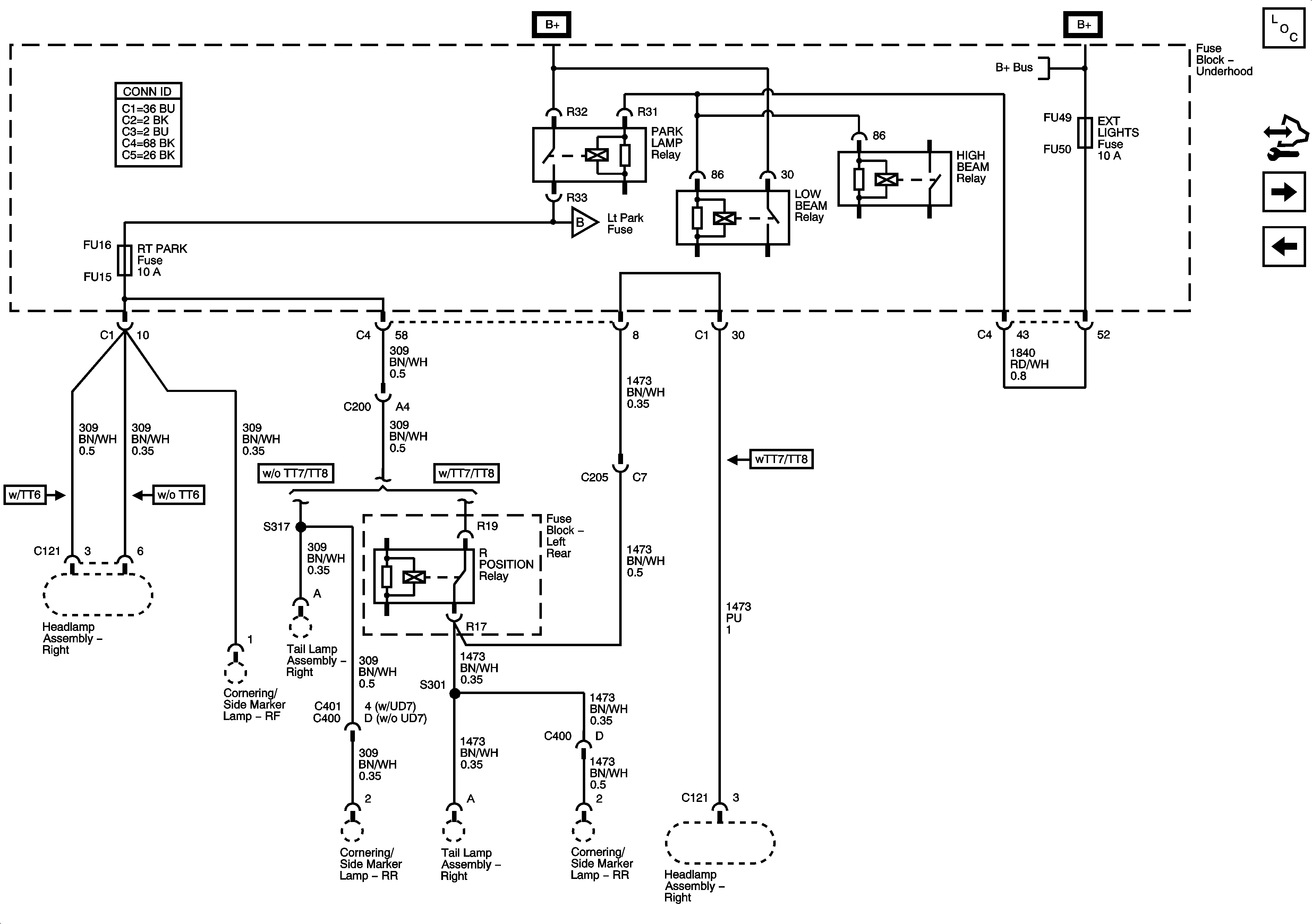
Fuse Block Underhood Relays/Fuses: Park Lamp Relay, RT Park Fuse, Tilt/LK/LMP/CLM Relay Coils Fuse
Fuse Block Left Rear Bussing
Fuse Block Underhood Bussing
Figure 4:

Fuse Block - Underhood Relay/Fuses: PARK LAMP RELAY, RT PARK FUSE, TILT/LK/LMP/CLM RELAY COILS FUSE


Object Number: 1349629  Size: FS
Master Electrical Component List
Control Module References
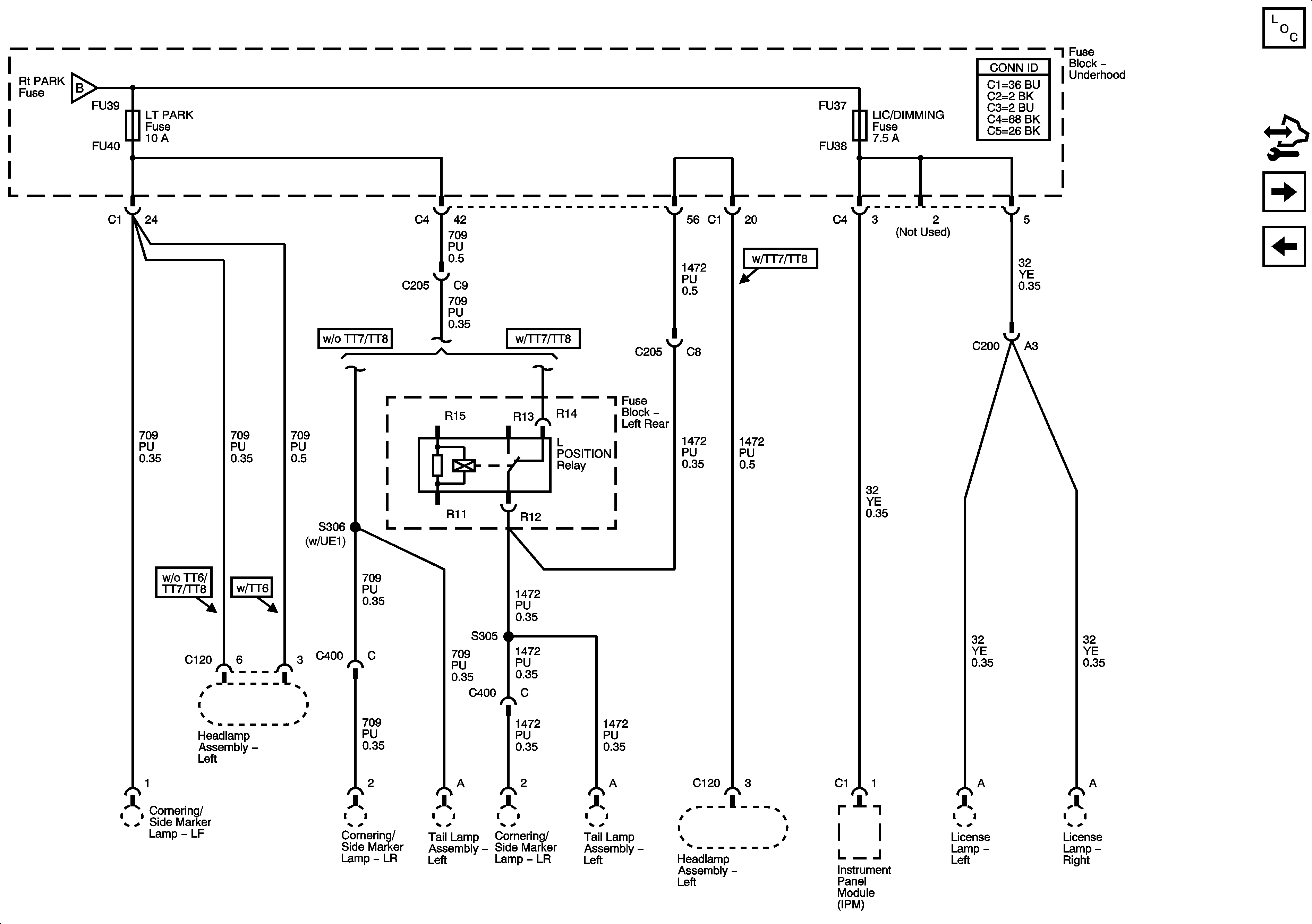
Fuse Block - Underhood Fuses: LT Park Fuse, License/Dimming Fuse
Fuse Block - Right Rear Bussing
Fuse Block - Underhood Fuses: LT Park Fuse, License/Dimming Fuse
Figure 5:

Fuse Block - Underhood Fuses: LT PARK FUSE, LICENSE/DIMMING FUSE


Object Number: 1378386  Size: FS
Master Electrical Component List
Control Module References
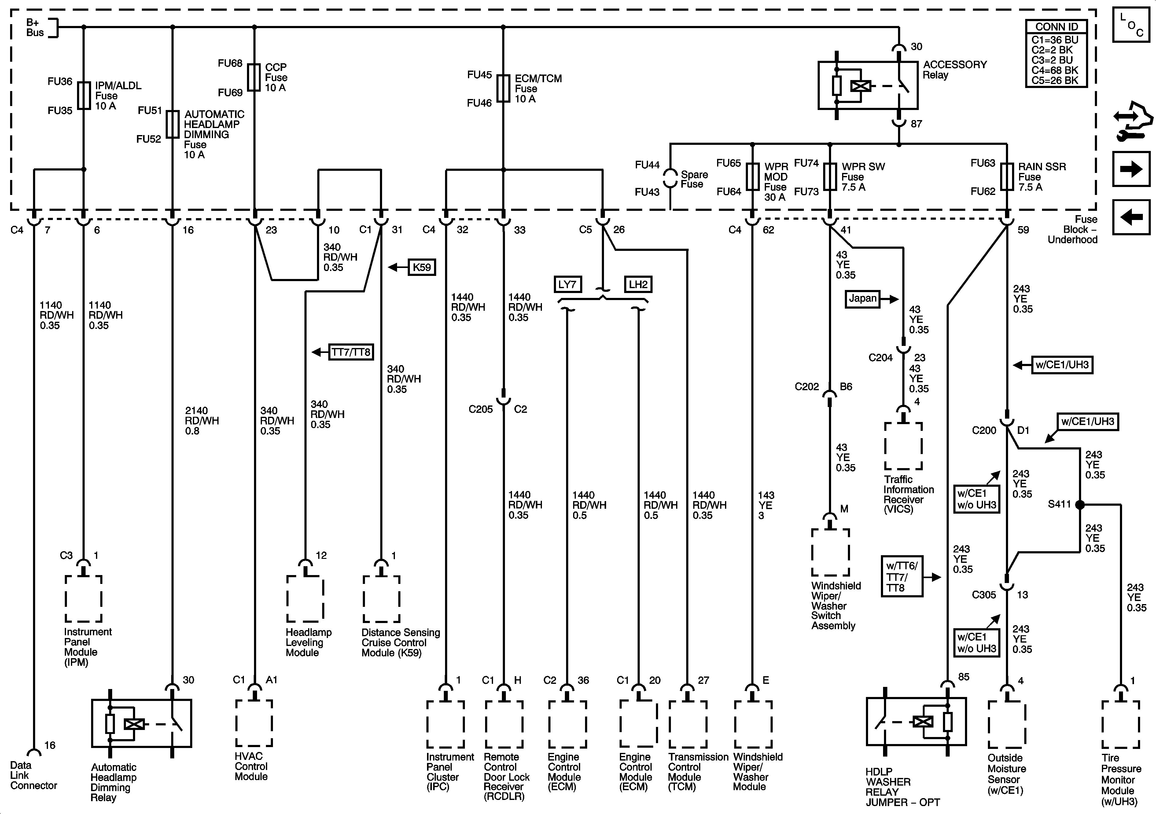
Fuse Block-Underhood Fuses/Relay: IPM/ALDL, Auto Headlamp Dimming, CCP, ECM/TCM, WPR MOD, WPR SW/VICS and Rain Sensor/HDLP Wash Fuses. Accessory Relay
Fuse Block Underhood Relays/Fuses: Park Lamp Relay, RT Park Fuse, Tilt/LK/LMP/CLM Relay Coils Fuse
Fuse Block Underhood Relays/Fuses: Park Lamp Relay, RT Park Fuse, Tilt/LK/LMP/CLM Relay Coils Fuse
Figure 6:

Fuse Block - Underhood Fuses/Relay: IPM/ALDL, SMART BEAM, CCP, ECM/TCM, WPR MOD, WPR SW/VICS and RAIN SENSOR/HDLP WASH FUSES, ACCESSORY RELAY


Object Number: 1349617  Size: FS
Master Electrical Component List
Control Module References
Fuse Block-Underhood: Starter IGN 1 Relays; Starter, Starter Relay, CCP, TCM/IPM/ECM, MAF, ABS and Washer Nozzle/ACC Fuses
Fuse Block - Underhood Fuses: LT Park Fuse, License/Dimming Fuse
Fuse Block Underhood Bussing
Figure 7:

Fuse Block - Underhood: STARTER, IGN 1 Relays, STARTER, STARTER RELAY, CCP, TCM/IPM/ECM, MAF, ABS and WASHER NOZZLE/ACC FUSES


Object Number: 1349621  Size: FS
Master Electrical Component List
Control Module References
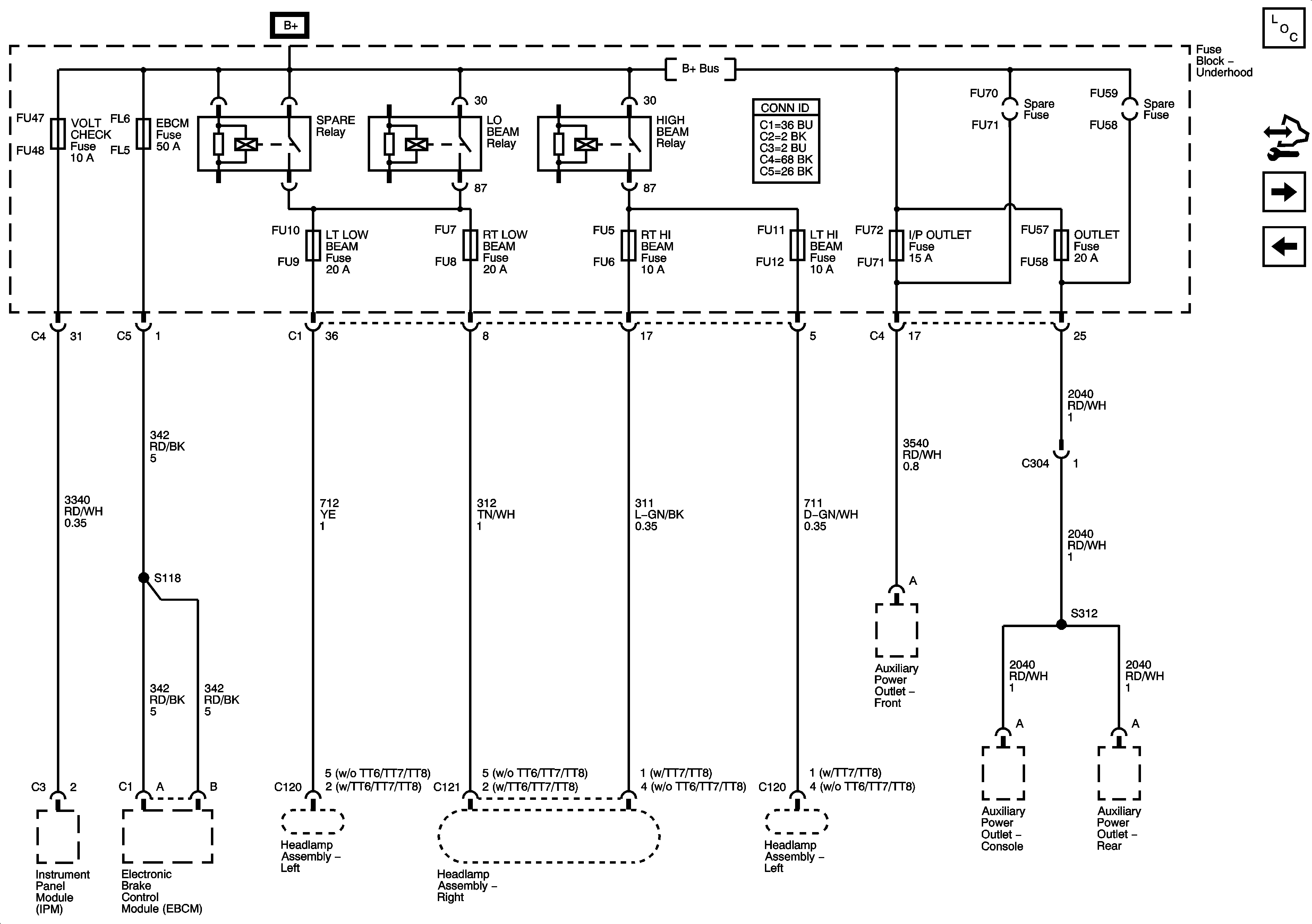
Fuse Block-Underhood: Low Beam, Hi Beam, Power Outlet and Spare Relays; Volt Check, EBCM, LT Lo Beam, RT Lo Beam, RT Hi Beam, LT Hi Beam, I/P Outlet and Outlet Fuses
Fuse Block-Underhood Fuses/Relay: IPM/ALDL, Auto Headlamp Dimming, CCP, ECM/TCM, WPR MOD, WPR SW/VICS and Rain Sensor/HDLP Wash Fuses. Accessory Relay
Fuse Block Underhood Bussing
Figure 8:

Fuse Block - Underhood: LO BM, HI BEAM, POWER OUTLET and SPARE RELAYS, VOLT CHECK, EBCM, LT LO BEAM, RT LO BM, RT HI BM, LT HI BM, I/P OUTLET AND OUTLET Fuses


Object Number: 1349631  Size: FS
Master Electrical Component List
Control Module References
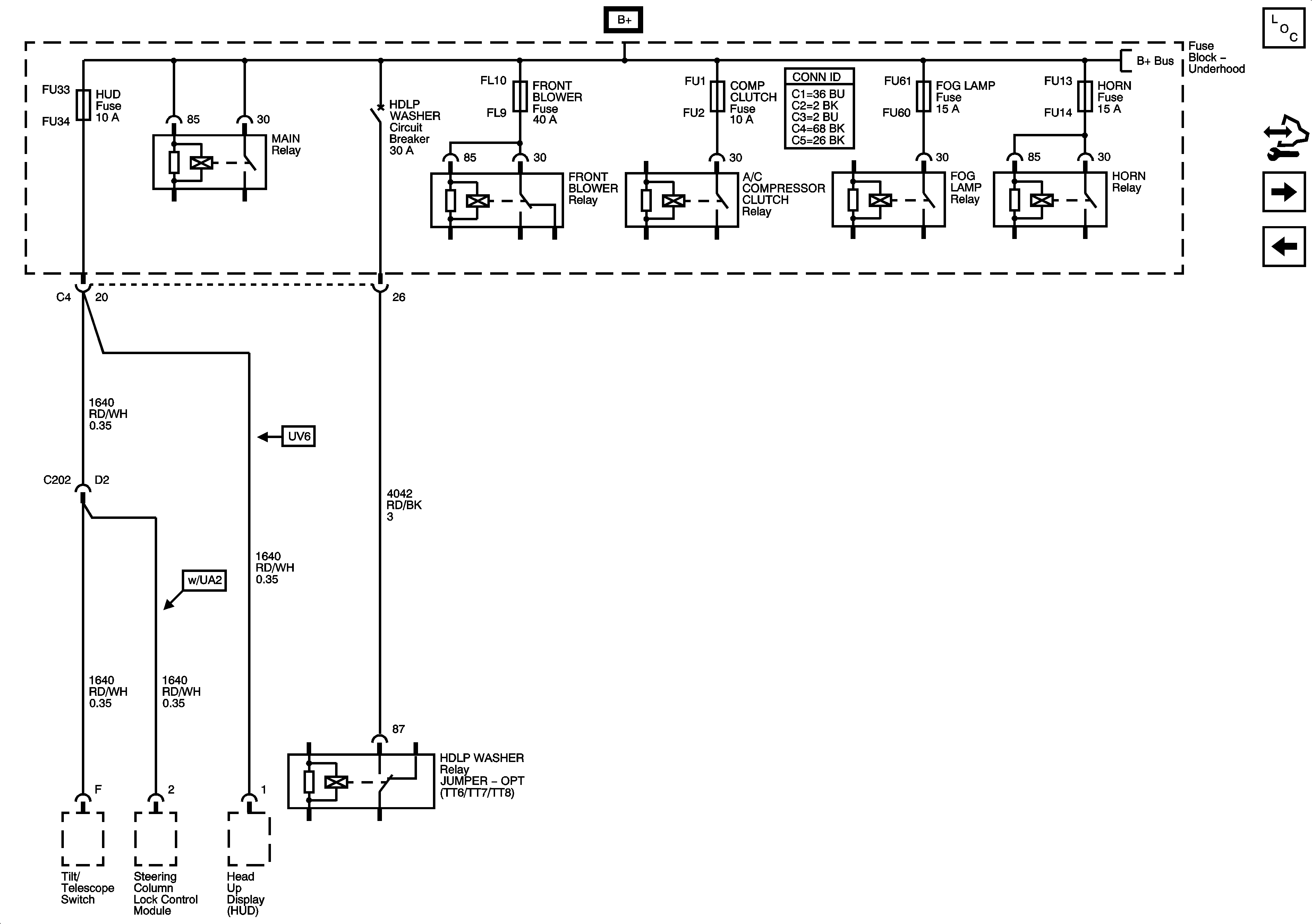
Fuse Block Underhood: HUD, Front Blower, Compressor Clutch, Fog Lamp and Horn Fuses; HDLP Washer Circuit Breaker and Main Relay
Fuse Block-Underhood: Starter IGN 1 Relays; Starter, Starter Relay, CCP, TCM/IPM/ECM, MAF, ABS and Washer Nozzle/ACC Fuses
Fuse Block Underhood Bussing
Figure 9:

Fuse Block - Underhood: HUD, FRONT BLOWER, COMP CLTCH, FOG LAMP, HORN Fuses, HDLP WASHER CIRCUIT BREAKER, MAIN RELAY


Object Number: 1349618  Size: FS
Master Electrical Component List
Control Module References
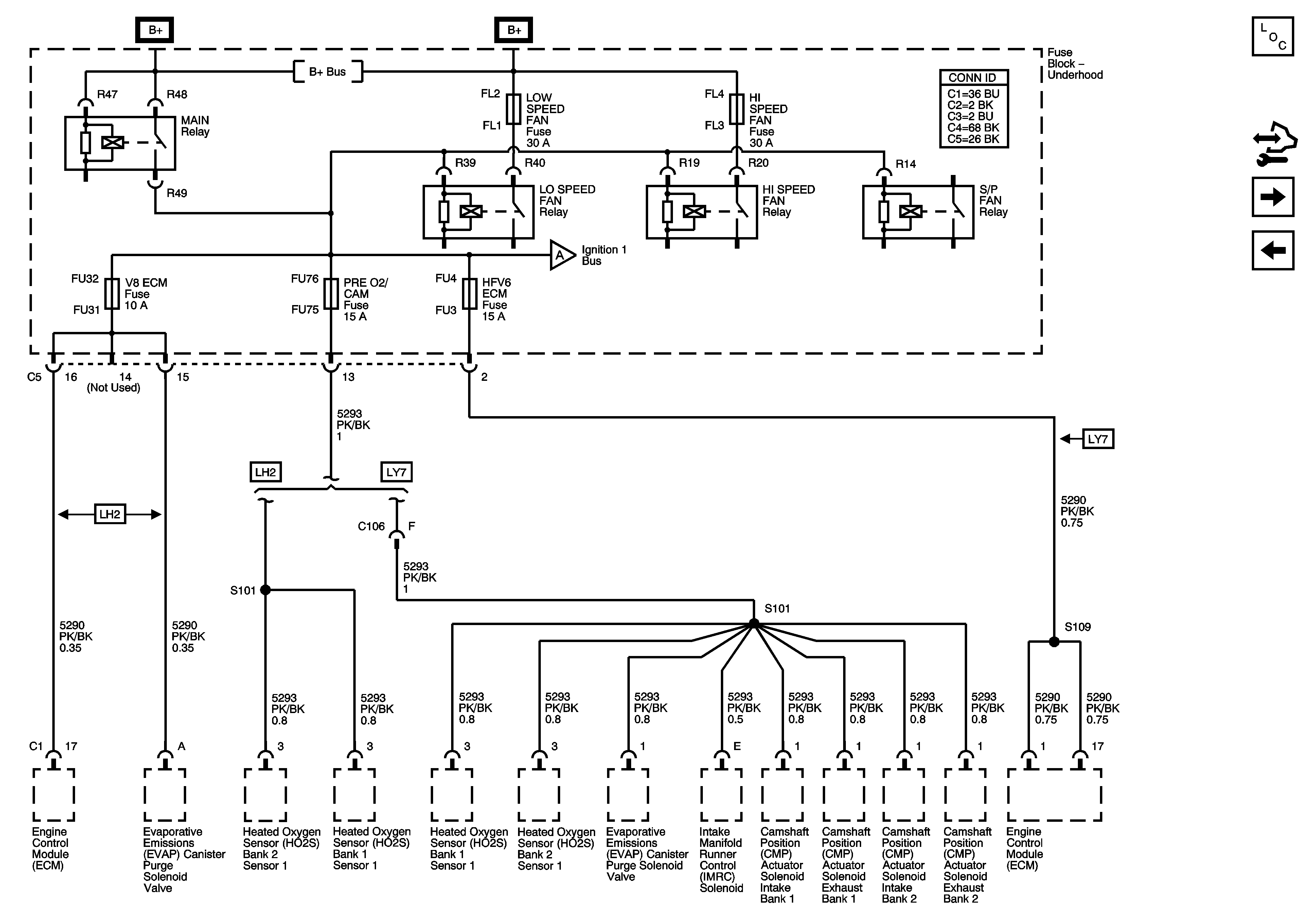
Fuse Block Underhood LO SPD FAN, HI SPD FAN, V8 ECM, PRE 02/CAM and HFV6 ECM Fuses; Main, LO SPD, HI SPD and S/P FAN Relays
Fuse Block-Underhood: Low Beam, Hi Beam, Power Outlet and Spare Relays; Volt Check, EBCM, LT Lo Beam, RT Lo Beam, RT Hi Beam, LT Hi Beam, I/P Outlet and Outlet Fuses
Fuse Block Underhood Bussing
Figure 10:

Fuse Block - Underhood: Main, Low Speed, HI Speed and S/P Fan Relays; V8 ECM, PRE O2/CAM, HFV6 ECM, Low Speed Fan and HI Speed Fan Fuses


Object Number: 1349624  Size: FS
Master Electrical Component List
Control Module References
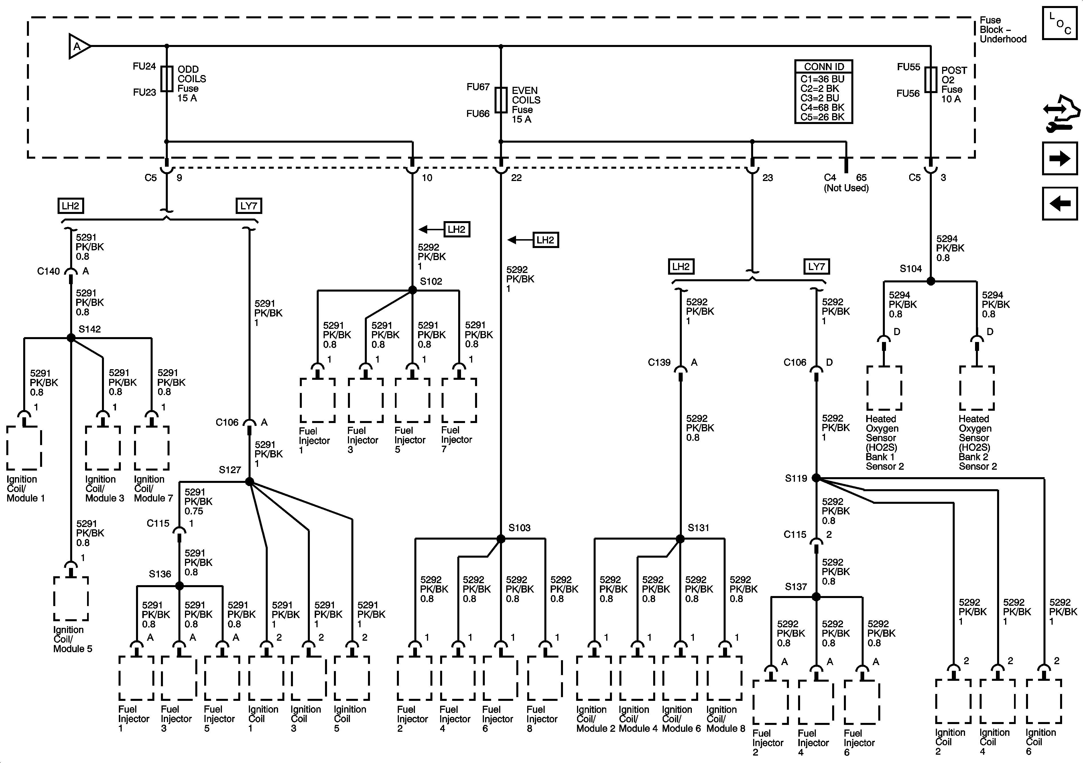
Fuse Block Underhood: Odd INJ/COILS, Even INJ/COILS and POST 02 Fuses
Fuse Block Underhood: HUD, Front Blower, Compressor Clutch, Fog Lamp and Horn Fuses; HDLP Washer Circuit Breaker and Main Relay
Fuse Block Underhood Bussing
Fuse Block Underhood: Odd INJ/COILS, Even INJ/COILS and POST 02 Fuses
Figure 11:

Fuse Block - Underhood: ODD INJ/COILS, EVEN INJ/COILS AND POST O2 FUSES


Object Number: 1349626  Size: FS
Master Electrical Component List
Control Module References
Fuse Block Left Rear: TV/VICS, ELC SOL, ESC Module, Driver Door Module, Rear Door Module, Theft/Shifter and AMP Fuses
Fuse Block Underhood LO SPD FAN, HI SPD FAN, V8 ECM, PRE 02/CAM and HFV6 ECM Fuses; Main, LO SPD, HI SPD and S/P FAN Relays
Fuse Block Underhood LO SPD FAN, HI SPD FAN, V8 ECM, PRE 02/CAM and HFV6 ECM Fuses; Main, LO SPD, HI SPD and S/P FAN Relays
Figure 12:

Fuse Block - Left Rear: TV/VICS, ELC SOL, ESC MODULE, DVR DR MODULE, REAR DOOR MODULE, THEFT/SHIFTER AND AMP FUSES


Object Number: 1349632  Size: FS
Master Electrical Component List
Control Module References
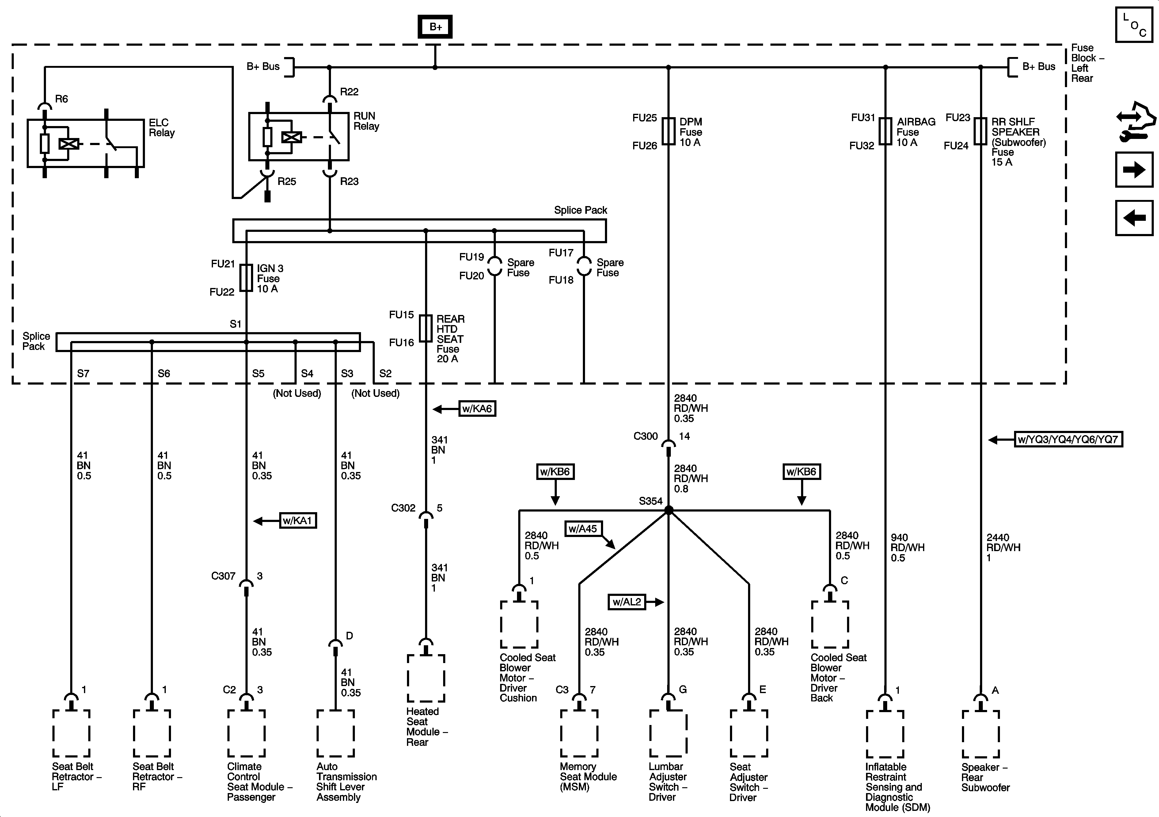
Fuse Block Left Rear: Seats Circuit Breaker
Fuse Block Underhood: Odd INJ/COILS, Even INJ/COILS and POST 02 Fuses
Fuse Block Left Rear Bussing
Figure 13:

Fuse Block - Left Rear: Seats Circuit Breaker


Object Number: 1405198  Size: FS
Master Electrical Component List
Control Module References
Fuse Block Left Rear: IGN 3 Relay; IGN 3, Rear Heated Seat, Memory, Airbag and Rear Shelf Speaker Fuses
Fuse Block Left Rear: TV/VICS, ELC SOL, ESC Module, Driver Door Module, Rear Door Module, Theft/Shifter and AMP Fuses
Fuse Block Left Rear Bussing
Figure 14:

Fuse Block - Left Rear: IGN 3 RELAY, IGN 3, REAR HEATED SEAT, MEMORY, AIRBAG and REAR SHELF SPEAKER FUSES


Object Number: 1349635  Size: FS
Master Electrical Component List
Control Module References
Fuse Block Right Rear: Radio/Onstar, RT Turn Signal, Canister Vent and RF Heated /Vented Seat Fuses; Window Motors Circuit Breaker
Fuse Block Left Rear: Seats Circuit Breaker
Fuse Block Left Rear Bussing
Fuse Block Left Rear Bussing
Figure 15:

Fuse Block - Right Rear: RADIO/ONSTAR, RT TURN SIGNAL, CANISTER VENT and RF HEATED/VENTED SEAT Fuses, WINDOW MOTORS CIRCUIT BREAKER


Object Number: 1349615  Size: FS
Master Electrical Component List
Control Module References
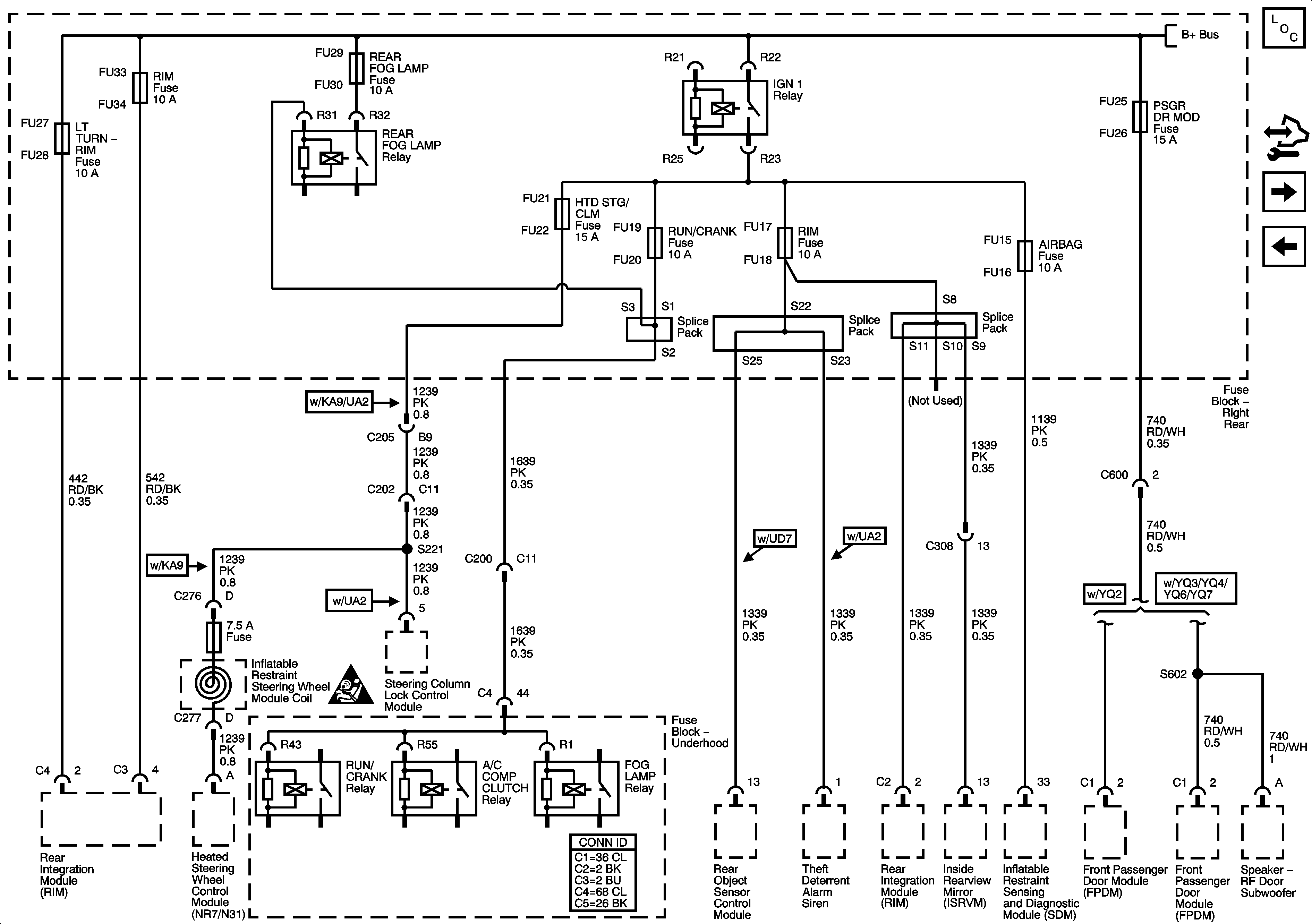
Fuse Block Right Rear: LT Turn Signal, RIM(1), Rear Fog Lamp, FT Passenger Door Module, Heated Steering Column, IGN 1, RIM(2) and Airbag Fuses; Rear Fog Lamp and IGN 1 Relays
Fuse Block Left Rear: IGN 3 Relay; IGN 3, Rear Heated Seat, Memory, Airbag and Rear Shelf Speaker Fuses
Fuse Block - Right Rear Bussing
Fuse Block - Right Rear Bussing
Figure 16:

Fuse Block - Right Rear: LT TURN SIGNAL, RIM(1), REAR FOG LAMP, FT PASS. DOOR MODULE, HTD STG CLM, IGN 1, RIM(2) AND AIRBAG FUSES, REAR FOG LAMP AND IGN 1 RELAYS


Object Number: 1349614  Size: FS
Master Electrical Component List
Control Module References
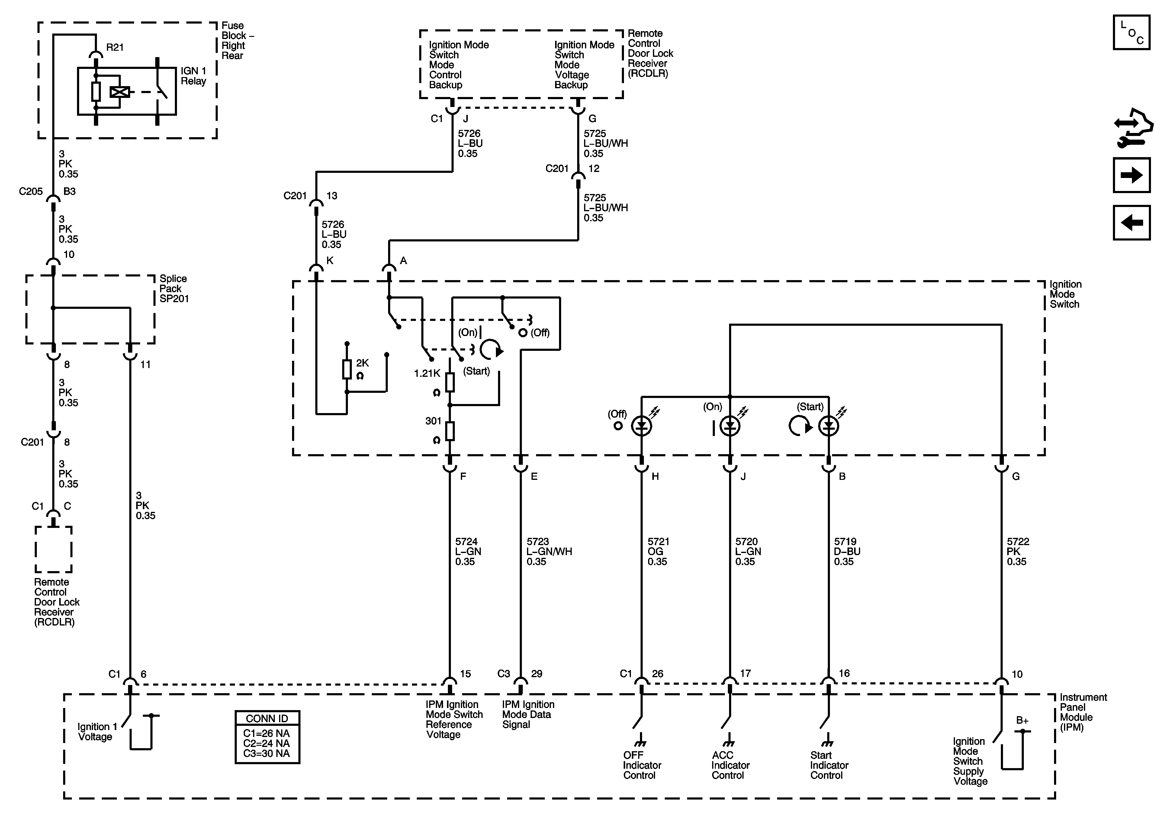
Ignition Mode Switch
Fuse Block Right Rear: Radio/Onstar, RT Turn Signal, Canister Vent and RF Heated /Vented Seat Fuses; Window Motors Circuit Breaker
Fuse Block - Right Rear Bussing
Figure 17:

Ignition Mode Switch


Object Number: 1349612  Size: FS
Master Electrical Component List
Control Module References
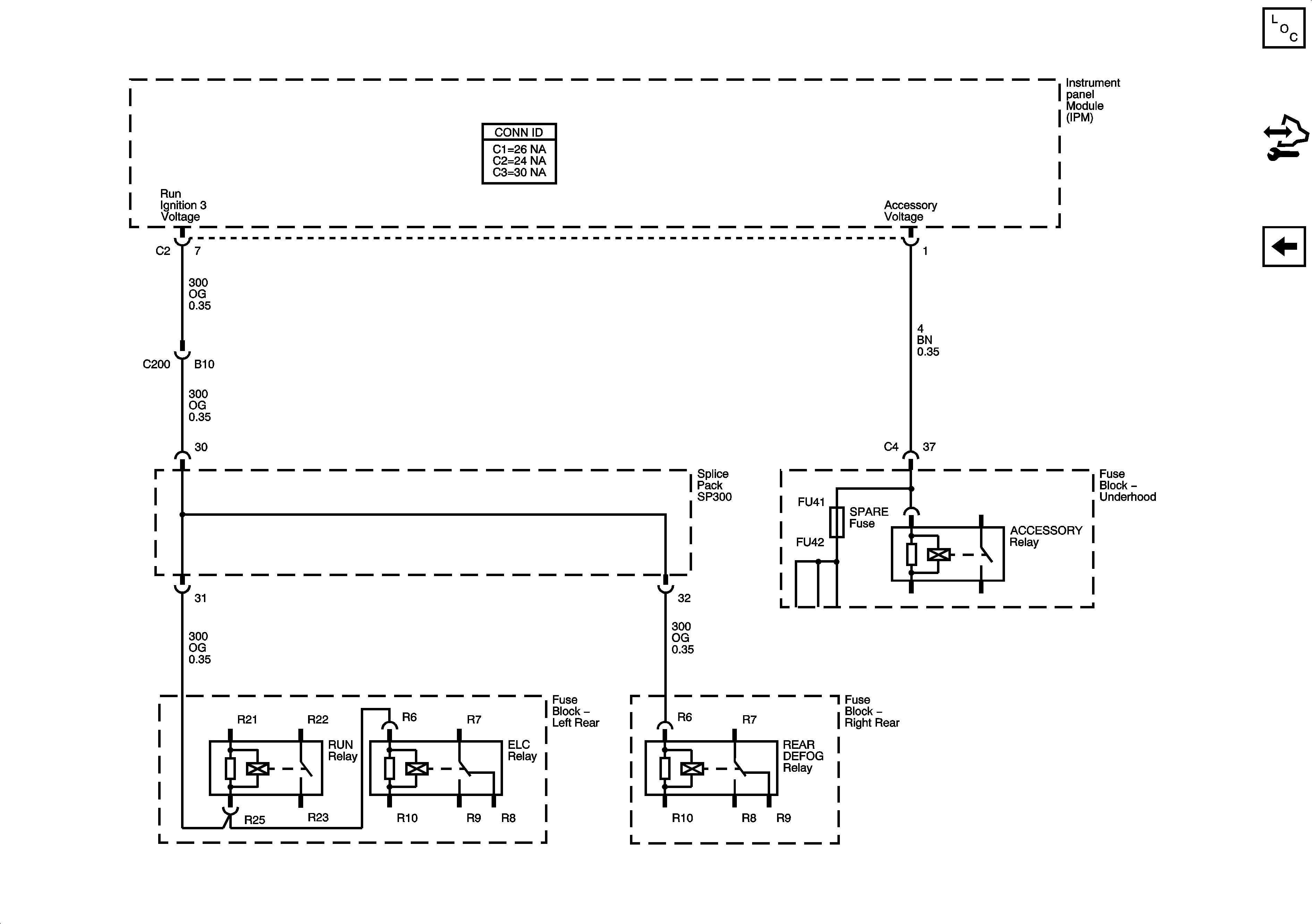
Power Modes
Fuse Block Right Rear: LT Turn Signal, RIM(1), Rear Fog Lamp, FT Passenger Door Module, Heated Steering Column, IGN 1, RIM(2) and Airbag Fuses; Rear Fog Lamp and IGN 1 Relays
Figure 18:

Power Modes


Object Number: 1386624  Size: FS
Master Electrical Component List
Control Module References
Ignition Mode Switch