GM Service Manual Online
For 1990-2009 cars only
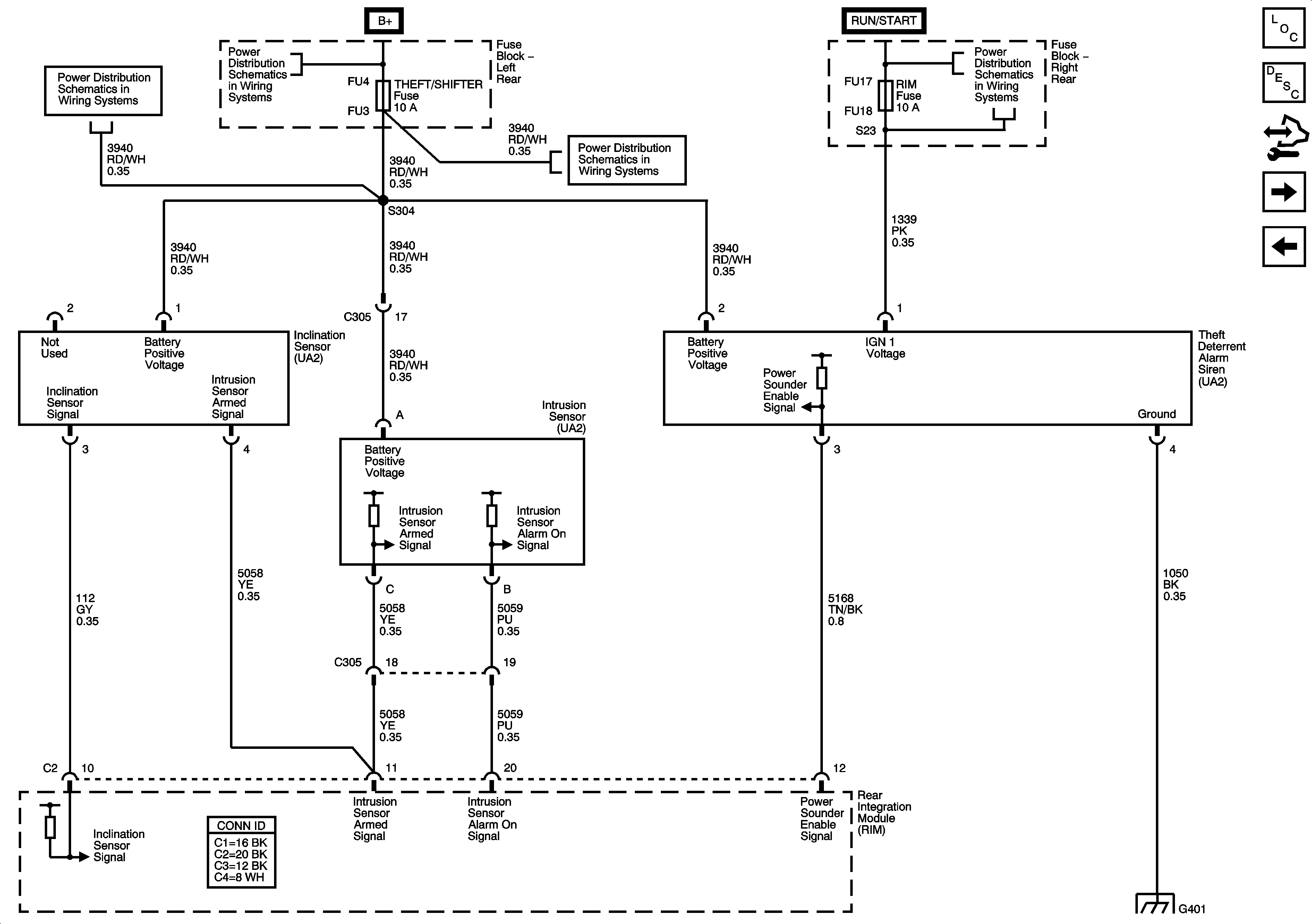
Figure 1:

Theft - DLC


Object Number: 1388101  Size: FS
Master Electrical Component List
Vehicle Theft Deterrent (VTD) Description and Operation
Control Module References
Content Theft Deterrent (CTD) System
GMLAN High Speed - Domestic w/UE1
Starting System - LY7
Starting System - LH2
Fuel Controls - Fuel Pump and Injectors
Fuel Controls - Injectors and Pump
GMLAN Low Speed 2 of 2
GMLAN Low Speed 1 of 2
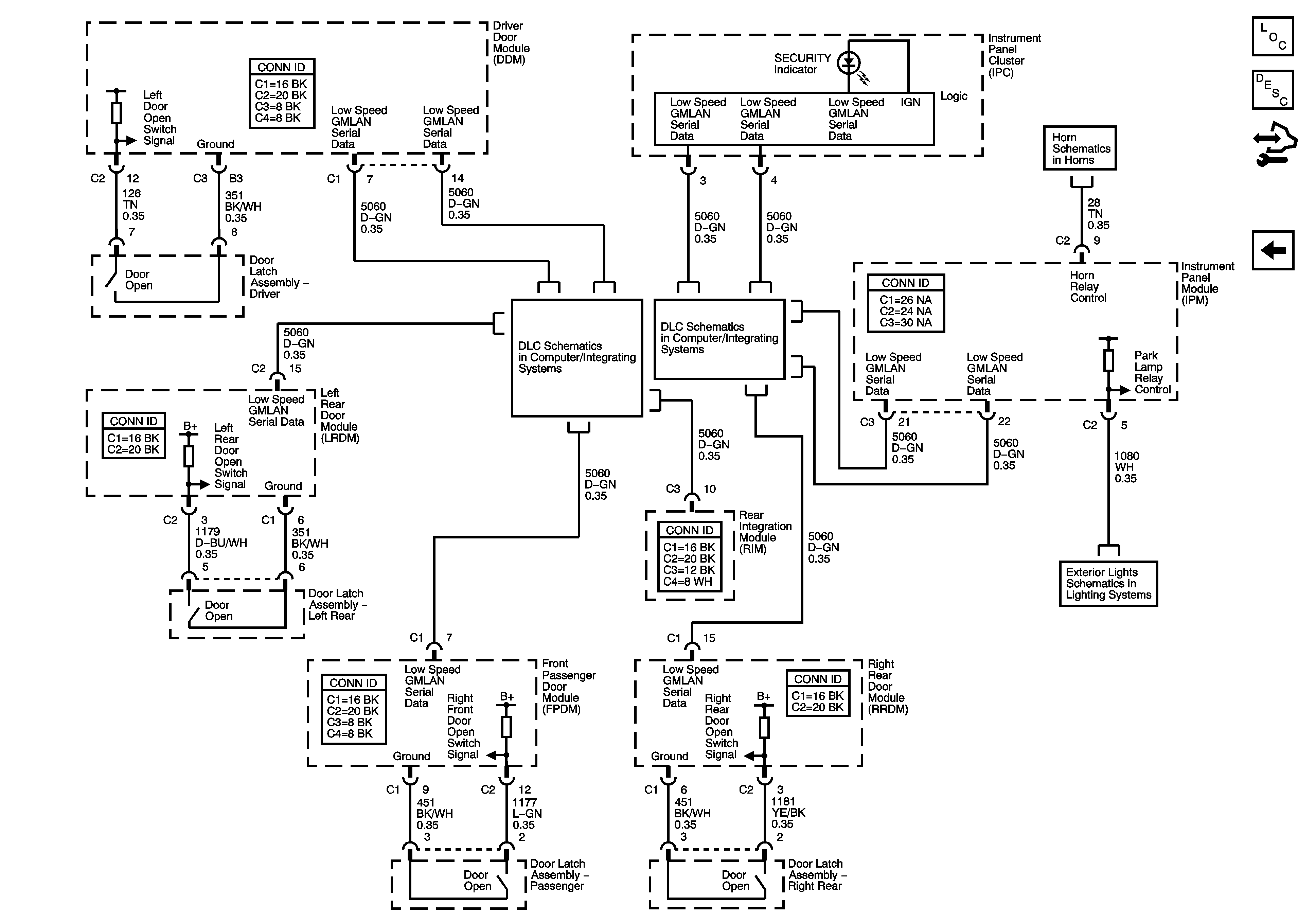
Figure 2:

Content Theft Deterrent (CTD) System


Object Number: 1388104  Size: FS
Master Electrical Component List
Content Theft Deterrent (CTD) Description and Operation
Control Module References
Door Modules and Horn
DLC
Fuse Block Left Rear: TV/VICS, ELC SOL, ESC Module, Driver Door Module, Rear Door Module, Theft/Shifter and AMP Fuses
Fuse Block Left Rear Bussing
Fuse Block Left Rear: TV/VICS, ELC SOL, ESC Module, Driver Door Module, Rear Door Module, Theft/Shifter and AMP Fuses
Fuse Block Right Rear: LT Turn Signal, RIM(1), Rear Fog Lamp, FT Passenger Door Module, Heated Steering Column, IGN 1, RIM(2) and Airbag Fuses; Rear Fog Lamp and IGN 1 Relays
G104 (1 of 2)
G401 (1 of 2)
Figure 3:

Door Modules and Horn


Object Number: 1388105  Size: FS
Master Electrical Component List
Content Theft Deterrent (CTD) Description and Operation
Control Module References
Content Theft Deterrent (CTD) System
Horn Schematics
GMLAN Low Speed 1 of 2
GMLAN Low Speed 2 of 2
Park Lamp Relay, Switch and Instrument Cluster - Domestic