GM Service Manual Online
For 1990-2009 cars only
Makes
🢒
Cadillac
🢒
2005
🢒
STS
🢒
Steering
🢒
Steering Wheel and Column
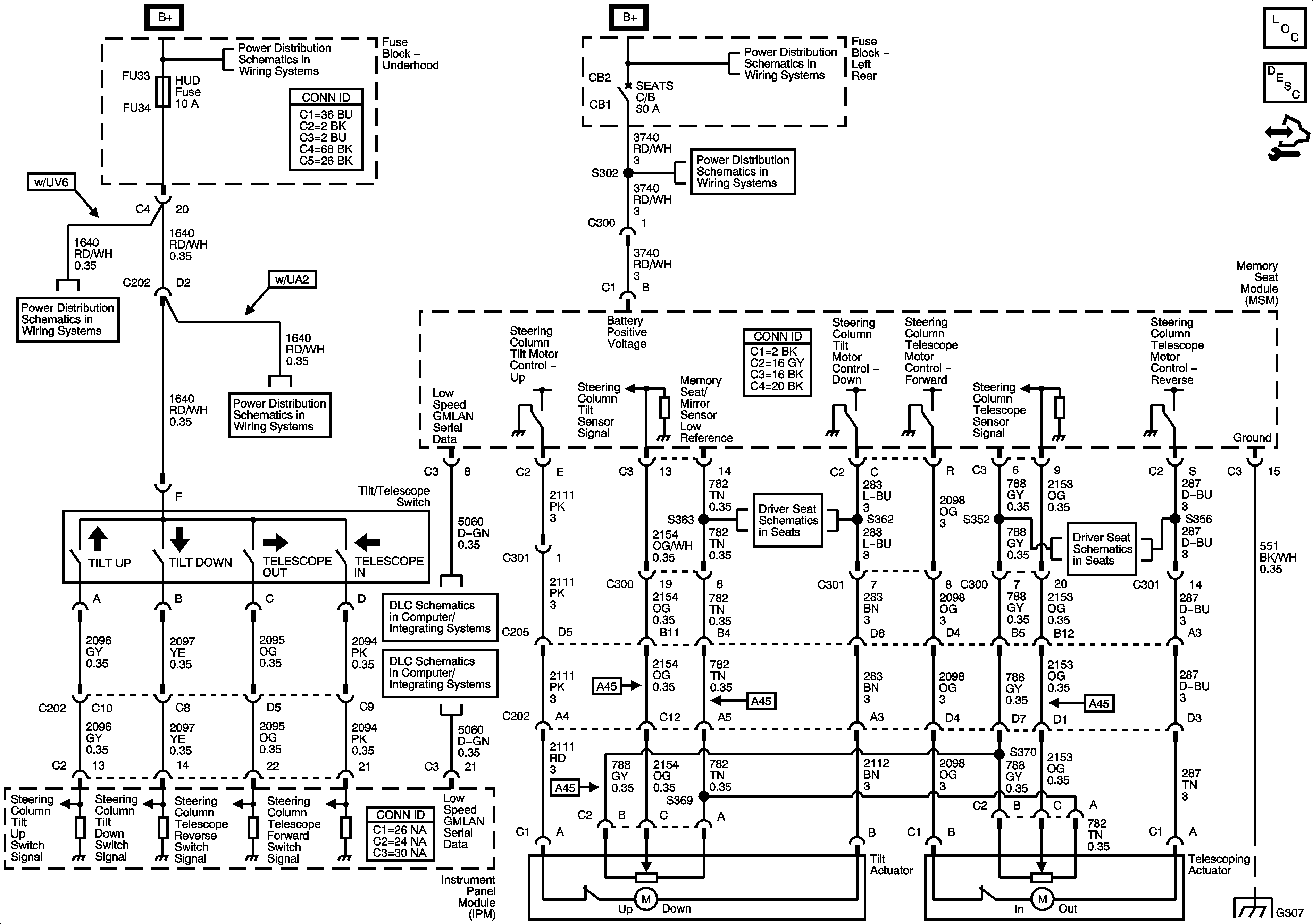
🢒 Tilt/Telescoping Steering Column Schematics
Master Electrical Component List
Steering Wheel and Column Description and Operation
Control Module References
Fuse Block Underhood Bussing
Fuse Block Left Rear Bussing
Fuse Block Left Rear: Seats Circuit Breaker
Fuse Block Underhood: HUD, Front Blower, Compressor Clutch, Fog Lamp and Horn Fuses; HDLP Washer Circuit Breaker and Main Relay
Fuse Block Underhood: HUD, Front Blower, Compressor Clutch, Fog Lamp and Horn Fuses; HDLP Washer Circuit Breaker and Main Relay
GMLAN Low Speed 1 of 2
GMLAN Low Speed 2 of 2
Position Sensors and Motors
Position Sensors and Motors
G307