GM Service Manual Online
For 1990-2009 cars only
Makes
🢒
Cadillac
🢒
2005
🢒
STS
🢒
Steering
🢒
Steering Wheel and Column
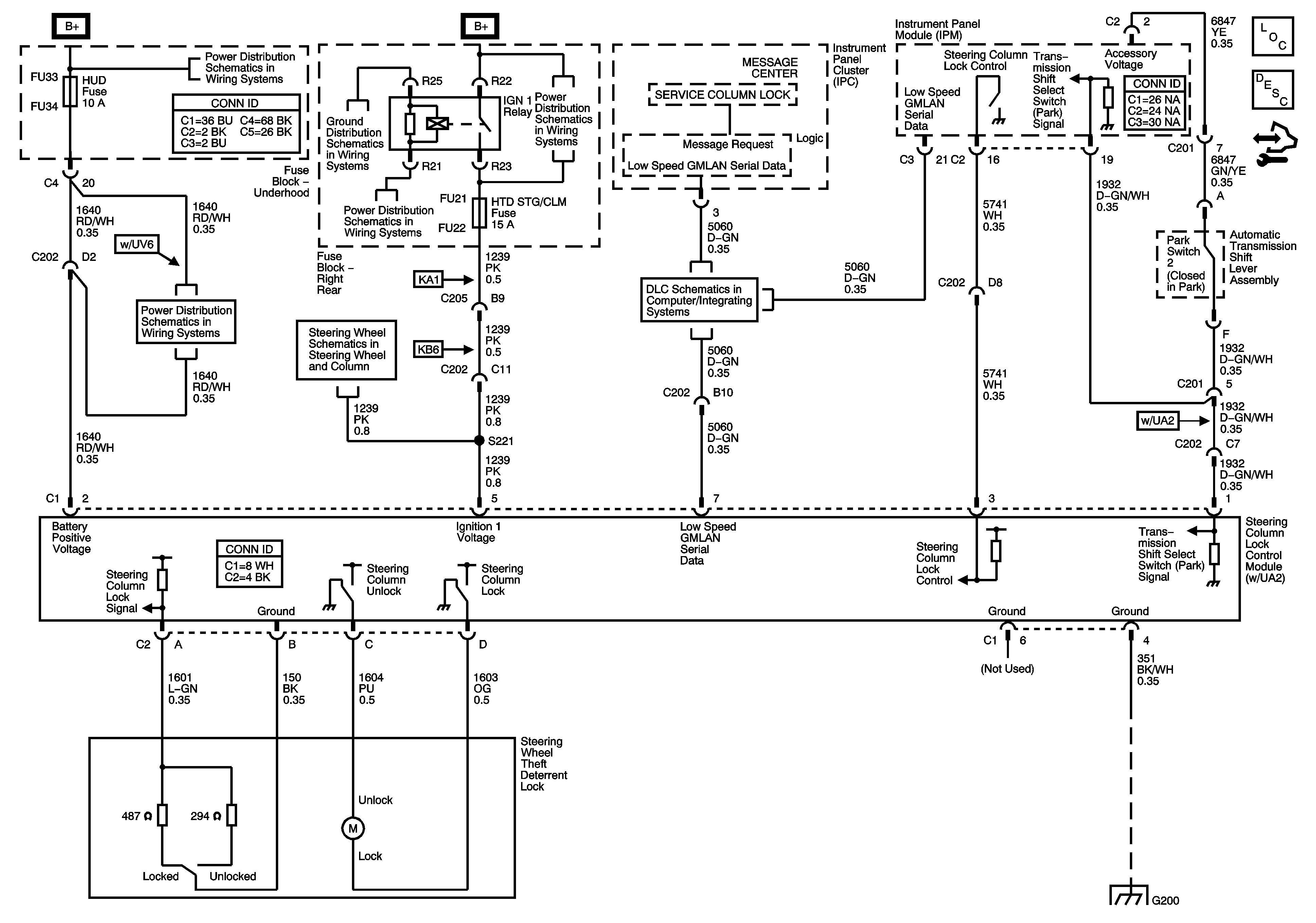
🢒 Column/Ignition Lock Schematics
Master Electrical Component List
Steering Wheel and Column Description and Operation
Control Module References
Fuse Block Underhood Bussing
G401 (2 of 2)
Fuse Block Right Rear: LT Turn Signal, RIM(1), Rear Fog Lamp, FT Passenger Door Module, Heated Steering Column, IGN 1, RIM(2) and Airbag Fuses; Rear Fog Lamp and IGN 1 Relays
Fuse Block Underhood: HUD, Front Blower, Compressor Clutch, Fog Lamp and Horn Fuses; HDLP Washer Circuit Breaker and Main Relay
Heated Steering Wheel Schematics
Ignition Mode Switch
GMLAN Low Speed 2 of 2
G200 (2 of 2)