GM Service Manual Online
For 1990-2009 cars only
Makes
🢒
Cadillac
🢒
2005
🢒
STS
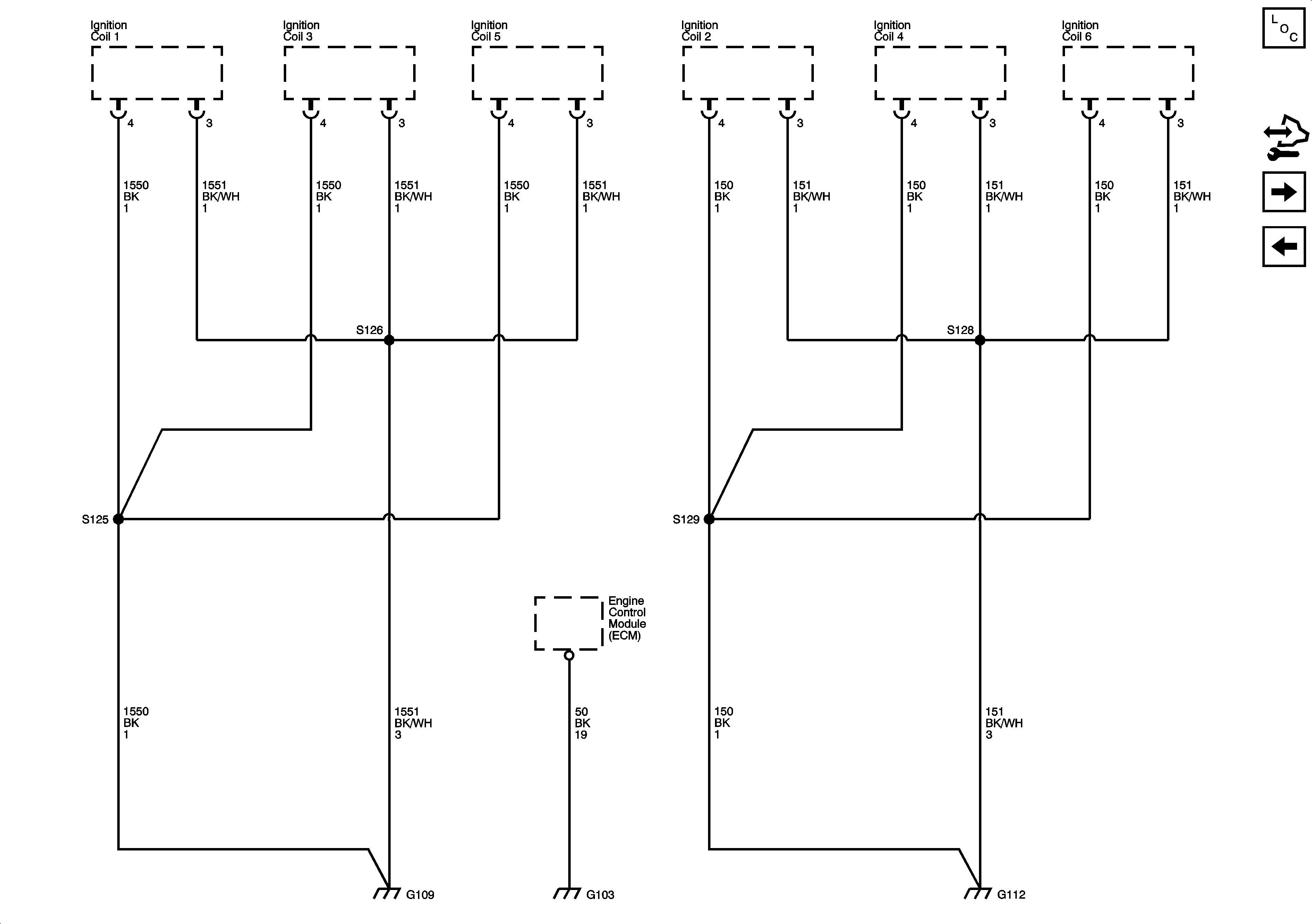
🢒 G109, G112 (LY7)
G109, G112 (LY7)
G103 (LY7), G109 (LY7), G112 (LY7)
Master Electrical Component List
Control Module References
G200 (1 of 2)
G107 (LH2), G113 (LY7)