GM Service Manual Online
For 1990-2009 cars only
Makes
🢒
Cadillac
🢒
2005
🢒
STS
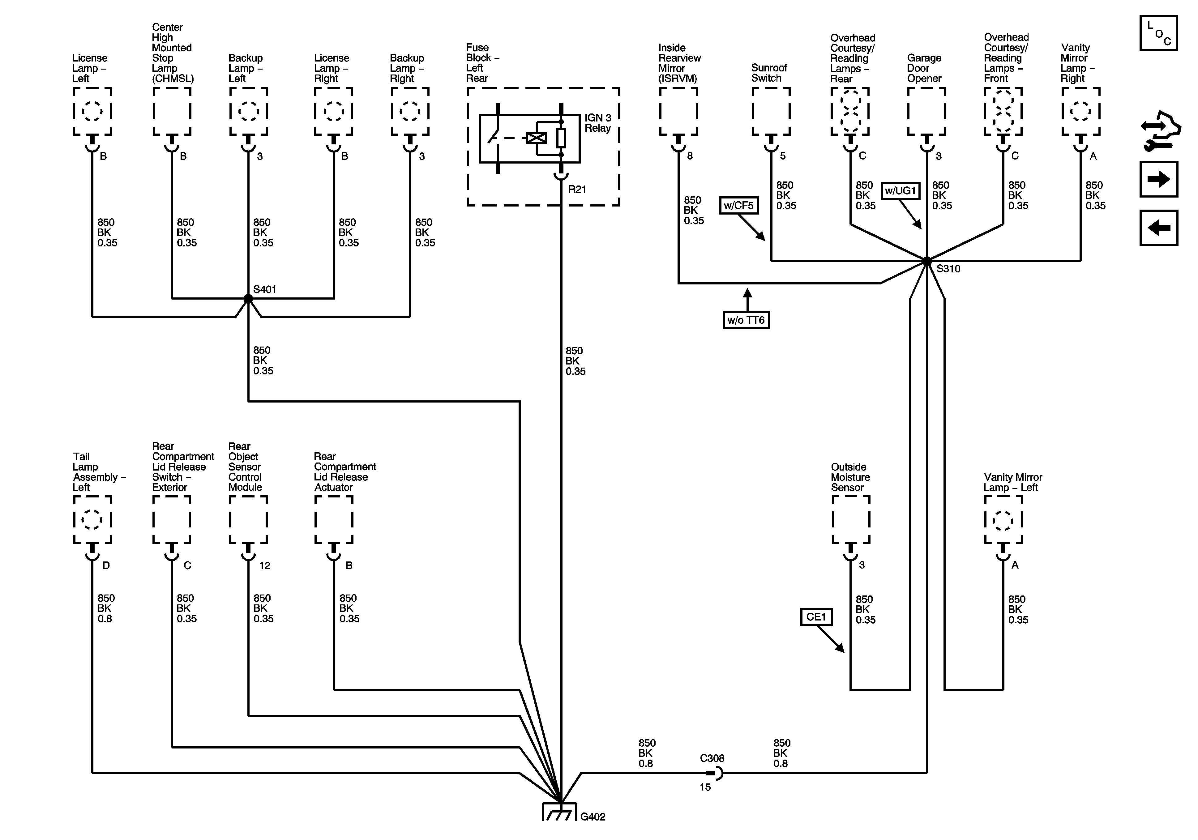
🢒 G402 (1 of 2)
G402 (1 of 2)
G402 1 of 2
Master Electrical Component List
Control Module References
G402 (2 of 2)
G401 (2 of 2)
G402 (2 of 2)