GM Service Manual Online
For 1990-2009 cars only
Makes
🢒
Cadillac
🢒
2005
🢒
STS
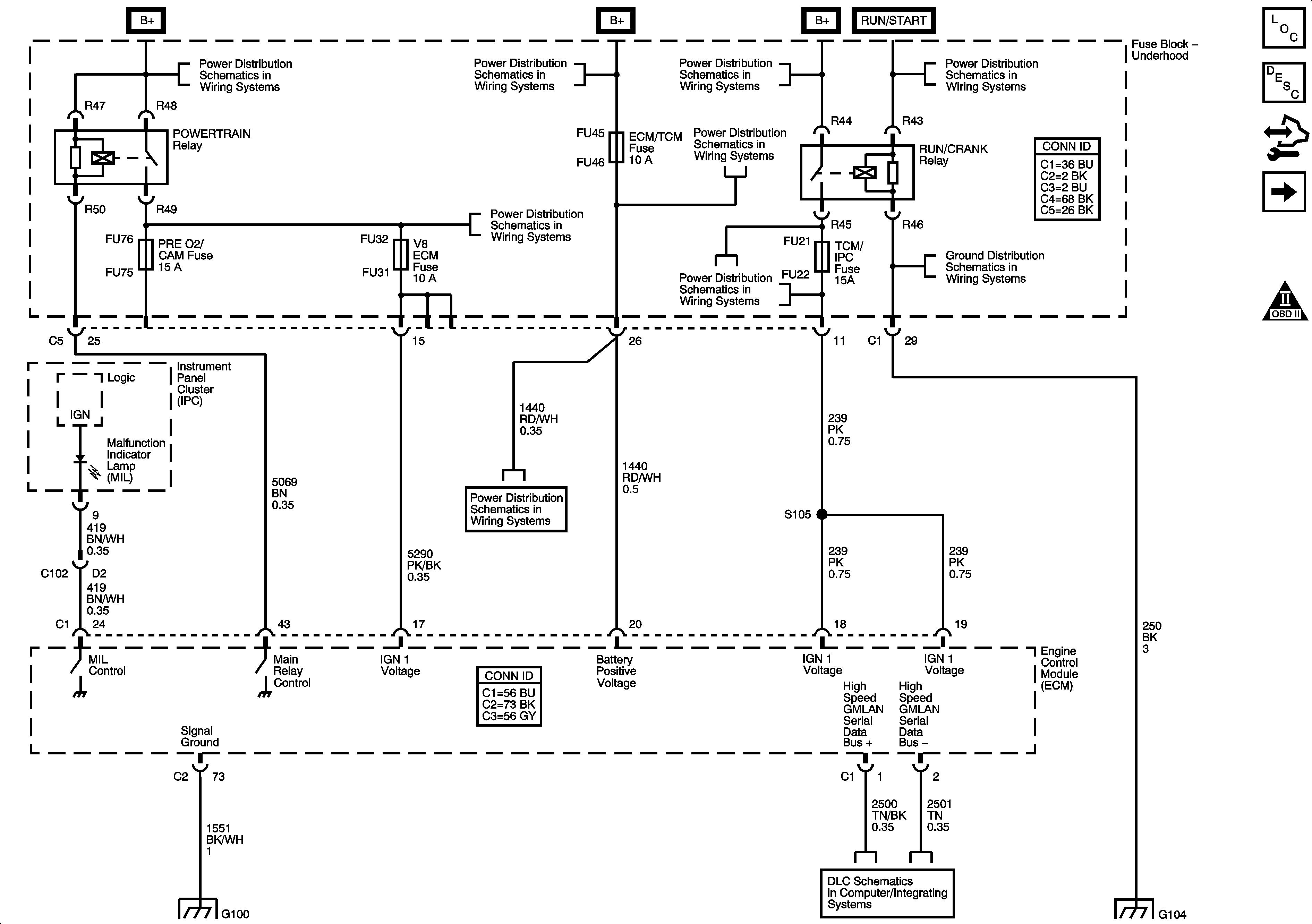
🢒 ECM Power, Ground, DLC and MIL
ECM Power, Ground, DLC and MIL
ECM Power, Ground, Serial Data, and MIL
Master Electrical Component List
Engine Control Module Description
Control Module References
Engine Data Sensors, 5 Volt and Low References
Engine Controls Schematic Icons
Fuse Block Underhood Bussing
Fuse Block Underhood Bussing
Fuse Block Underhood Bussing
Fuse Block Underhood Bussing
Fuse Block-Underhood Fuses/Relay: IPM/ALDL, Auto Headlamp Dimming, CCP, ECM/TCM, WPR MOD, WPR SW/VICS and Rain Sensor/HDLP Wash Fuses. Accessory Relay
Fuse Block-Underhood: Starter IGN 1 Relays; Starter, Starter Relay, CCP, TCM/IPM/ECM, MAF, ABS and Washer Nozzle/ACC Fuses
Fuse Block Right Rear: LT Turn Signal, RIM(1), Rear Fog Lamp, FT Passenger Door Module, Heated Steering Column, IGN 1, RIM(2) and Airbag Fuses; Rear Fog Lamp and IGN 1 Relays
G104 (1 of 2)
Fuse Block-Underhood Fuses/Relay: IPM/ALDL, Auto Headlamp Dimming, CCP, ECM/TCM, WPR MOD, WPR SW/VICS and Rain Sensor/HDLP Wash Fuses. Accessory Relay
G100 (LH2)
G104 (1 of 2)