GM Service Manual Online
For 1990-2009 cars only
Makes
🢒
Cadillac
🢒
2005
🢒
STS
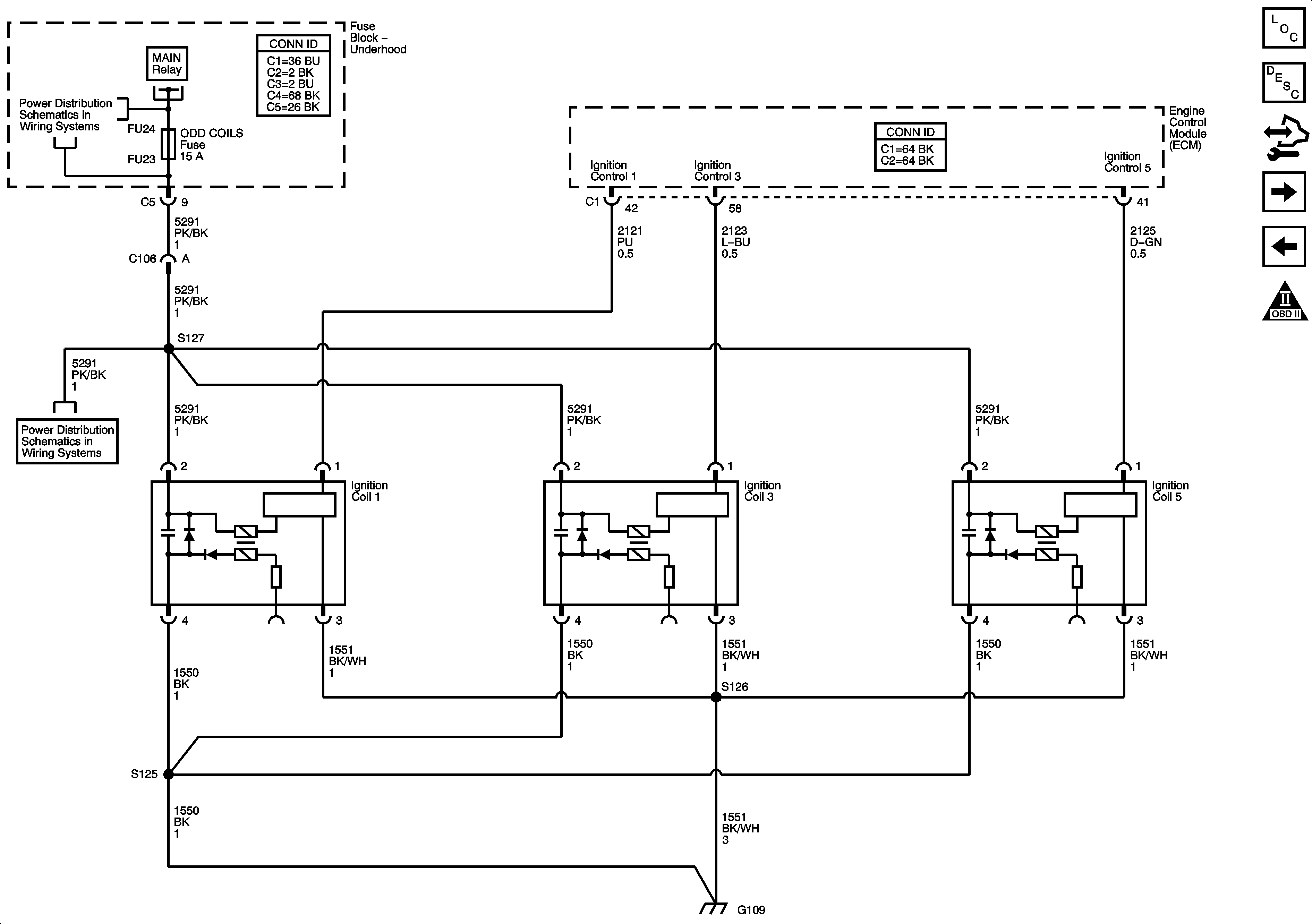
🢒 Ignition Controls - Bank 1 Ignition Coils
Ignition Controls - Bank 1 Ignition Coils
Ignition Controls - Bank 1 Ignition Coils
Master Electrical Component List
Engine Control Module Description
Control Module References
Ignition Controls - Bank 2 Ignition Coils
Engine Data Sensors - Electronic Throttle Controls
Engine Controls Schematic Icons
Fuse Block Underhood: Odd INJ/COILS, Even INJ/COILS and POST 02 Fuses
Fuse Block Underhood: Odd INJ/COILS, Even INJ/COILS and POST 02 Fuses