GM Service Manual Online
For 1990-2009 cars only
Makes
🢒
Cadillac
🢒
2005
🢒
STS
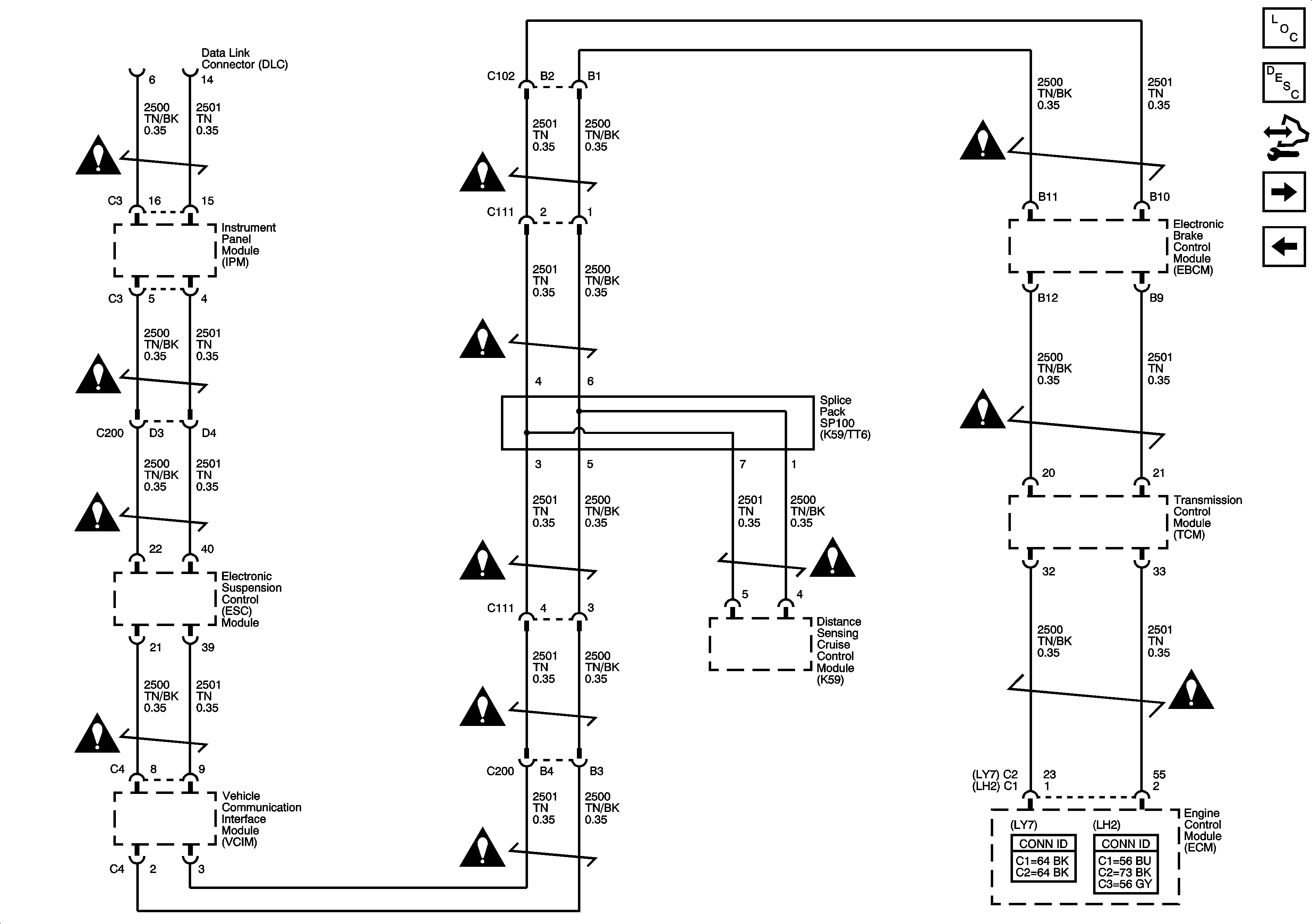
🢒 GMLAN High Speed - Domestic w/UE1,K59,F55
GMLAN High Speed - Domestic w/UE1,K59,F55
GMLAN - High Speed, Domestic W/UE1, K59, F55
Master Electrical Component List
Data Link Communications Description and Operation
Control Module References
GMLAN High Speed - Export w/TT7/TT8
GMLAN High Speed - Domestic w/UE1 and F55
Computer/Integrating Systems Schematic Icons
Computer/Integrating Systems Schematic Icons
Computer/Integrating Systems Schematic Icons
Computer/Integrating Systems Schematic Icons
Computer/Integrating Systems Schematic Icons
Computer/Integrating Systems Schematic Icons
Computer/Integrating Systems Schematic Icons
Computer/Integrating Systems Schematic Icons
Computer/Integrating Systems Schematic Icons
Computer/Integrating Systems Schematic Icons
Computer/Integrating Systems Schematic Icons
Computer/Integrating Systems Schematic Icons
Computer/Integrating Systems Schematic Icons