GM Service Manual Online
For 1990-2009 cars only
Makes
🢒
Cadillac
🢒
2005
🢒
STS
🢒 Charging System
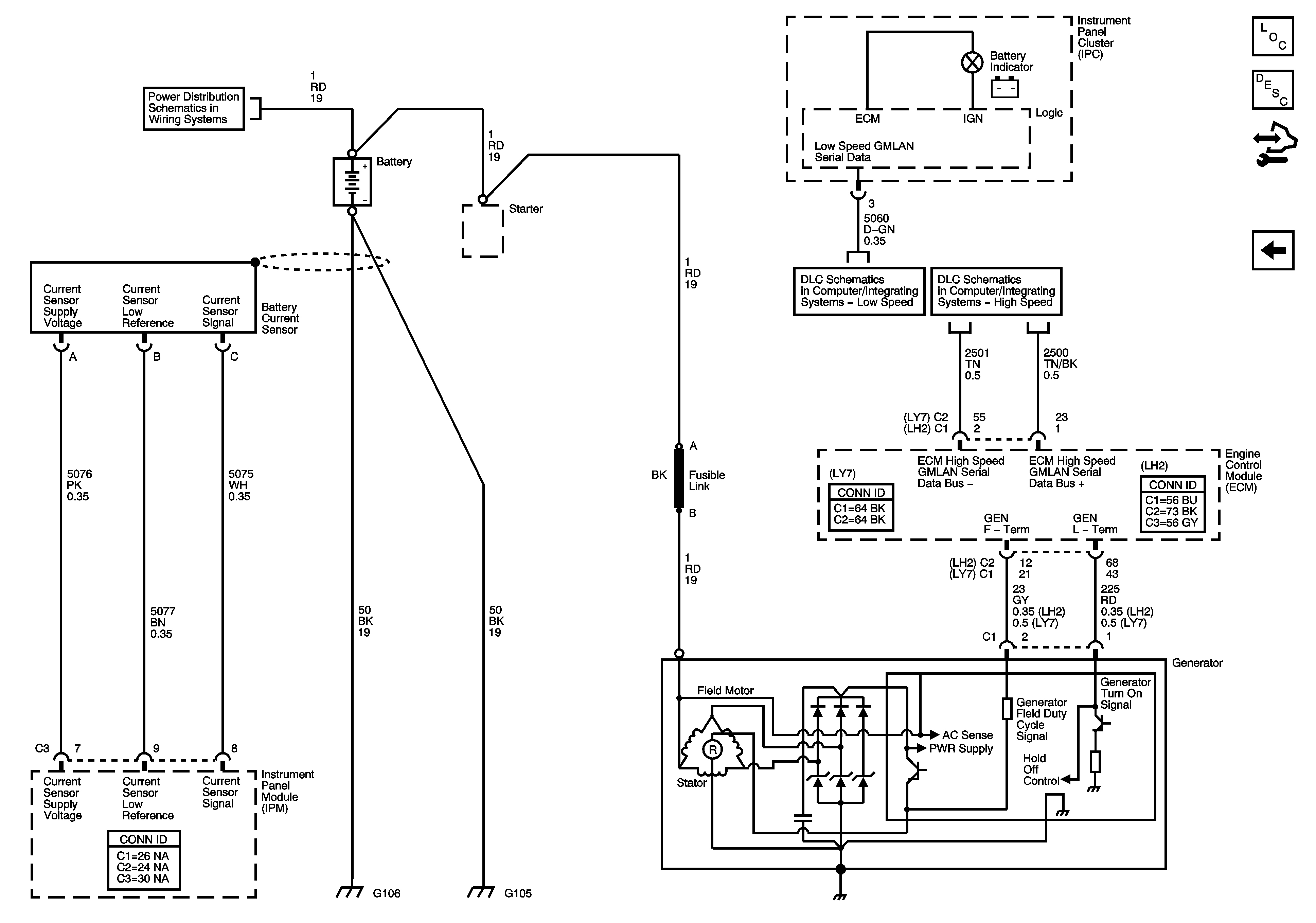
Charging System
Charging System
Master Electrical Component List
Charging System Description and Operation
Control Module References
Starting System - LY7
Fuse Block Underhood Bussing
GMLAN Low Speed 2 of 2
GMLAN High Speed - Domestic w/UE1
G110, G306, G404, G403, G105, G106
G110, G306, G404, G403, G105, G106