GM Service Manual Online
For 1990-2009 cars only
Makes
🢒
Cadillac
🢒
2005
🢒
STS
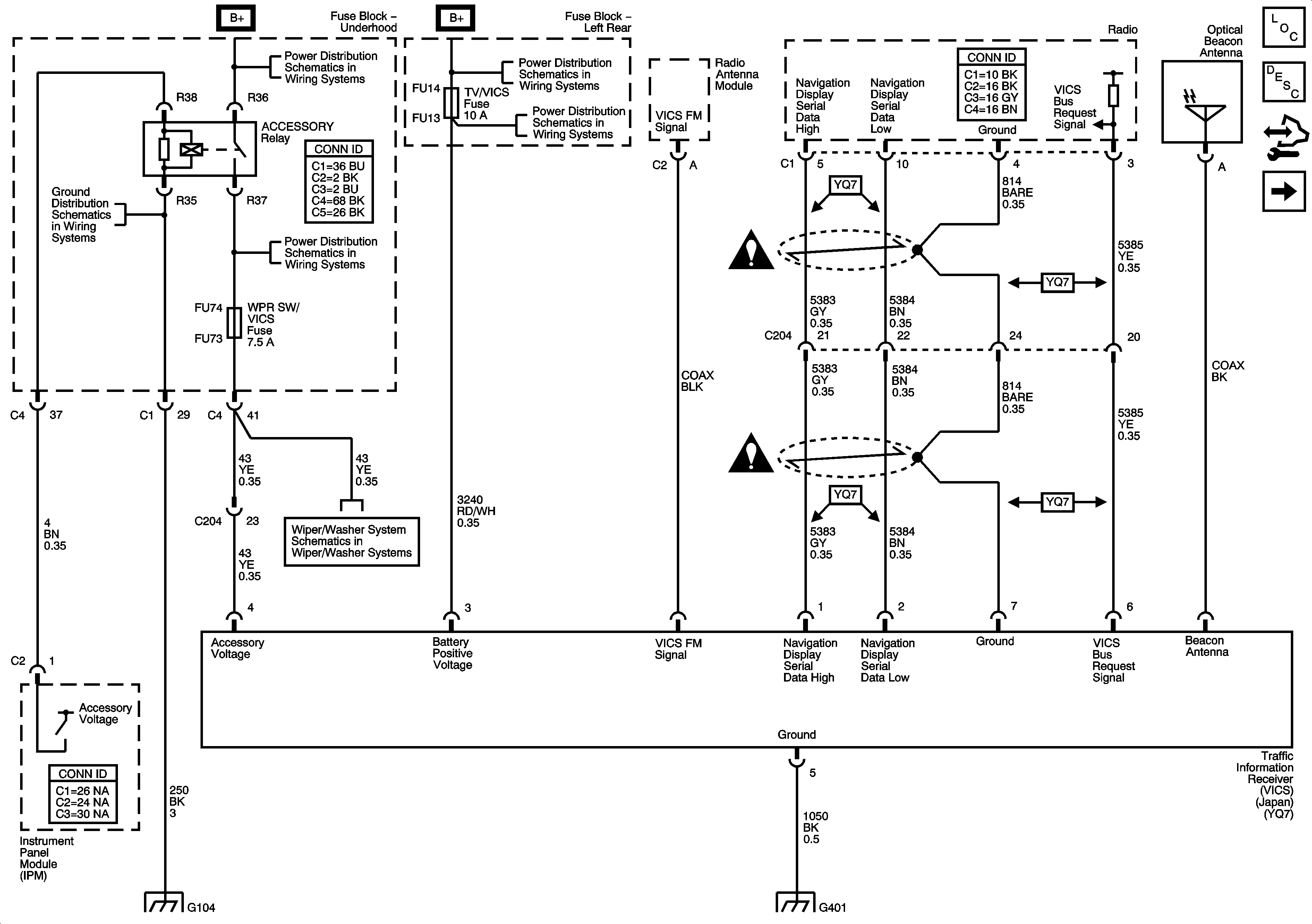
🢒 Traffic Information Receiver (VICS) Module - Japan
Traffic Information Receiver (VICS) Module - Japan
Traffic Information Receiver Module (VICS) - Japan Only
Master Electrical Component List
Navigation System Description and Operation
Control Module References
Navigation - Radio and VICS Antennas, Audio/Video Adapter
G104 (1 of 2)
Fuse Block Underhood Bussing
Fuse Block-Underhood Fuses/Relay: IPM/ALDL, Auto Headlamp Dimming, CCP, ECM/TCM, WPR MOD, WPR SW/VICS and Rain Sensor/HDLP Wash Fuses. Accessory Relay
Fuse Block Left Rear Bussing
Fuse Block Left Rear: TV/VICS, ELC SOL, ESC Module, Driver Door Module, Rear Door Module, Theft/Shifter and AMP Fuses
Navigation System Schematic Icons
Navigation System Schematic Icons
Module Power, Ground and Wiper Switch
G104 (1 of 2)
G401 (2 of 2)