GM Service Manual Online
For 1990-2009 cars only
Makes
🢒
Cadillac
🢒
2005
🢒
STS
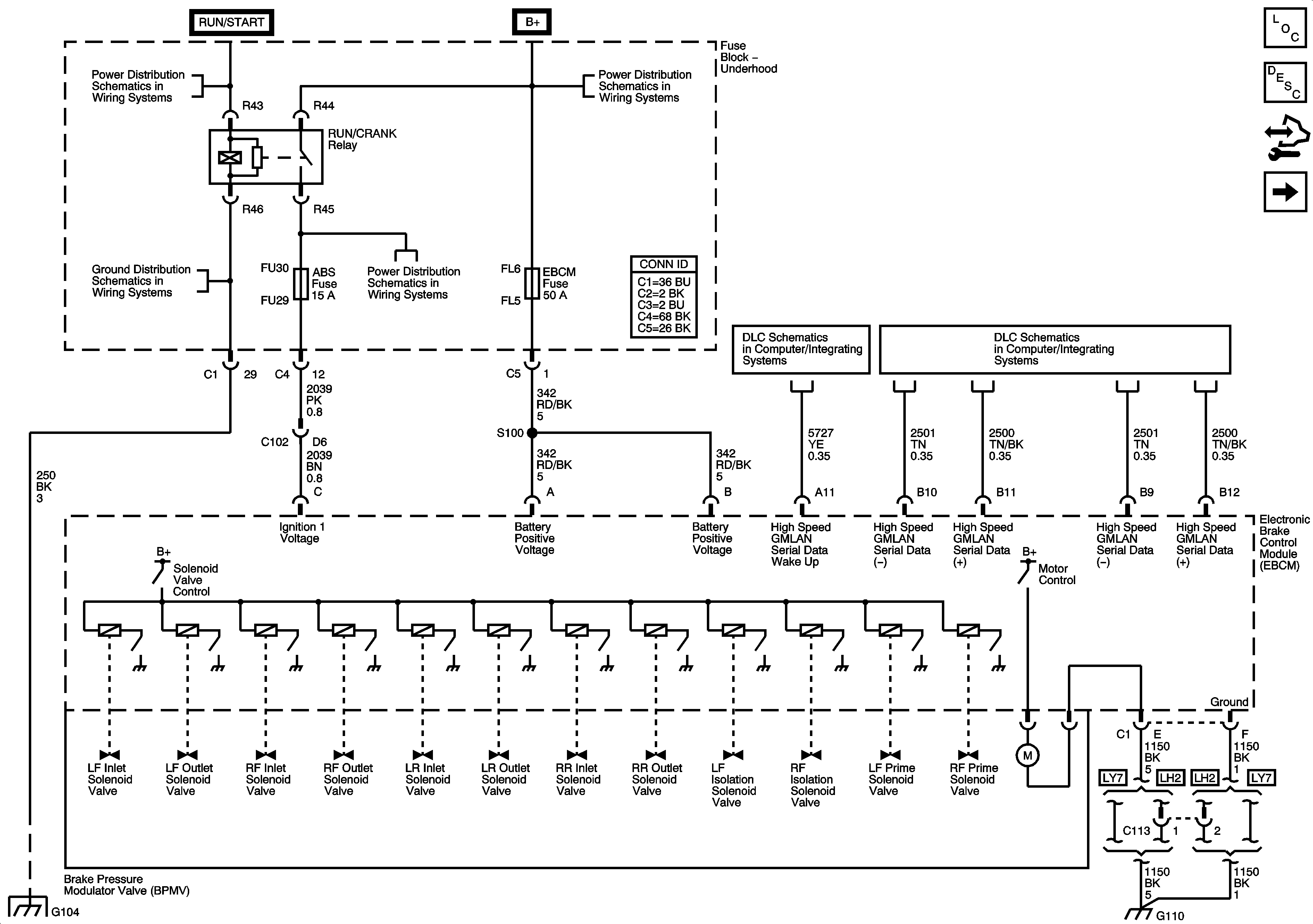
🢒 EBCM Module Power, Ground and DLC
EBCM Module Power, Ground and DLC
EBCM Module Power, Ground and DLC
Master Electrical Component List
ABS Description and Operation
Control Module References
Wheel Speed Sensors
Fuse Block Right Rear: LT Turn Signal, RIM(1), Rear Fog Lamp, FT Passenger Door Module, Heated Steering Column, IGN 1, RIM(2) and Airbag Fuses; Rear Fog Lamp and IGN 1 Relays
Fuse Block Underhood Bussing
G104 (1 of 2)
Fuse Block Underhood Bussing
GMLAN High Speed Serial Data Wake up
GMLAN High Speed - Domestic w/UE1