GM Service Manual Online
For 1990-2009 cars only
Makes
🢒
Cadillac
🢒
2006
🢒
STS
🢒
Body
🢒
Roof
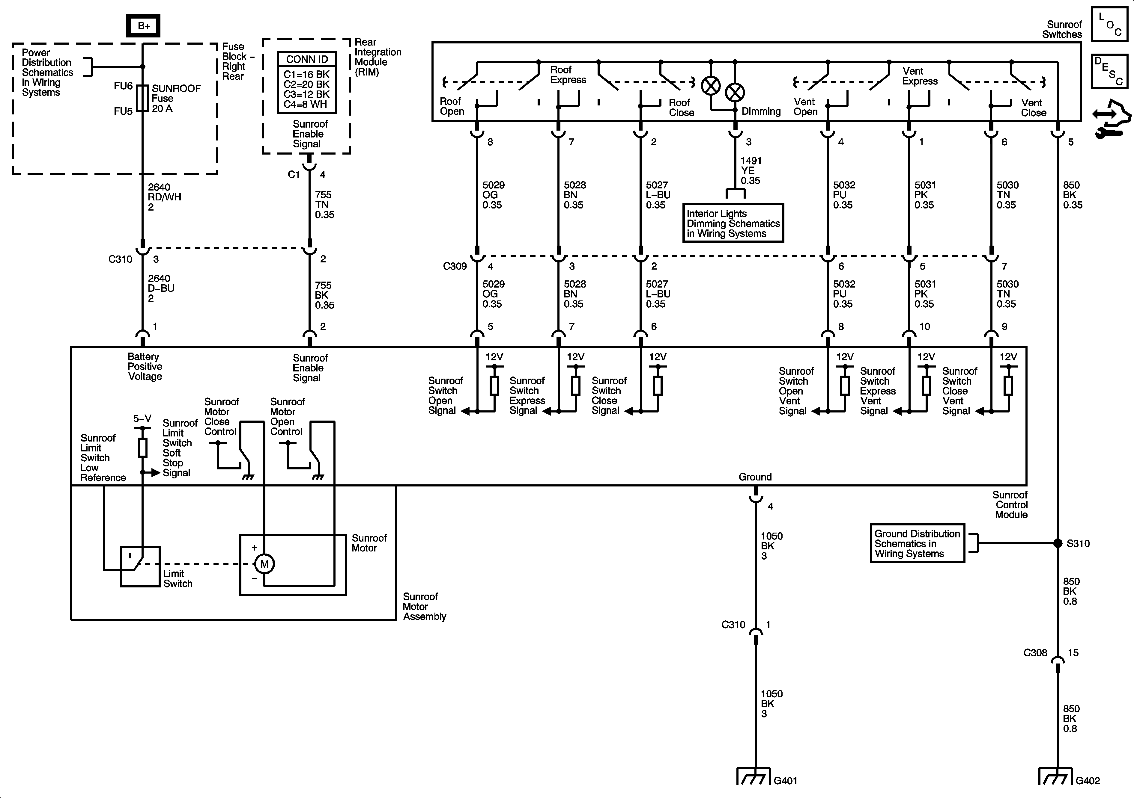
🢒 Sunroof Schematics
Power Sunroof
Master Electrical Component List
Sunroof Description and Operation
Control Module References
Fuse Block Right Rear Bussing
Dimming Lamps (2 of 3)
G401 (2 of 2)
G402 (1 of 2)
G402 (1 of 2)