GM Service Manual Online
For 1990-2009 cars only
Figure 1:

G105, G106, G110, G306, G403 and G404


Object Number: 1619072  Size: FS
Master Electrical Component List
Control Module References
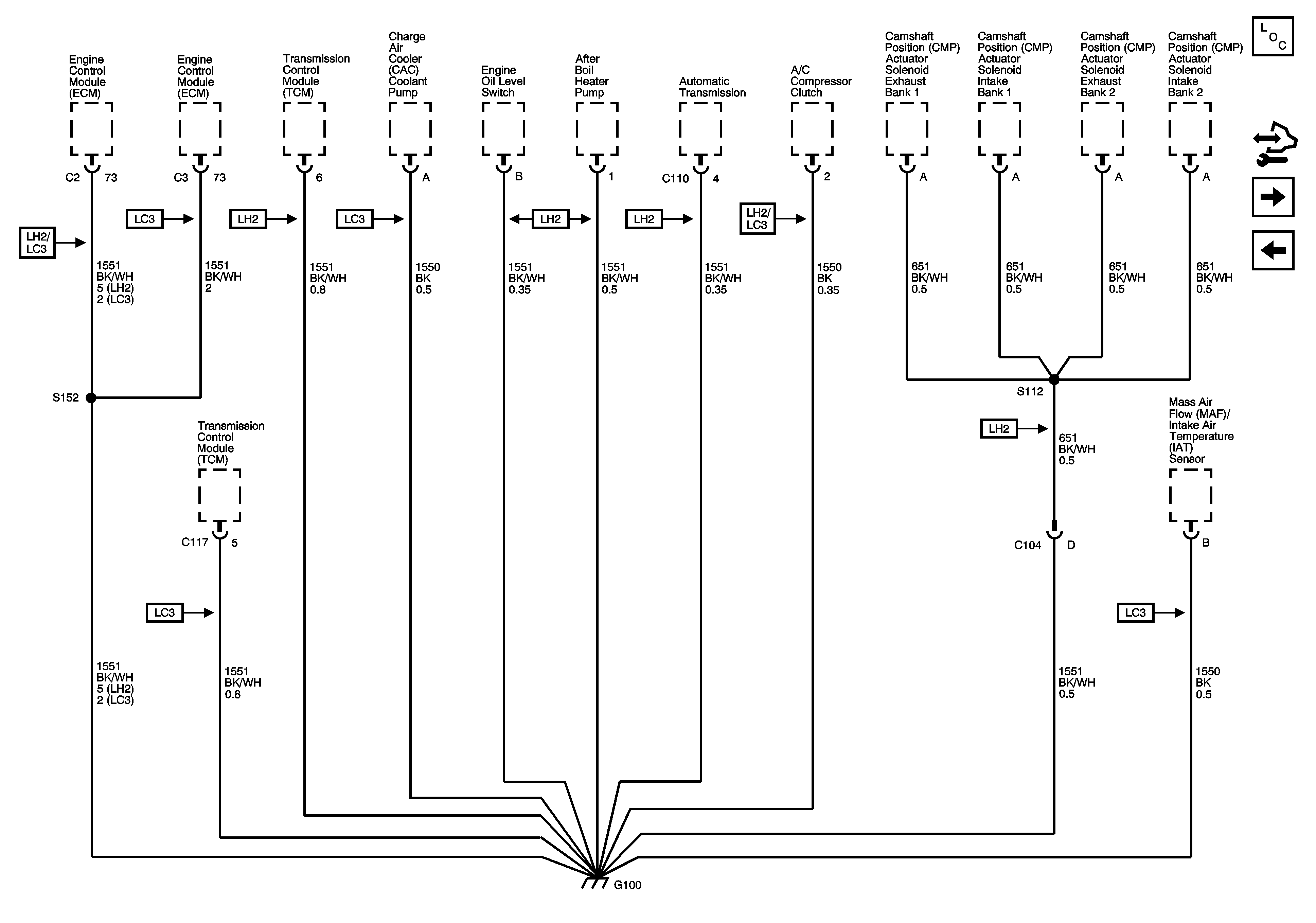
06 STS Ground Dist - G100 (LH2)
Power and Grounding Schematic Icons
06 STS Charging System
Figure 2:

G100 (LH2)


Object Number: 1619034  Size: FS
Master Electrical Component List
Control Module References
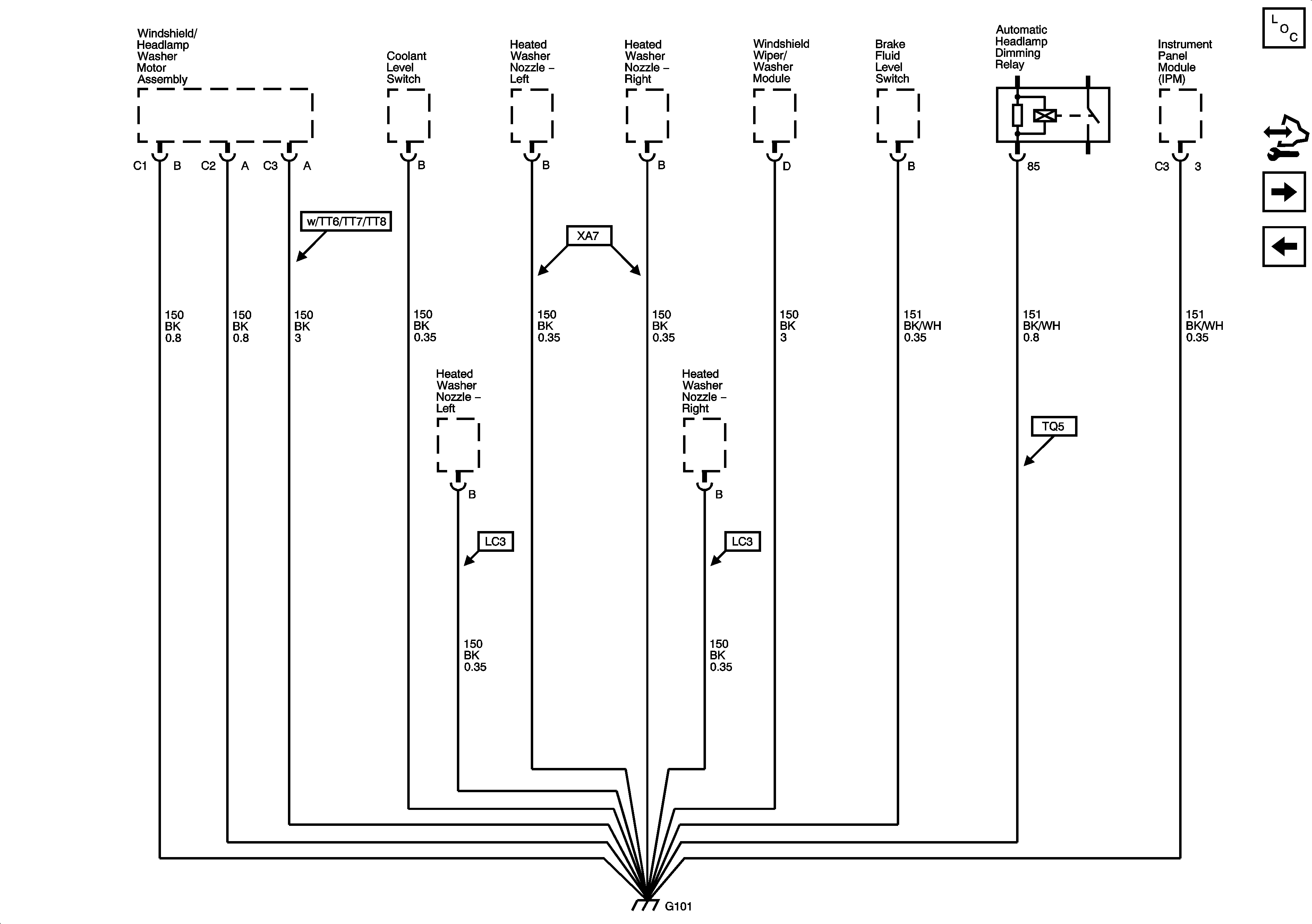
G101
G110, G306, G404, G403, G105, G106
Figure 3:

G101


Object Number: 1619037  Size: FS
Master Electrical Component List
Control Module References
G104 (1 of 2)
06 STS Ground Dist - G100 (LH2)
Figure 4:

G104 1 of 2


Object Number: 1619068  Size: FS
Master Electrical Component List
Control Module References
G104 (2 of 2)
G101
G104 (2 of 2)
Figure 5:

G104 2 of 2


Object Number: 1619069  Size: FS
Master Electrical Component List
Control Module References
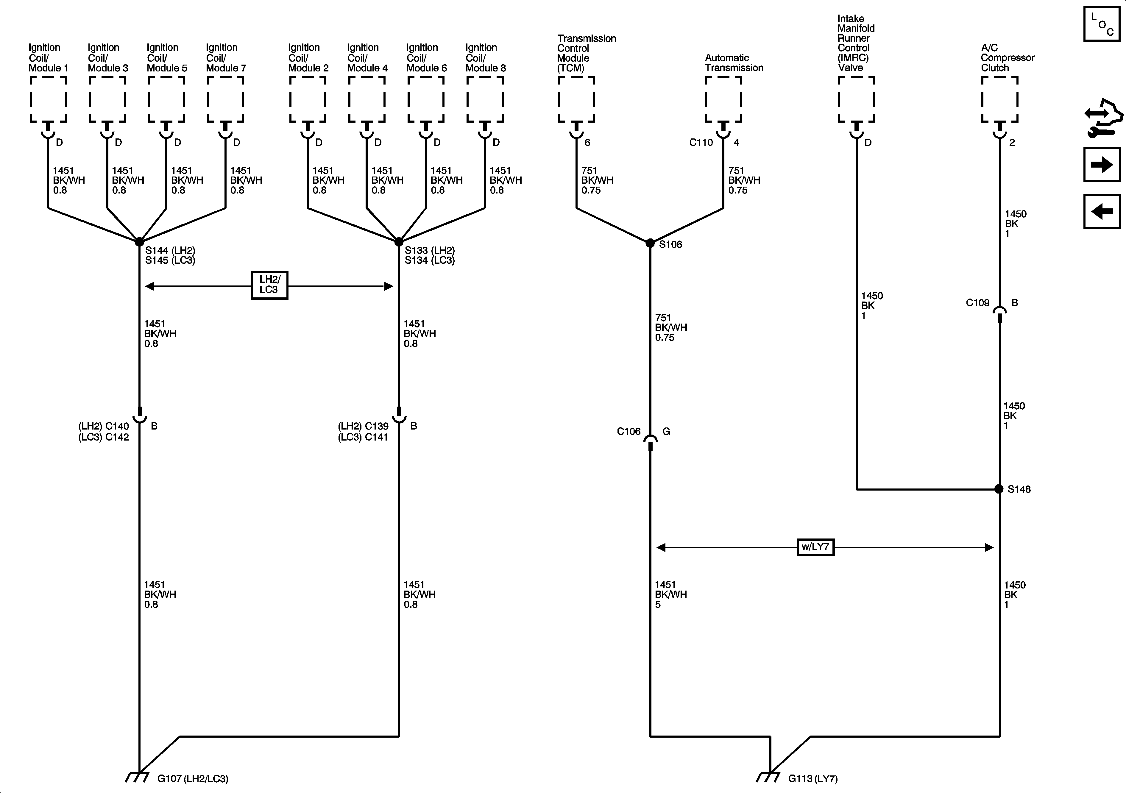
G107 (LH2), G113 (LY7)
G104 (1 of 2)
G104 (1 of 2)
Figure 6:

G107 (LH2), G113 (LY7)


Object Number: 1619070  Size: FS
Master Electrical Component List
Control Module References
G109, G112 (LY7)
G104 (2 of 2)
Figure 7:

G103 (LY7), G109 (LY7), G112 (LY7)


Object Number: 1619071  Size: FS
Master Electrical Component List
Control Module References
G200 (1 of 2)
G107 (LH2), G113 (LY7)
Figure 8:

G200 1 of 2


Object Number: 1619073  Size: FS
Master Electrical Component List
Control Module References
G200 (2 of 2)
G109, G112 (LY7)
G200 (2 of 2)
Figure 9:

G200 2 of 2


Object Number: 1619074  Size: FS
Master Electrical Component List
Control Module References
G201 (1 of 2)
G200 (1 of 2)
Power and Grounding Schematic Icons
G200 (1 of 2)
Figure 10:

G201 1 of 2


Object Number: 1619075  Size: FS
Master Electrical Component List
Control Module References
G201 (2 of 2)
G200 (2 of 2)
G201 (2 of 2)
Figure 11:

G201 2 of 2


Object Number: 1619076  Size: FS
Master Electrical Component List
Control Module References
G307
G201 (1 of 2)
G201 (1 of 2)
Figure 12:

G307 (LHD)


Object Number: 1619088  Size: FS
Master Electrical Component List
Control Module References
G401 (1 of 2)
G201 (2 of 2)
Figure 13:

G401 1 of 2


Object Number: 1619091  Size: FS
Master Electrical Component List
Control Module References
G401 (2 of 2)
G307
G401 (2 of 2)
Figure 14:

G401 2 of 2


Object Number: 1619098  Size: FS
Master Electrical Component List
Control Module References
G402 (1 of 2)
G401 (1 of 2)
G401 (1 of 2)
Figure 15:

G402 1 of 2


Object Number: 1619099  Size: FS
Master Electrical Component List
Control Module References
G402 (2 of 2)
G401 (2 of 2)
G402 (2 of 2)
Figure 16:

G402 2 of 2


Object Number: 1619100  Size: FS
Master Electrical Component List
Control Module References
G402 (1 of 2)
G402 (1 of 2)