GM Service Manual Online
For 1990-2009 cars only
Makes
🢒
Cadillac
🢒
2006
🢒
STS
🢒
Restraints
🢒
Seat Belts
🢒 Seat Belt Schematics
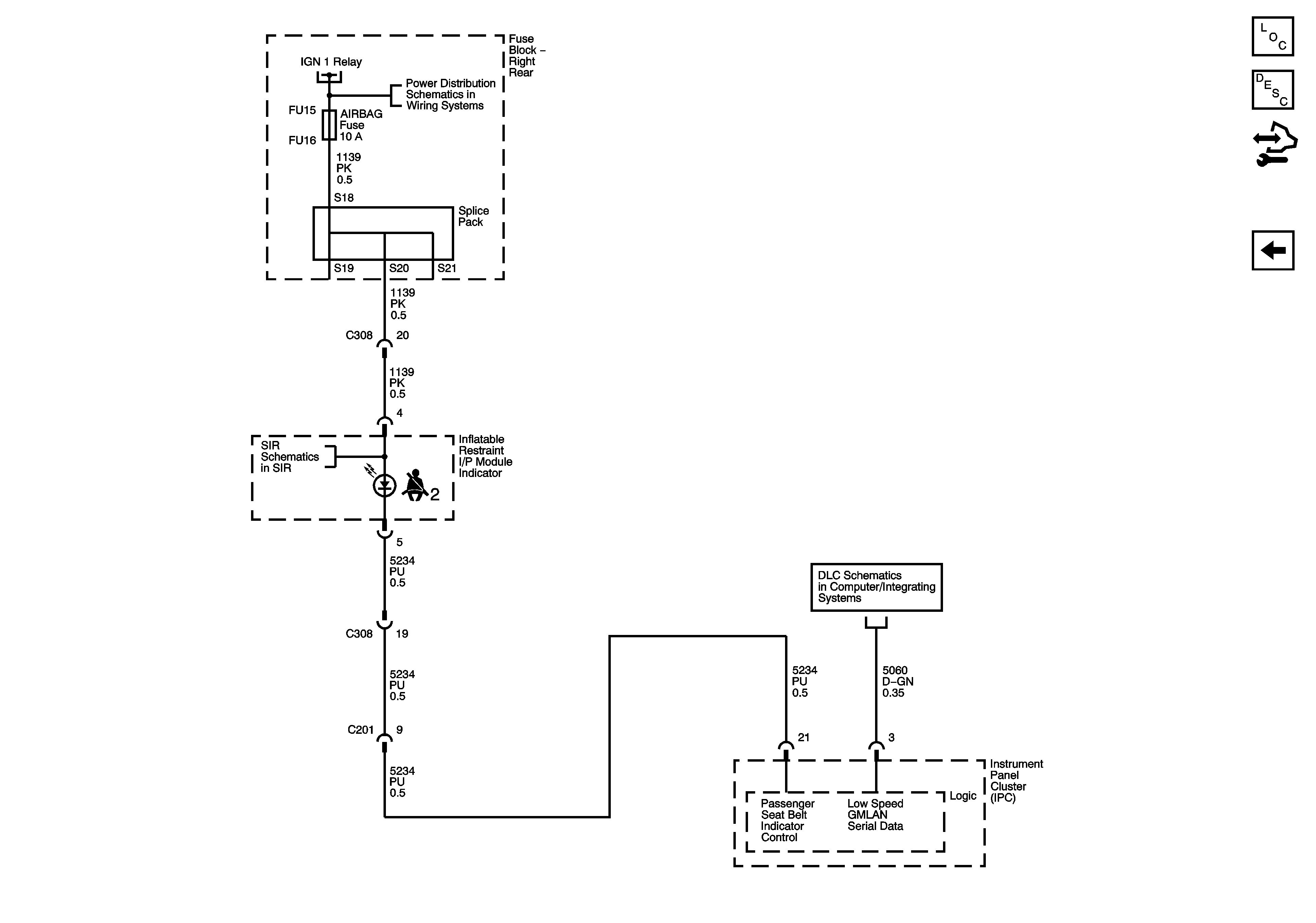
Figure
1:
Master Electrical Component List
Seat Belt System Description and Operation
Control Module References
Seat Belts Indicator
G402 (1 of 2)
Fuse Block Left Rear: IGN 3 Relay; IGN 3, Rear Heated Seat, Memory, Airbag and Rear Shelf Speaker Fuses
Fuse Block Left Rear Bussing
Seat Belt Schematic Icons
GMLAN Low Speed (1 of 2)
GMLAN Low Speed (2 of 2)
G307
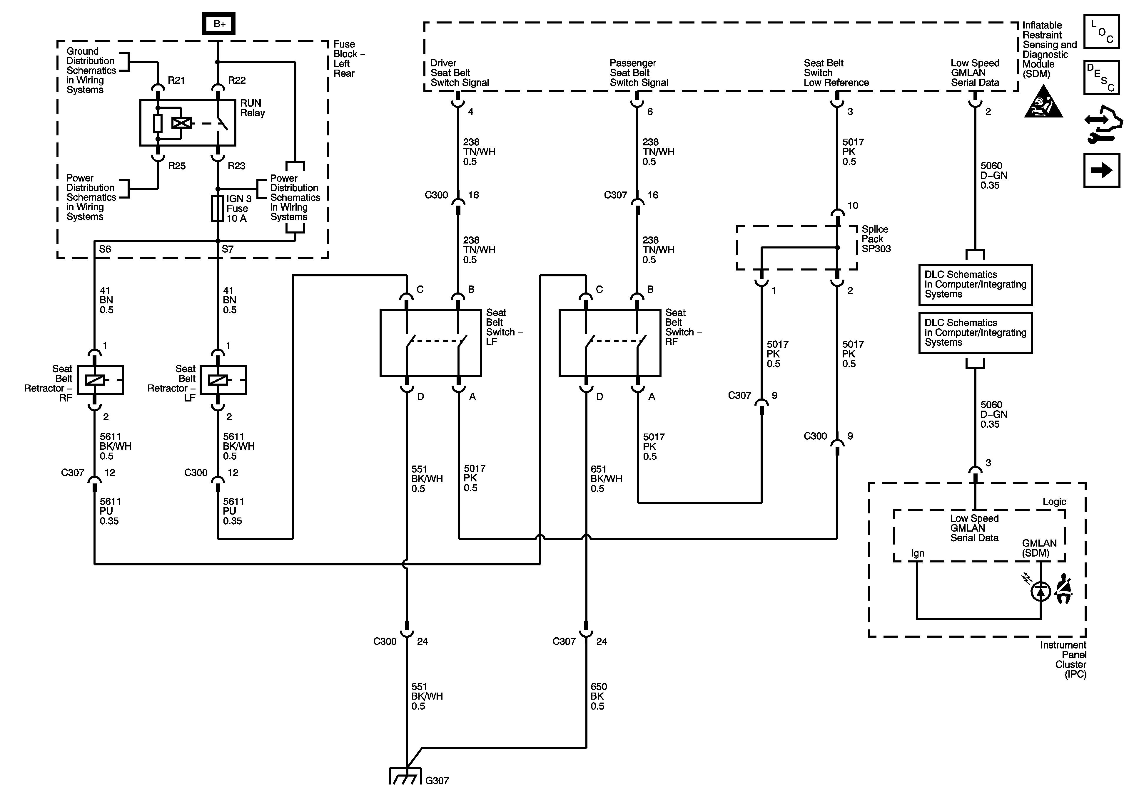
Figure
2:
Seat Belts Indicator
Master Electrical Component List
Seat Belt System Description and Operation
Control Module References
Seat Belt Schematics
Fuse Block - Right Rear Bussing
GMLAN Low Speed (2 of 2)