GM Service Manual Online
For 1990-2009 cars only
Makes
🢒
Cadillac
🢒
2006
🢒
STS
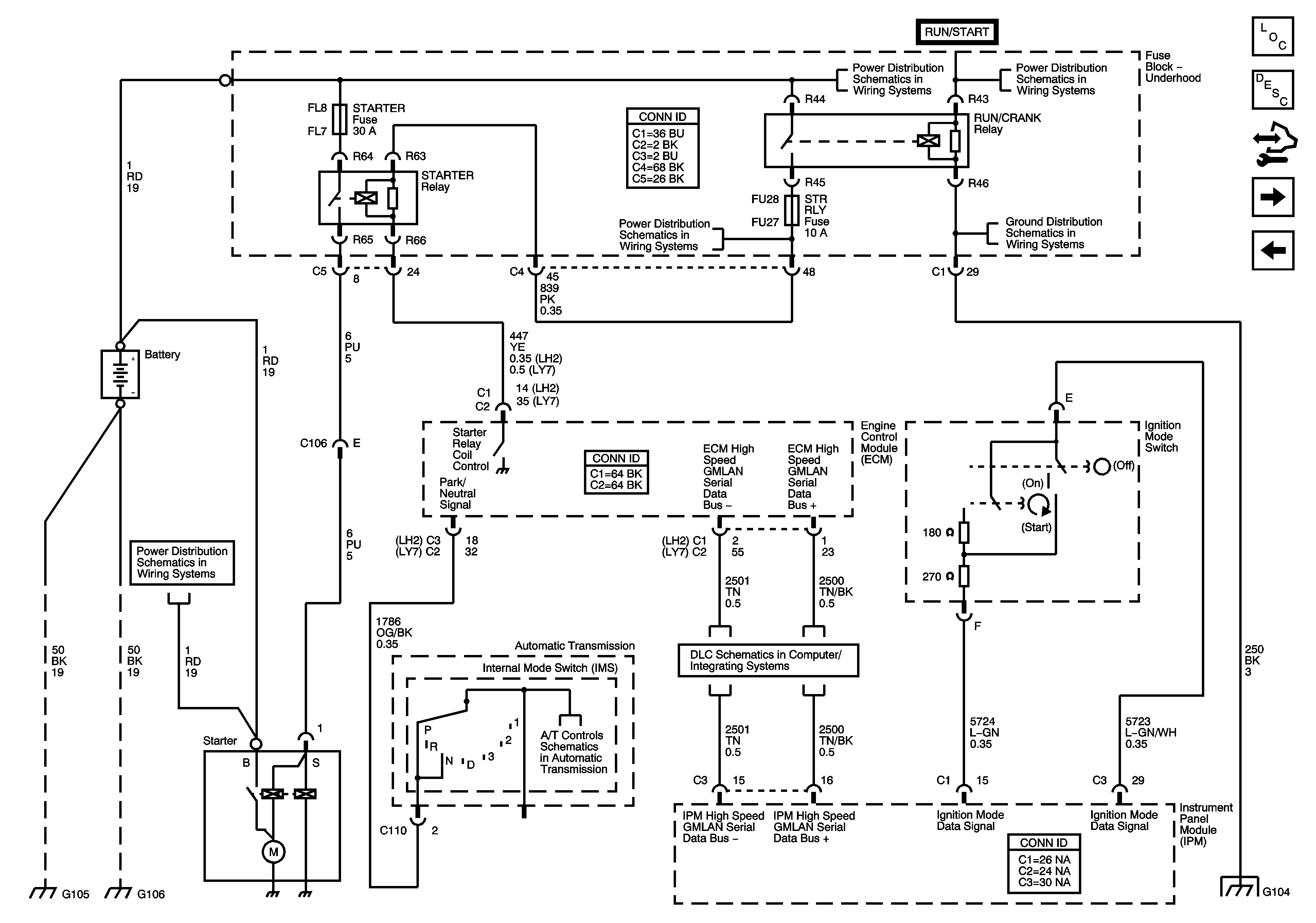
🢒 Starting System - LY7
Starting System - LY7
Starting System - LY7
Master Electrical Component List
Starting System Description and Operation
Control Module References
Hood Ajar Switch
06 STS Charging System
G110, G306, G404, G403, G105, G106
G110, G306, G404, G403, G105, G106
Fuse Block Underhood Bussing
TCM Power, Grounds and DLC
Fuse Block - Underhood: Starter IGN 1 Relays; Starter, Starter Relay, CCP TCM/IPM/ECM, MAF, ABS and Washer Nozzle/ACC Fuses
Data Link Connector Schematics
Fuse Block Underhood Bussing
Fuse Block Right Rear: LT Turn Signal, RIM(1), Rear Fog Lamp, FT Passenger Door Module, Heated Steering Column, IGN 1, RIM(2) and Airbag Fuses; Rear Fog Lamp and IGN 1 Relays
G104 (1 of 2)
G104 (1 of 2)