GM Service Manual Online
For 1990-2009 cars only

Removal Procedure


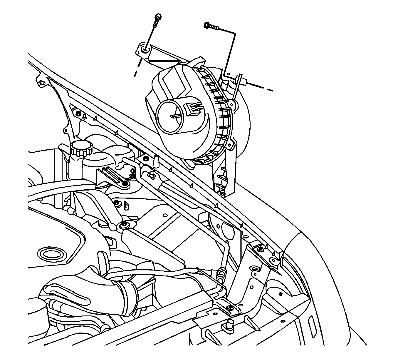
    Object Number: 1614080  Size: SH
  1. Remove the air cleaner outlet duct from the vehicle. Refer to Air Cleaner Outlet Duct Replacement .
  2. Disconnect the mass air flow (MAF)/intake air temperature (IAT) sensor electrical connector.
  3. Remove the MAF/IAT sensor if necessary. Refer to Mass Airflow Sensor/Intake Air Temperature Sensor Replacement .
  4. Remove the coolant hose from the retaining feature on the top of the air cleaner assembly. Position the hose aside.

  5. Object Number: 1613994  Size: SH
  6. Disengage the air cleaner housing splash shield clip (1).
  7. Remove the bolts securing the air cleaner housing to the vehicle (2,3).

  8. Object Number: 1614072  Size: SH
  9. Remove the air cleaner housing from the vehicle. If necessary, remove the air cleaner housing splash shield.

Installation Procedure

Important: An improperly installed air cleaner or a distorted or missing intake air duct may cause a diagnostic trouble code (DTC) to set. Ensure that the air cleaner assembly and intake air duct is installed correctly and that there are no kinks or folds in the intake air duct. Debris in the air cleaner assembly or MAF sensor inlet screen, that may distort air flow can set a DTC.


    Object Number: 1613994  Size: SH
  1. Install the air cleaner housing splash shield to the vehicle if previously removed.
  2. Install the air cleaner assembly into the vehicle.
  3. Notice: Refer to Fastener Notice in the Preface section.

  4. Install the air cleaner assembly bolts (1,2).
  5. Tighten
    Tighten the air cleaner assembly bolts to 10 N·m (89 lb in).

  6. Install the air cleaner housing splash shield clip (1).
  7. Install the coolant hose to the retaining feature on the top of the air cleaner assembly.
  8. Install the MAF/IAT sensor if previously removed. Refer to Mass Airflow Sensor/Intake Air Temperature Sensor Replacement .
  9. Connect the MAF/IAT sensor electrical connector.

  10. Object Number: 1614080  Size: SH
  11. Install the air cleaner outlet duct. Refer to Air Cleaner Outlet Duct Replacement .