GM Service Manual Online
For 1990-2009 cars only
Makes
🢒
Cadillac
🢒
2007
🢒
STS
🢒
Suspension
🢒
Automatic Level Control
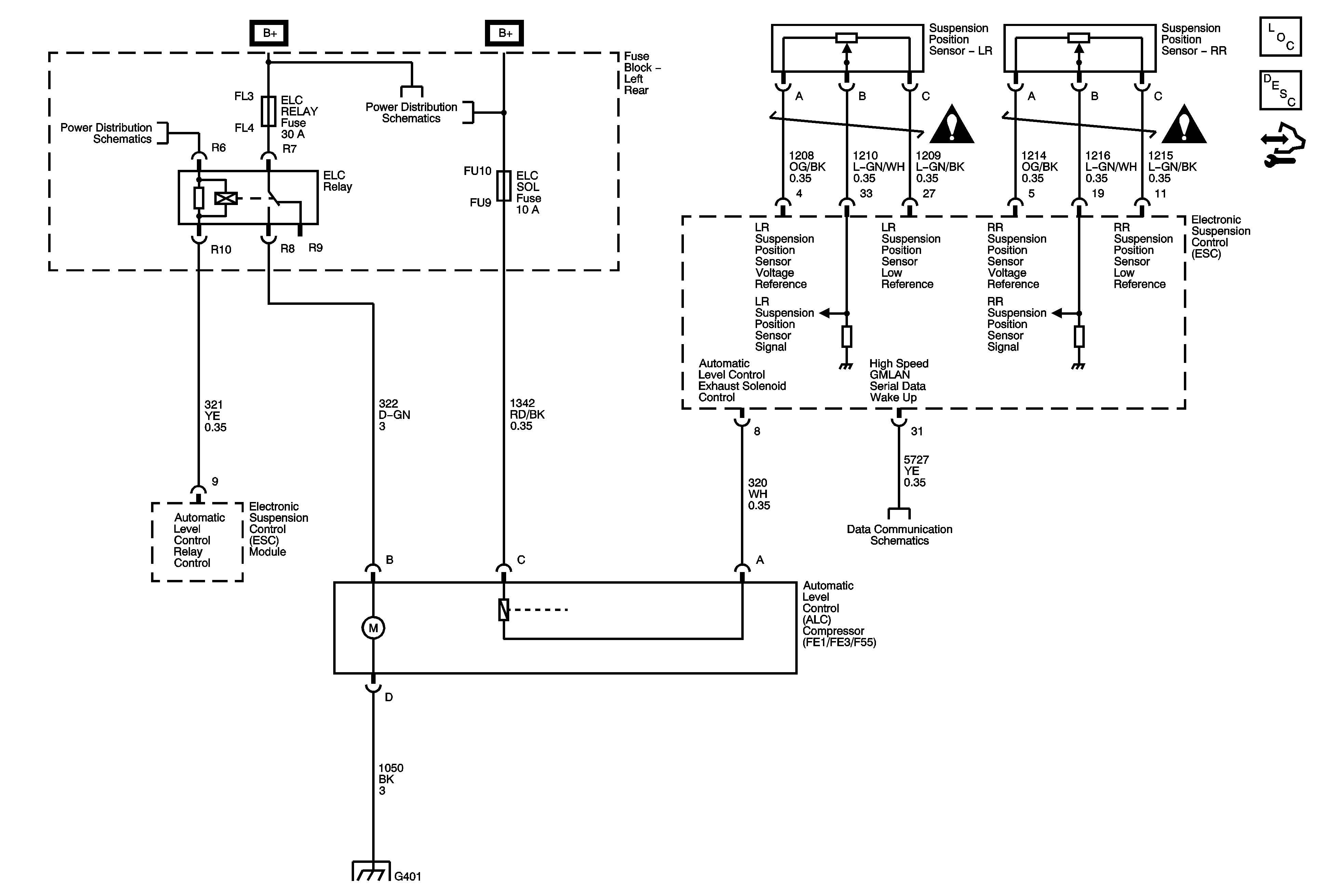
🢒 Automatic Level Control Schematics
Automatic Level Control Suspension
Master Electrical Component List
Automatic Level Control Description and Operation (w/ F55)
Control Module References
Fuse Block - Left Rear - Ign 3 Relay, Ign 3, Rear Heated Seat, Memory, Airbag and Rear Shelf Speaker Fuses
Fuse Block - Left Rear Bussing
GM LAN - High Speed Serial Data Wake Up
Automatic Level Control Schematic Icons
Automatic Level Control Schematic Icons