GM Service Manual Online
For 1990-2009 cars only
Figure 1:

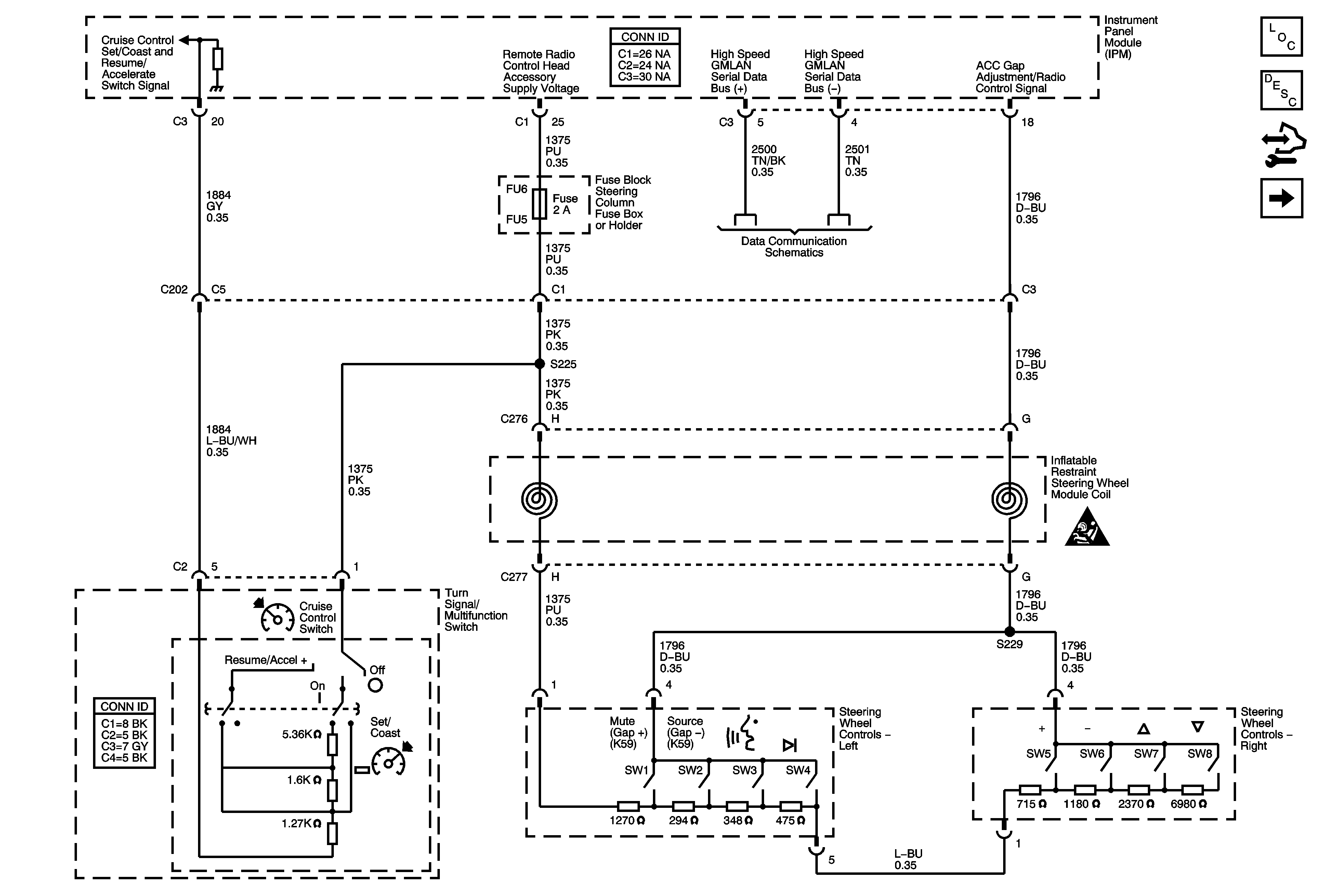
Cruise Control Switch, Steering Wheel Controls


Object Number: 1820321  Size: FS
Master Electrical Component List
Cruise Control Description and Operation (Conventional Cruise Control)
Control Module References
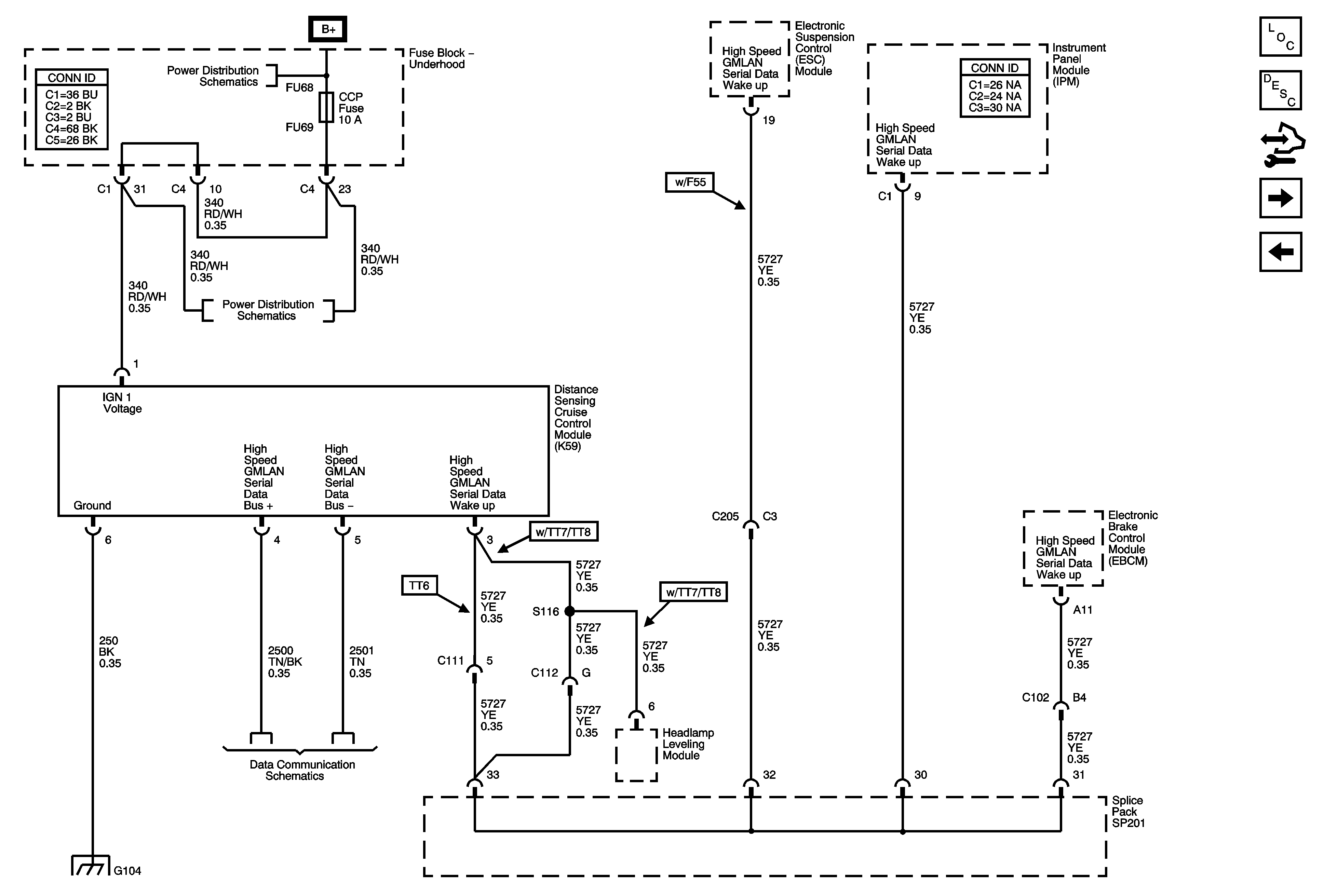
Distance Sensing Cruise Ccntrol Module - K59
GM LAN - High Speed, Domestic w/ UE1
Cruise Control Schematic Icons
Figure 2:

Distance Sensing Cruise Control Module - K59


Object Number: 1820323  Size: FS
Master Electrical Component List
Cruise Control Description and Operation (Conventional Cruise Control)
Control Module References
DLC, Brake Pedal Position Sensor
Cruise Control Switch, Steering Wheel Controls
Fuse Block - Underhood Fuses/Relays: IPM/ALDL, Auto Headlamp Dimming, CCP, ECM/TCM, WPR MOD, WPR SW/VICS and Rain Sensor/HDLP Wash Fuses; ACC Relay
Fuse Block - Underhood Fuses/Relays: IPM/ALDL, Auto Headlamp Dimming, CCP, ECM/TCM, WPR MOD, WPR SW/VICS and Rain Sensor/HDLP Wash Fuses; ACC Relay
GM LAN - High Speed, Domestic w/ UE1, K59, F55
G104 (2 of 2)
Figure 3:

DLC, Brake Pedal Position Sensor


Object Number: 1820325  Size: FS
Master Electrical Component List
Cruise Control Description and Operation (Conventional Cruise Control)
Control Module References
Distance Sensing Cruise Ccntrol Module - K59
GM LAN - High Speed, Domestic w/ UE1
GM LAN - Low Speed 1 of 2
GM LAN - High Speed, Domestic w/ UE1, K59, F55
Engine Data Sensors - Electronic Throttle Controls
Engine Data Sensors - Electronic Throttle Controls