GM Service Manual Online
For 1990-2009 cars only

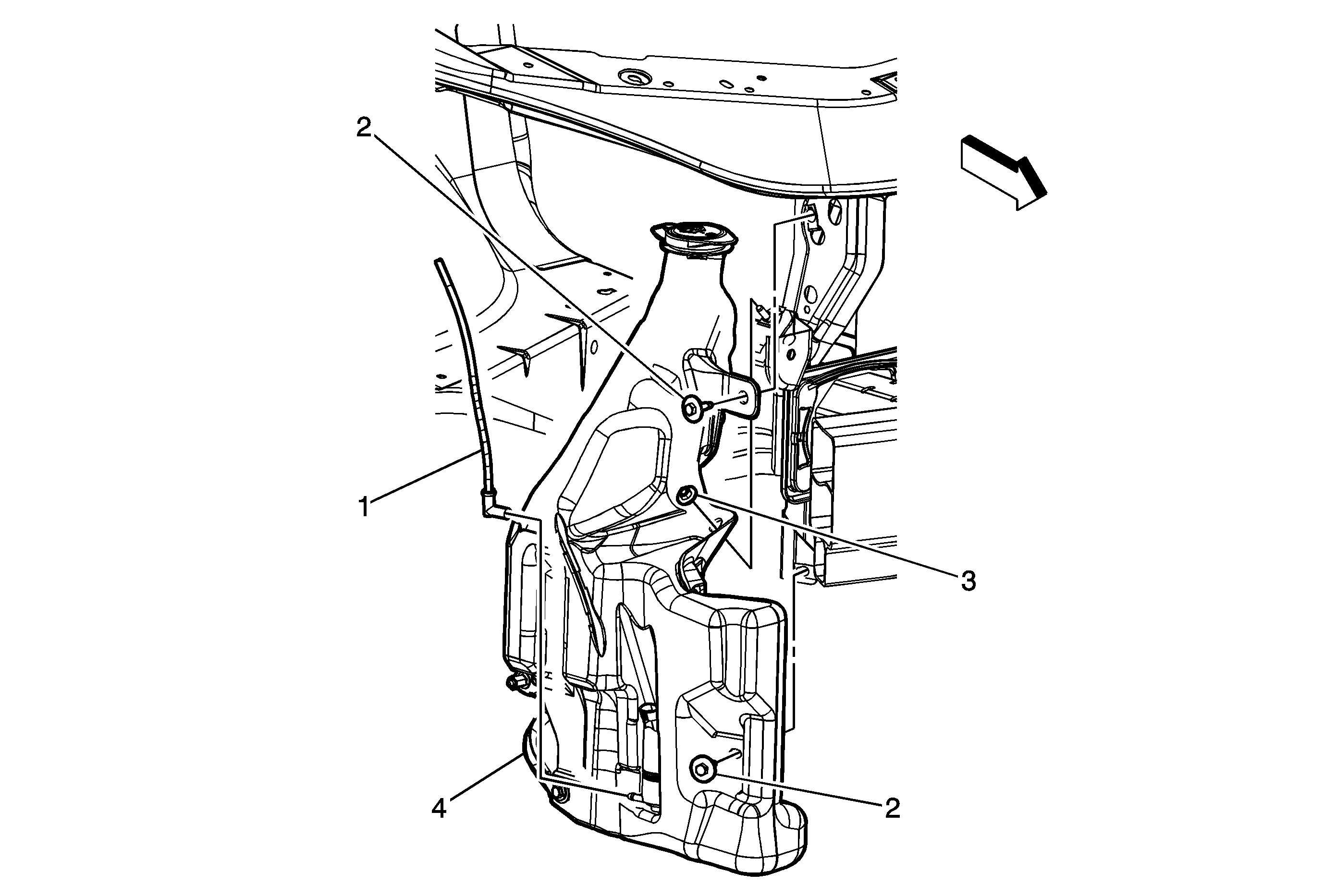
Windshield Washer Solvent Container Replacement w/o CE4


Object Number: 1829323  Size: MF

Callout

Component Name

Preliminary Procedure

  1. Remove the front fascia extension in order to access the washer container connections. Refer to Front Bumper Fascia Extension Replacement .
  2. Drain the windshield washer solvent into a suitable clean container.
  3. Disconnect the forward harness electrical connectors from the washer container.

1

Windshield Washer Solvent Hose

2

Washer Container Screws (Qty: 3)

Notice: Refer to Fastener Notice in the Preface section.

Tighten
6 N·m (53 lb in)

3

Washer Container Nut

Tighten
6 N·m (53 lb in)

4

Windshield Washer Solvent Container

Tip
Lift the container from the stud on the tie bar reinforcement outer panel and lower the washer container from the vehicle.

Windshield Washer Solvent Container Replacement w/CE4


Object Number: 1829332  Size: MF

Callout

Component Name

Preliminary Procedure

  1. Remove the front bumper fascia in order to access and remove the windshield washer container. Refer to Front Bumper Fascia Replacement .
  2. Drain the windshield washer solvent into a suitable clean container.
  3. Disconnect the forward lamp harness electrical connectors from the washer container.

1

Windshield Washer Solvent Hose

2

Headlamp Washer Solvent Pump Hose

3

Washer Container Screws (Qty: 3)

Notice: Refer to Fastener Notice in the Preface section.

Tighten
6 N·m (53 lb in)

4

Washer Container Nut

Tighten
6 N·m (53 lb in)

5

Windshield Washer Solvent Container

Tip

    • Lift the container from the stud on the tie bar reinforcement outer panel and lower the washer container from the vehicle.
    • Transfer parts as needed.