GM Service Manual Online
For 1990-2009 cars only
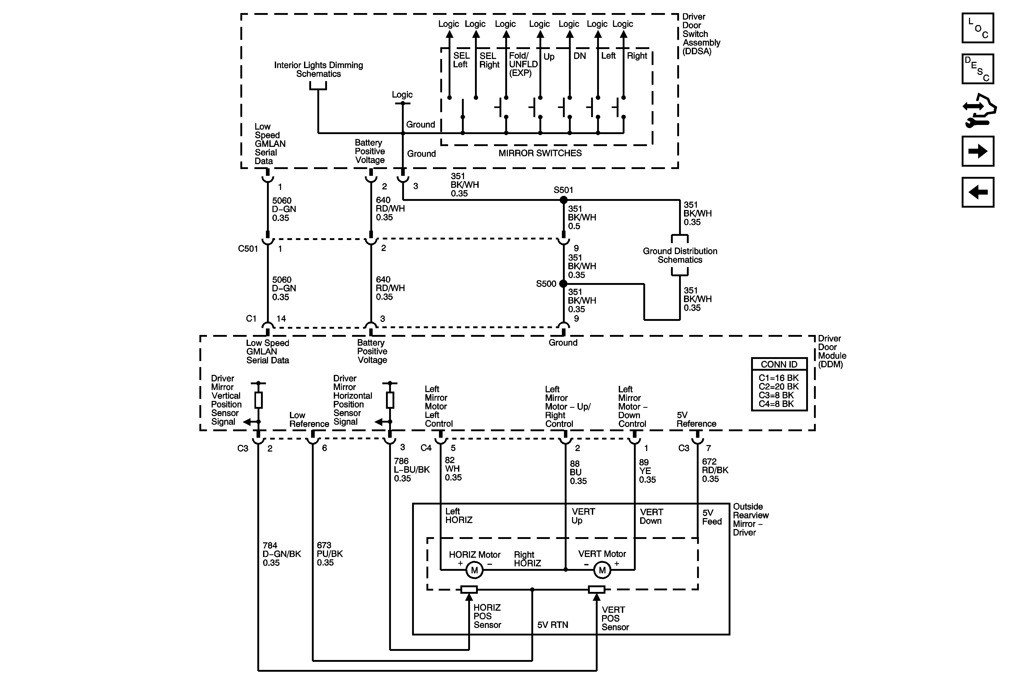
Figure 1:

Driver and Passenger Side Outside Mirrors


Object Number: 1822674  Size: FS
Master Electrical Component List
Outside Mirror Description and Operation
Control Module References
Driver Side Outside Mirror w/ Memory
GM LAN - Low Speed 1 of 2
Dimming 3 of 3
G200 (1 of 2)
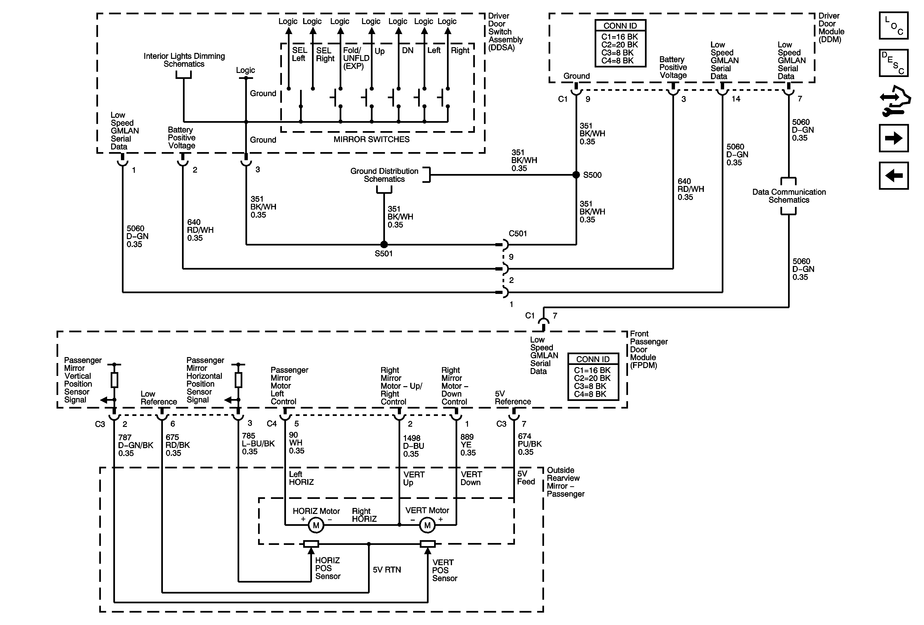
Figure 2:

Driver Side Outside Mirror w/Memory


Object Number: 1822680  Size: FS
Master Electrical Component List
Outside Mirror Description and Operation
Control Module References
Front Passenger Side Outside Mirror w/ Memory
Driver and Passenger Side Outside Mirrors
Dimming 3 of 3
G200 (1 of 2)
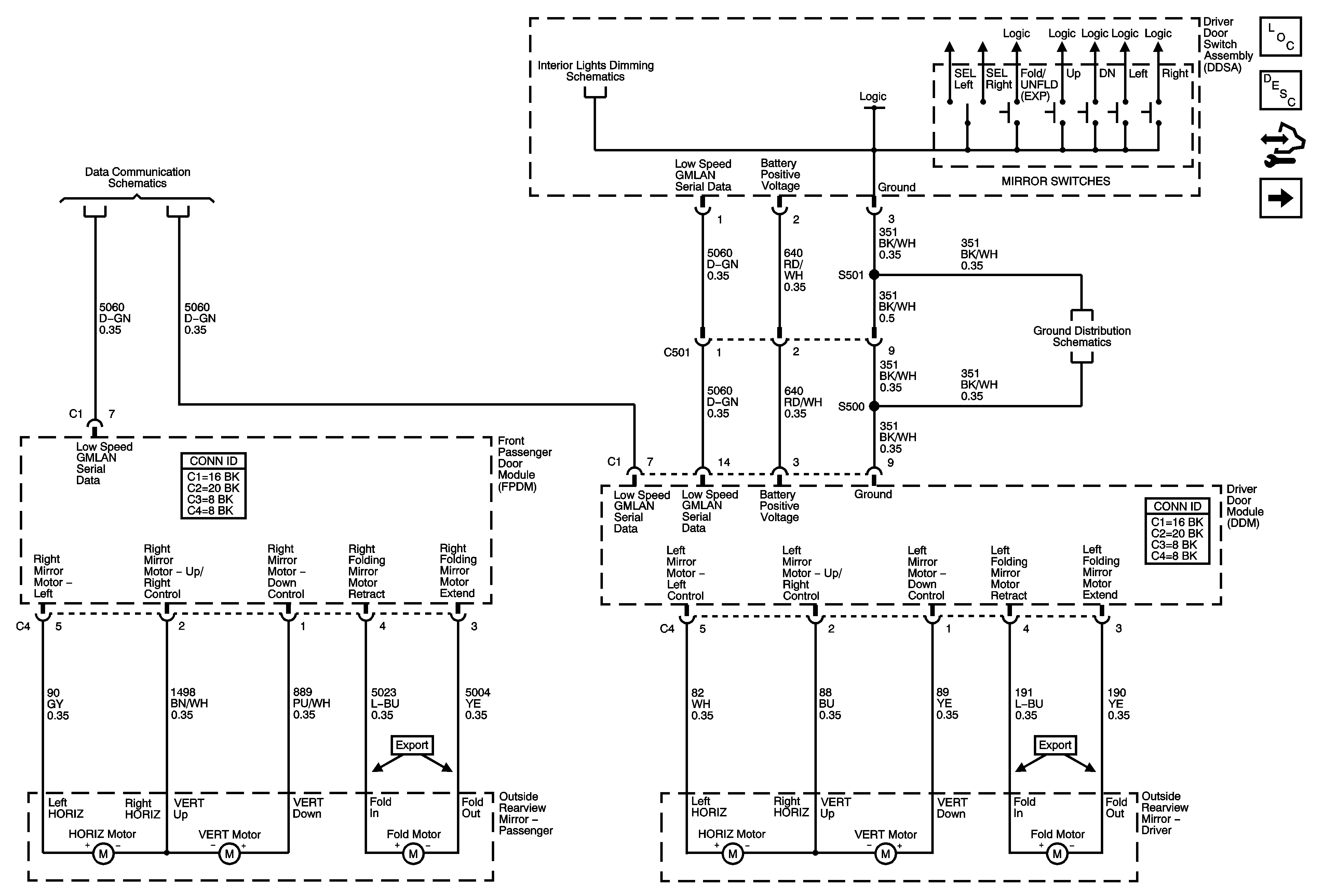
Figure 3:

Front Passenger Side Outside Mirror w/Memory


Object Number: 1822689  Size: FS
Master Electrical Component List
Outside Mirror Description and Operation
Control Module References
Heated Mirrors
Driver Side Outside Mirror w/ Memory
Dimming 3 of 3
G200 (1 of 2)
GM LAN - Low Speed 1 of 2
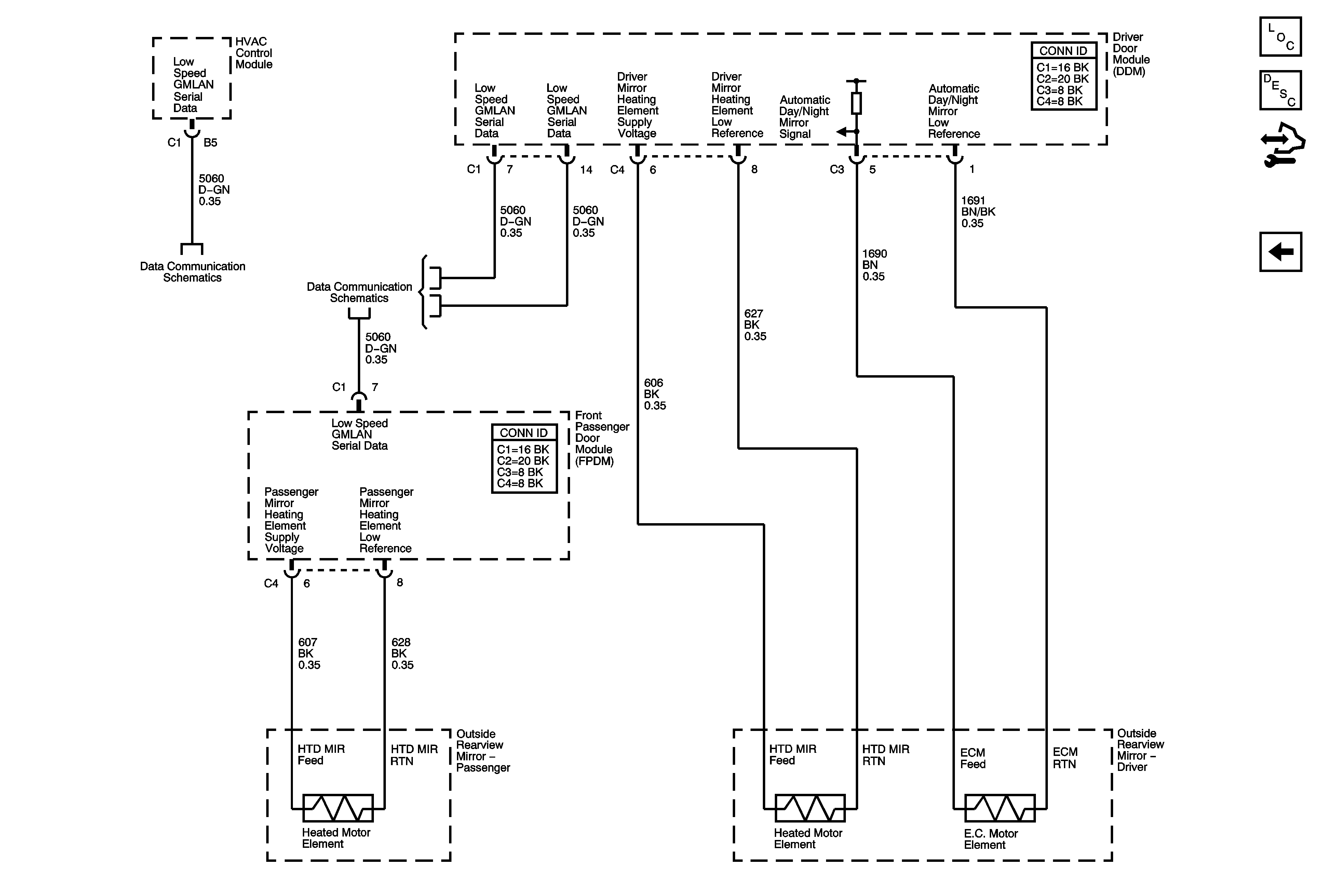
Figure 4:

Heated Mirrors


Object Number: 1822698  Size: FS
Master Electrical Component List
Outside Mirror Description and Operation
Control Module References
Front Passenger Side Outside Mirror w/ Memory
GM LAN - Low Speed 2 of 2
GM LAN - Low Speed 1 of 2