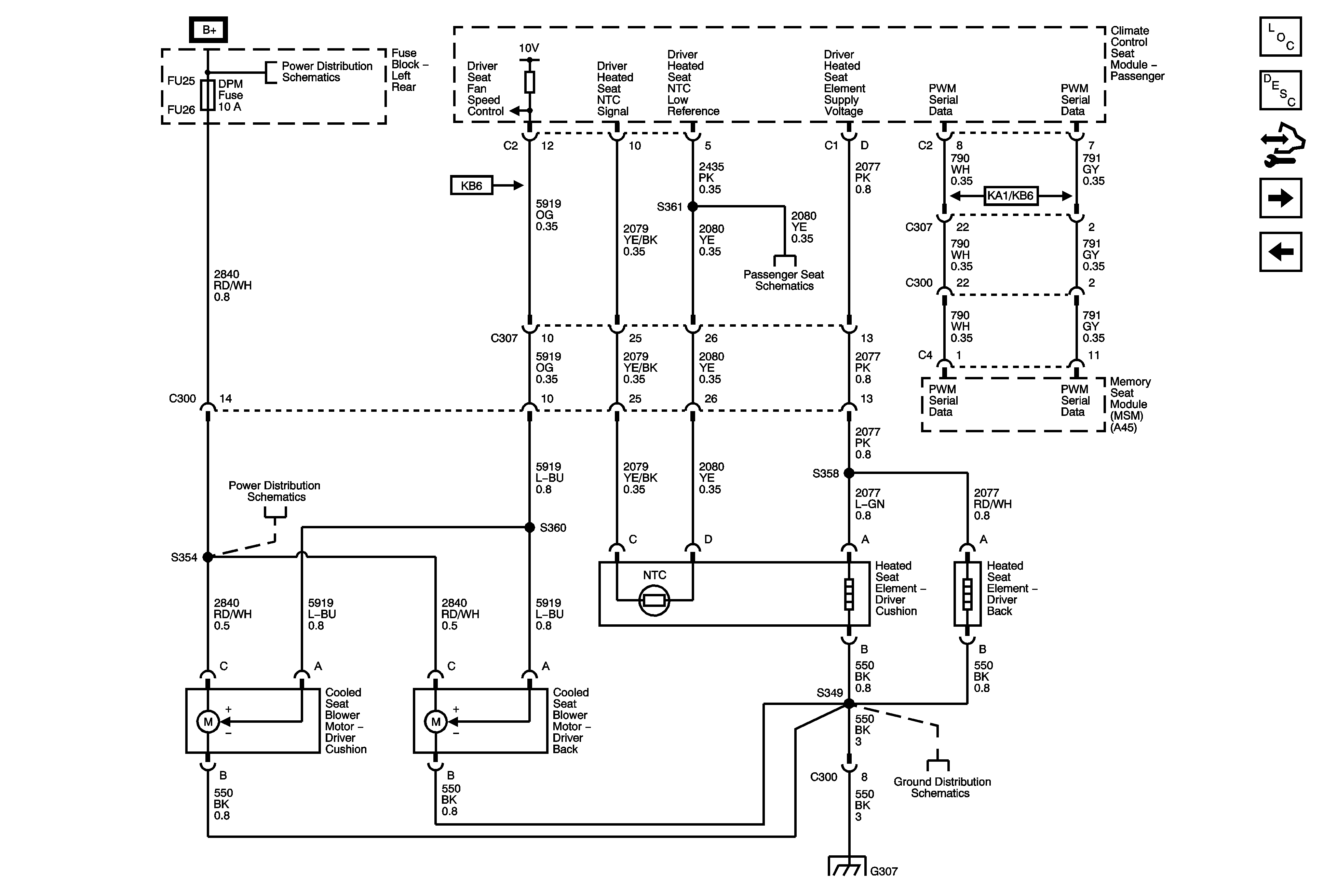
| Figure 1: |
Driver Heated Seat
|
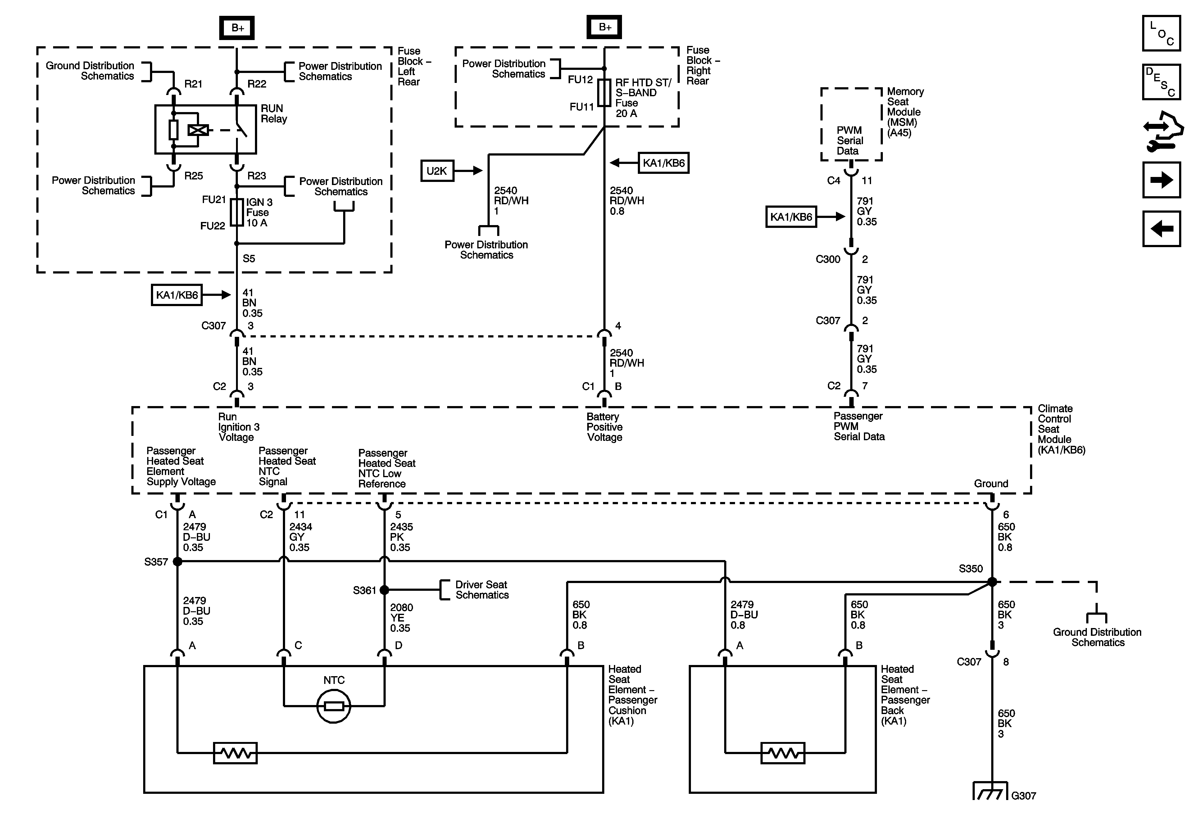
| Figure 2: |
Driver Heated/Cooled Seat
|
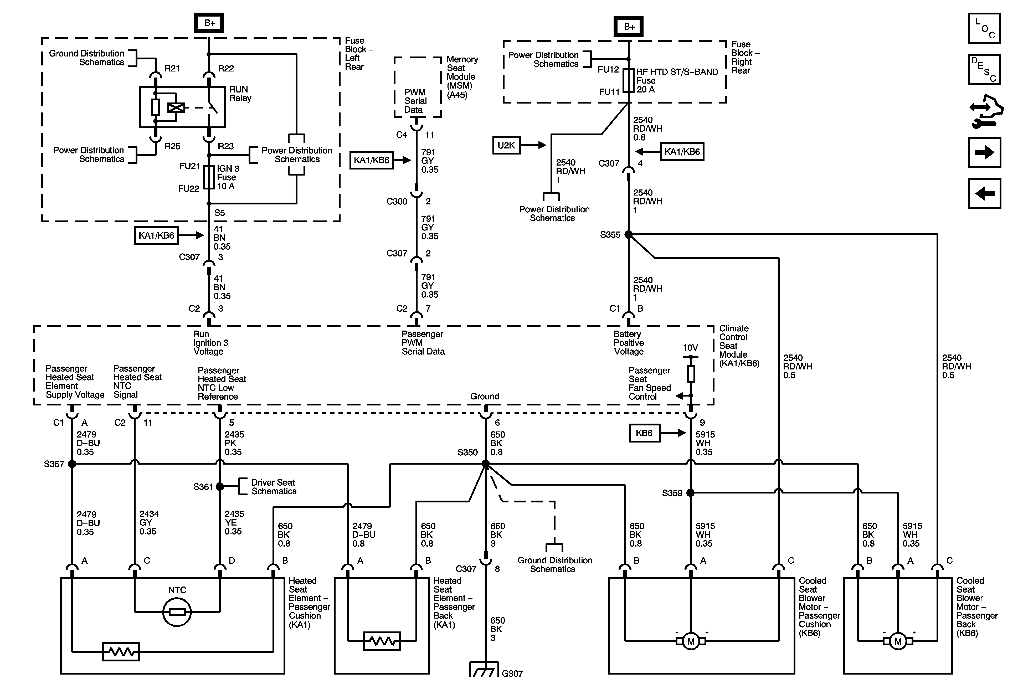
| Figure 3: |
Front Passenger Heated Seat
|
| Figure 4: |
Front Passenger Heated/Cooled Seat
|
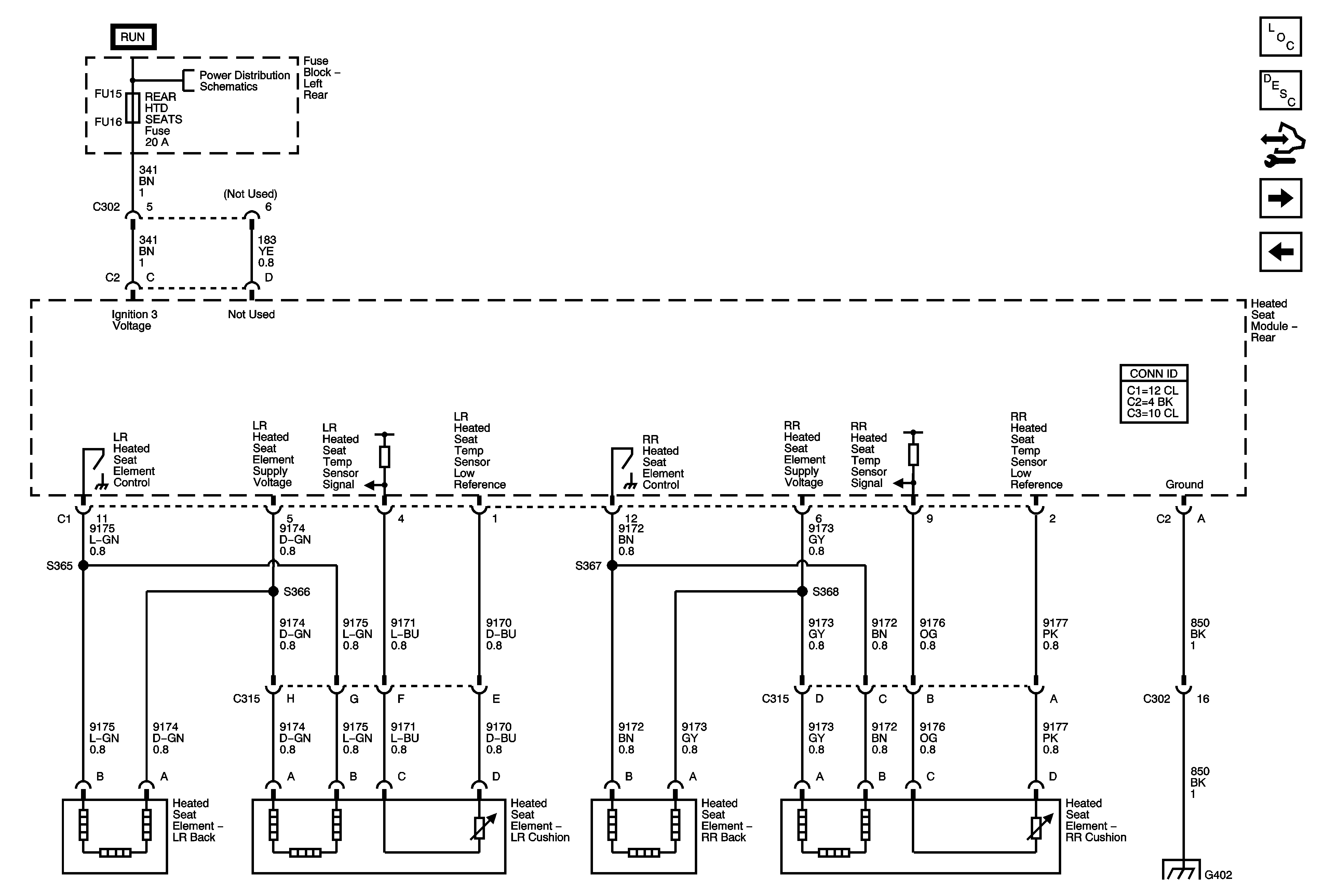
| Figure 5: |
Right Rear Heated Seat Elements
|
| Figure 6: |
Left Rear Heated Seat Controls
|