GM Service Manual Online
For 1990-2009 cars only
Makes
🢒
Cadillac
🢒
2007
🢒
STS
🢒
Safety and Security
🢒
Seat Belts
🢒 Seat Belt Schematics
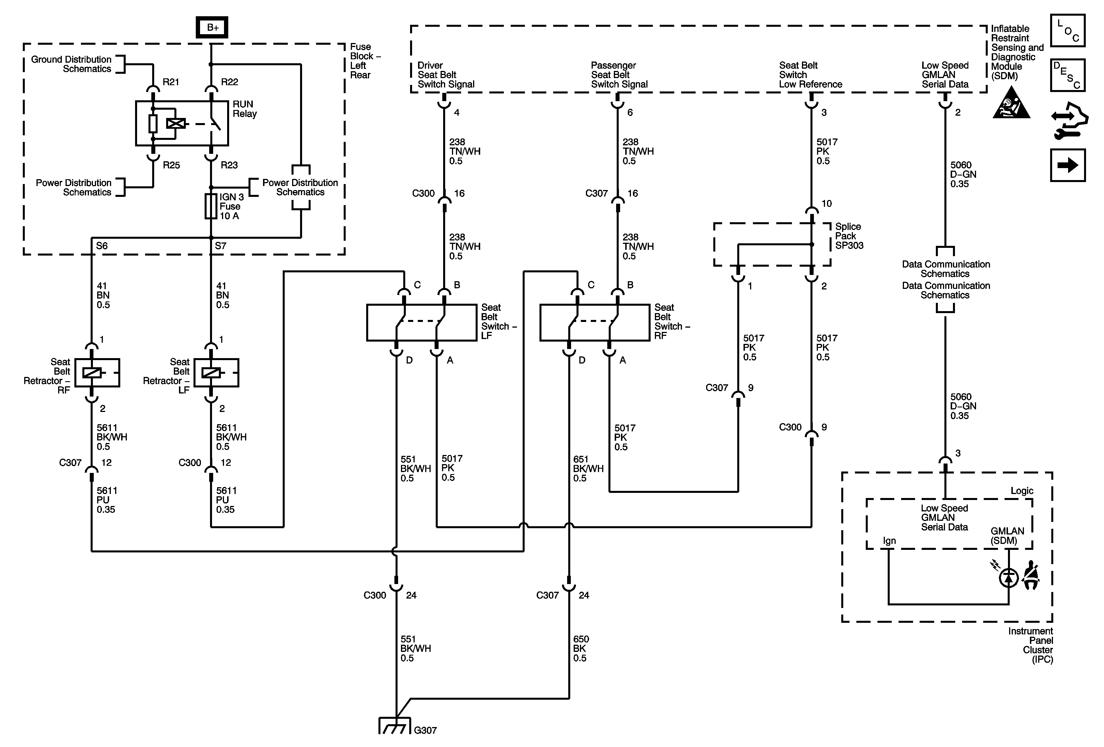
Figure
1:
Power, Ground, Seat Belt Retractors, and Seat Belt Switch
Master Electrical Component List
Seat Belt System Description and Operation
Control Module References
Seat Belt Indicator
G402 (1 of 2)
Fuse Block - Left Rear - Ign 3 Relay, Ign 3, Rear Heated Seat, Memory, Airbag and Rear Shelf Speaker Fuses
Fuse Block - Left Rear Bussing
G307 (LHD)
GM LAN - Low Speed 1 of 2
GM LAN - Low Speed 2 of 2
Seat Belt Schematic Icons
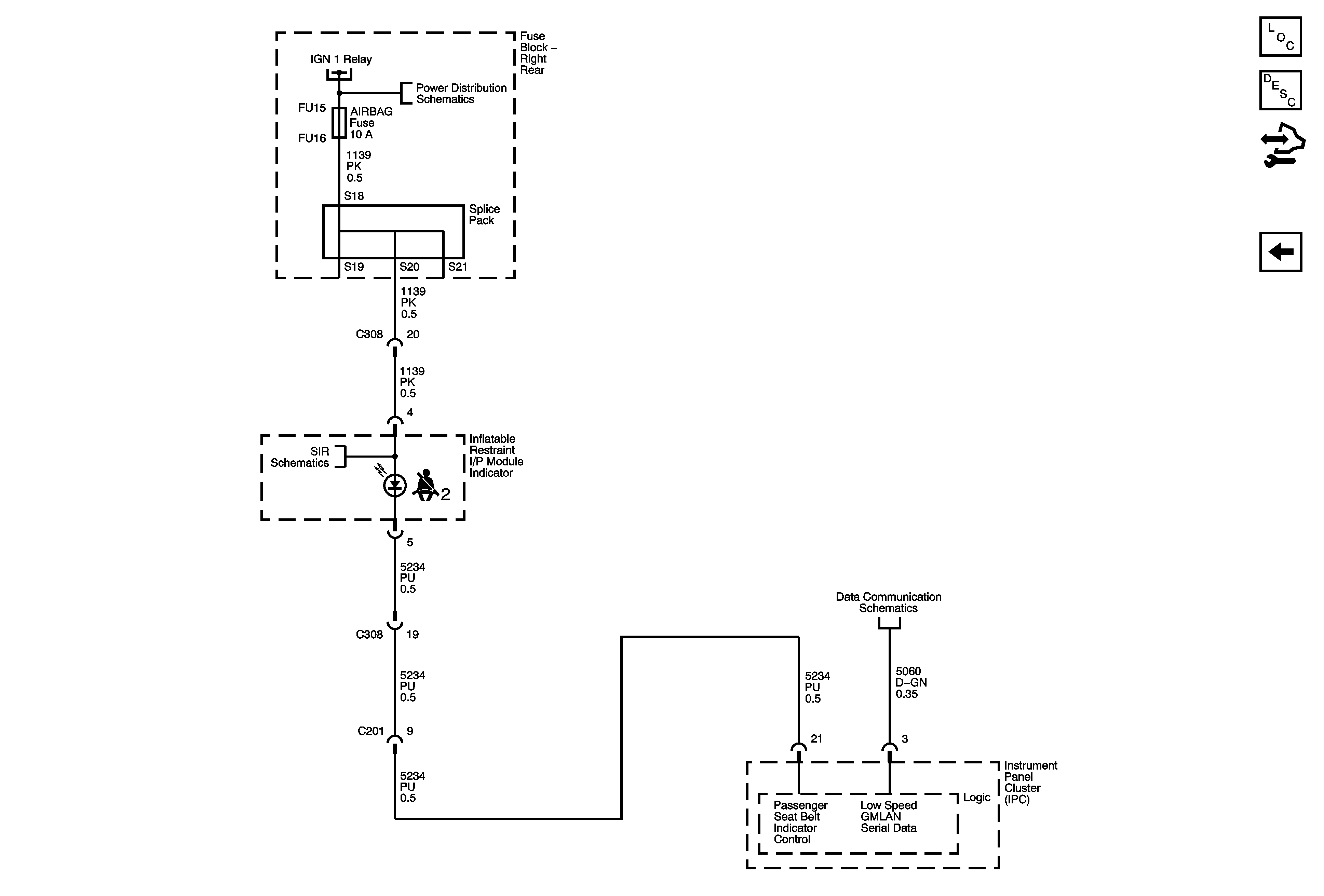
Figure
2:
Seat Belts Indicator
Master Electrical Component List
Seat Belt System Description and Operation
Control Module References
Power, Ground, Seat Belt Retractors, Seat Belt Switch
Fuse Block - Right Rear - Lt Turn Signal, RIM 1, Rear Fog Lamp, Ft Pass Door Module, Htd Stg Clm, IGN 1, RIM 2 and Airbag Fuses, Rear Fog Lamp and Ign 1 Relays
Power, Ground, DLC, Indicator and Front End Sensors
GM LAN - Low Speed 2 of 2