GM Service Manual Online
For 1990-2009 cars only
Makes
🢒
Cadillac
🢒
2007
🢒
STS
🢒 Cooling Fans
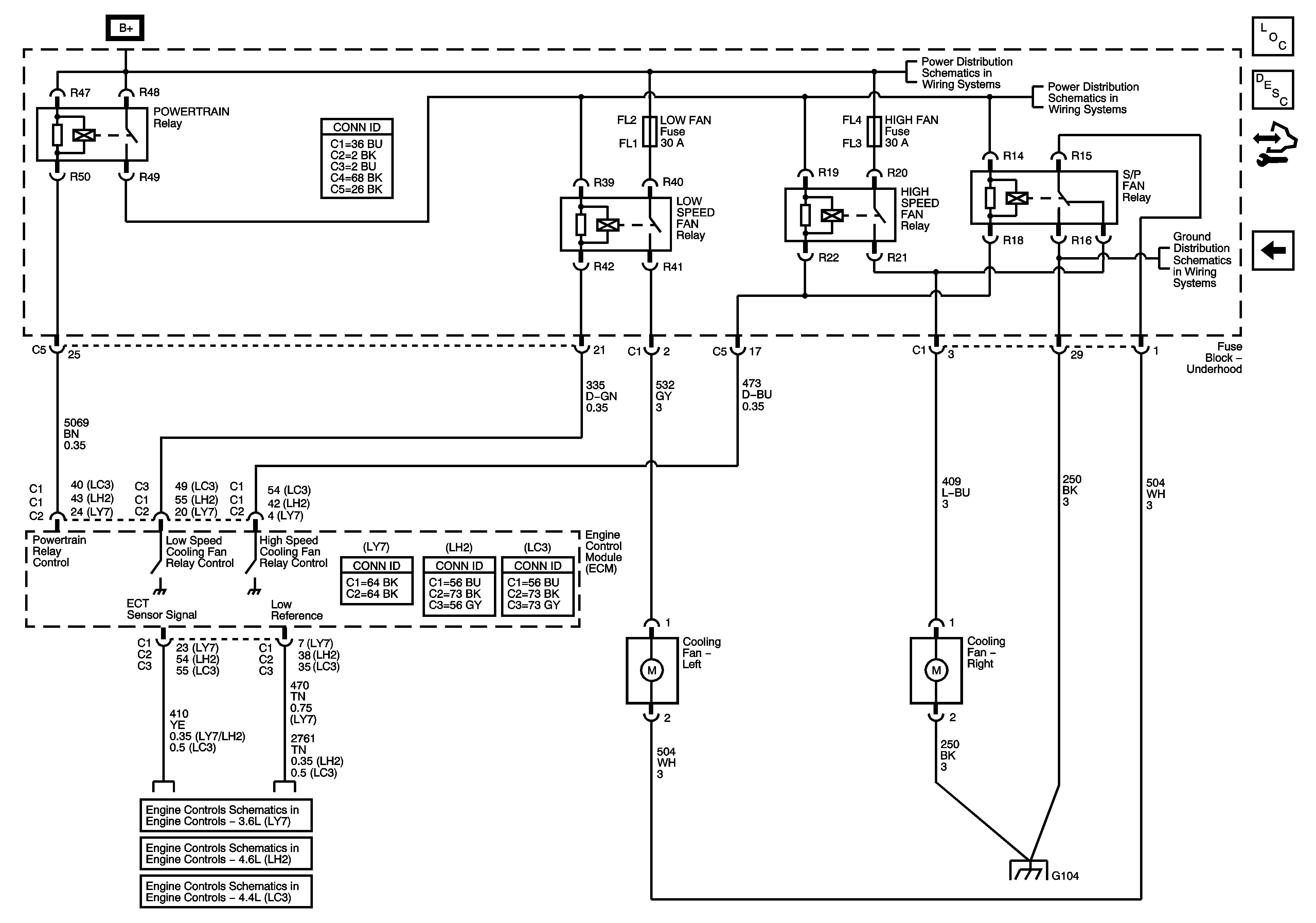
Cooling Fans
Cooling Fans
Master Electrical Component List
Cooling System Description and Operation
Control Module References
Coolant Level Switch and After Boil Coolant Pump w/ LH2/V92/V03
Engine Data Sensors - Pressure, Temperature, MAF, VSS
Engine Data Sensors - Pressure, Temperature, MAF, VSS
Engine Data Sensors - Pressure, Temperature, MAF, VSS
G104 (1 of 2)
G104 (1 of 2)
Fuse Block Underhood Bussing
Fuse Block Underhood Bussing