GM Service Manual Online
For 1990-2009 cars only
Makes
🢒
Cadillac
🢒
2007
🢒
STS
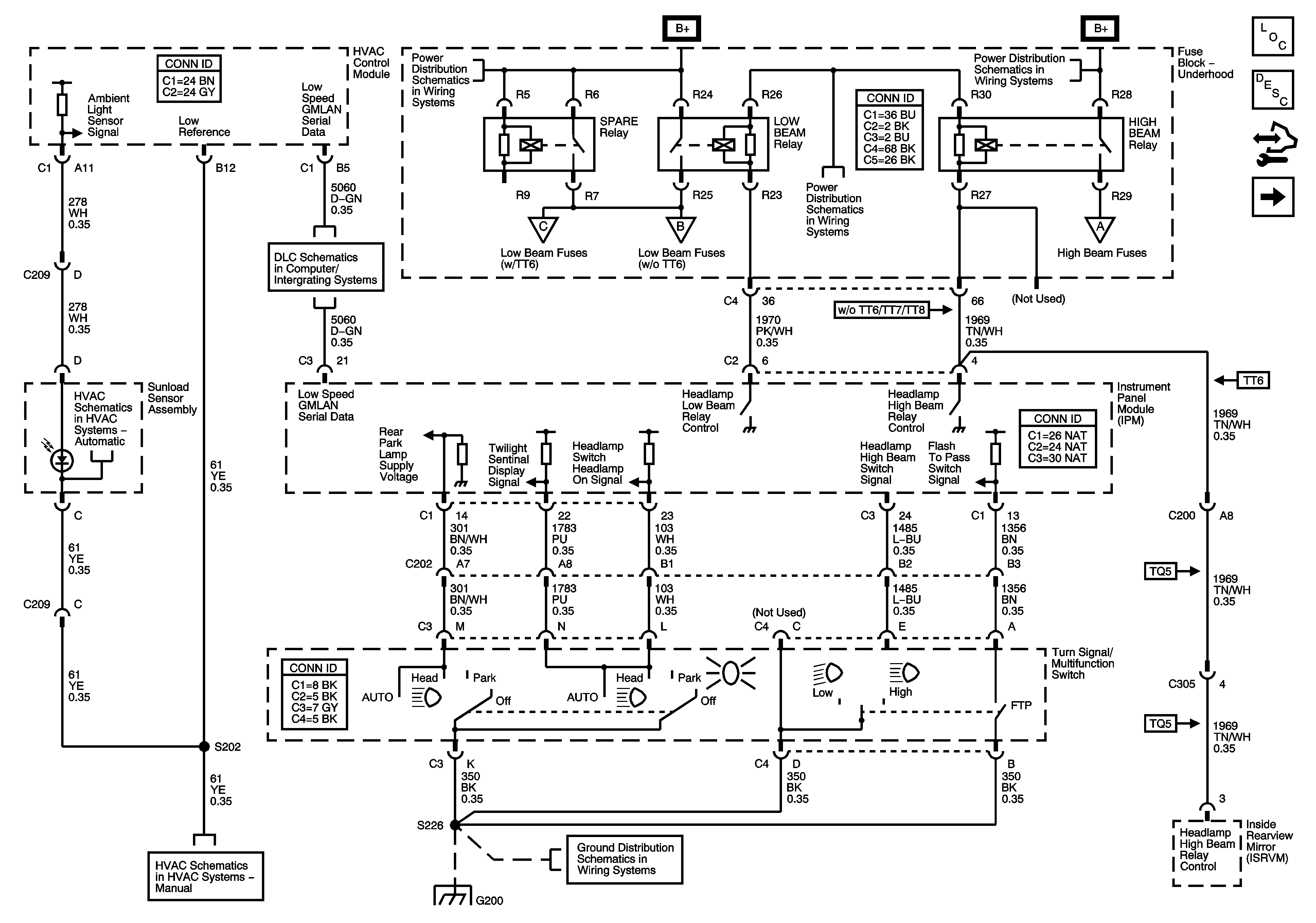
🢒 Headlamp Switch, Ambient Light Sensor and DLC
Headlamp Switch, Ambient Light Sensor and DLC
Headlamp Switch, Ambient Light Sensor, DLC
Master Electrical Component List
Exterior Lighting Systems Description and Operation
Control Module References
Headlamps w/ and w/o TT7/TT8
Fuse Block Underhood Bussing
Fuse Block - Underhood: Low Beam, Hi Beam, Power Outlet and Spare Relays; Volt Check, EBCM, LT Lo Beam, RT Lo Beam, RT Hi Beam, LT Hi Beam, I/P Outlet and Outlet Fuses
GMLAN Low Speed (2 of 2)
DLC, Temperature Controls, Sunload Sensor
Headlamps w/ TT6, Automatic Headlamp Dimming Relay
Headlamps w/ and w/o TT7/TT8
Fuse Block Underhood Relays/Fuses: Park Lamp Relay, RT Park Fuse, Tilt/LK/LMP/CLM Relay Coils Fuse
Headlamps w/ and w/o TT7/TT8
Power, Ground, Blower Motor, Recirculation Actuator
G200 (2 of 2)
G200 (2 of 2)