GM Service Manual Online
For 1990-2009 cars only
Makes
🢒
Cadillac
🢒
2007
🢒
STS
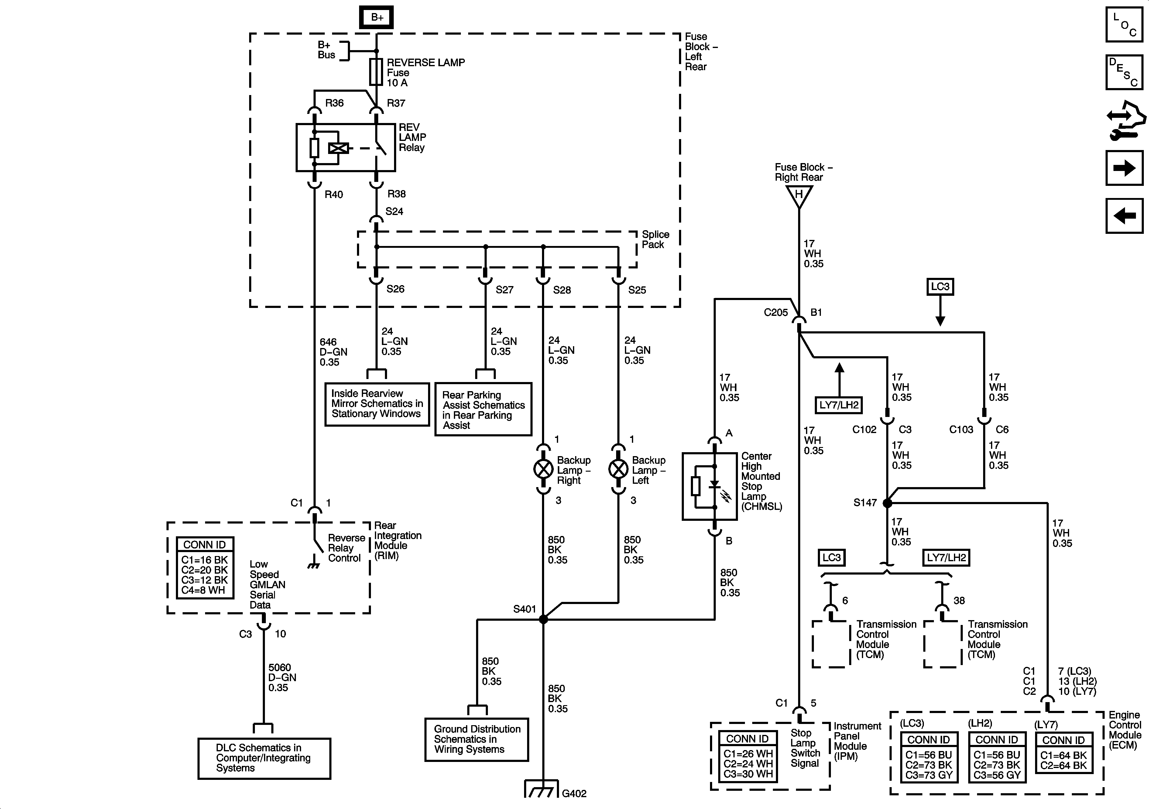
🢒 Backup Lamps, CHMSL - Domestic and Export
Backup Lamps, CHMSL - Domestic and Export
Backup Lamps, CHMSL - Domestic, Export
Master Electrical Component List
Exterior Lighting Systems Description and Operation
Control Module References
Front Turn Signal and Repeater Lamps, Hazard Switch - Domestic and Export
Tail Lamps, Rear Side Marker Lamps - Domestic
Fuse Block Left Rear Bussing
Tail Lamps, Rear Side Marker Lamps - Domestic
Power and Ground
Object Detection
GMLAN Low Speed (1 of 2)
G402 (1 of 2)
G402 (1 of 2)