GM Service Manual Online
For 1990-2009 cars only
Makes
🢒
Cadillac
🢒
2007
🢒
STS
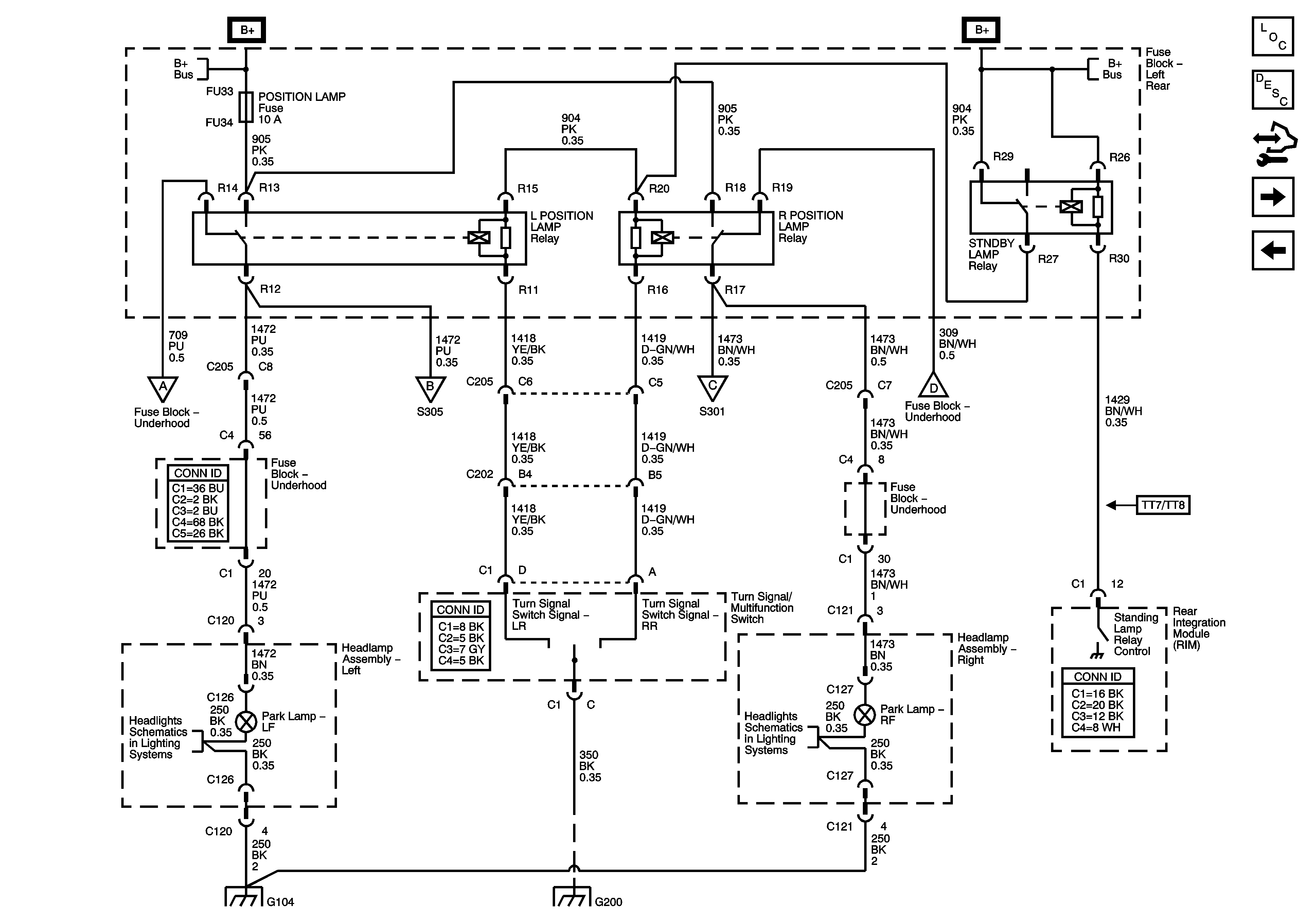
🢒 Front Park Lamps, Rear Turn Signal Switch Signal, Left, Right Position and Standing Lamp Relays - Export
Front Park Lamps, Rear Turn Signal Switch Signal, Left, Right Position and Standing Lamp Relays - Export
Front Park Lamps, Rear Turn Signal SW Signal, LT, RT Position and Standing Lamp Relays - Export
Master Electrical Component List
Exterior Lighting Systems Description and Operation
Control Module References
Tail Lamps, Rear Cornering/Side Marker Lamps - Export
Front Turn Signal and Repeater Lamps, Hazard Switch - Domestic and Export
Fuse Block Left Rear Bussing
Fuse Block Left Rear Bussing
Park Lamp Relay and Switch, License, Front Cornering/Side Marker Lamps and Instrument Cluster - Export
Tail Lamps, Rear Cornering/Side Marker Lamps - Export
Tail Lamps, Rear Cornering/Side Marker Lamps - Export
Park Lamp Relay and Switch, License, Front Cornering/Side Marker Lamps and Instrument Cluster - Export
Headlamps w/ and w/o TT7/TT8
Headlamps w/ and w/o TT7/TT8
G104 (1 of 2)
G200 (2 of 2)