GM Service Manual Online
For 1990-2009 cars only
Makes
🢒
Cadillac
🢒
2007
🢒
STS
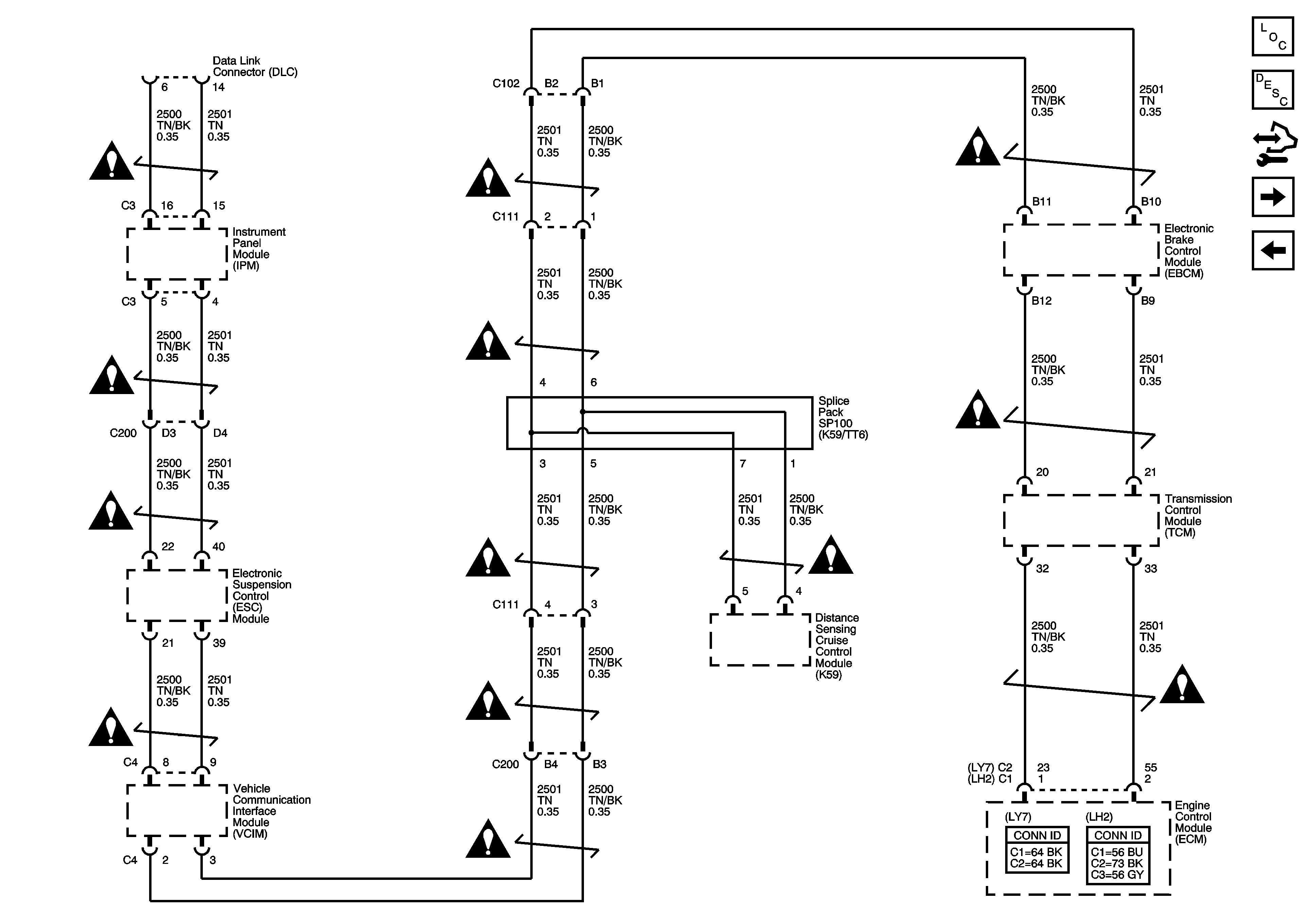
🢒 GMLAN High Speed - Domestic w/ UE1, K59, F55
GMLAN High Speed - Domestic w/ UE1, K59, F55
GMLAN - High Speed, Domestic W/UE1, K59, F55
Master Electrical Component List
Data Link Communications Description and Operation
Control Module References
GMLAN High Speed - Export w/ TT7/TT8
GMLAN High Speed - Domestic w/ UE1 and F55
Computer/Integrating Systems Schematic Icons
Computer/Integrating Systems Schematic Icons
Computer/Integrating Systems Schematic Icons
Computer/Integrating Systems Schematic Icons
Computer/Integrating Systems Schematic Icons
Computer/Integrating Systems Schematic Icons
Computer/Integrating Systems Schematic Icons
Computer/Integrating Systems Schematic Icons
Computer/Integrating Systems Schematic Icons
Computer/Integrating Systems Schematic Icons
Computer/Integrating Systems Schematic Icons
Computer/Integrating Systems Schematic Icons
Computer/Integrating Systems Schematic Icons