GM Service Manual Online
For 1990-2009 cars only
Makes
🢒
Cadillac
🢒
2007
🢒
STS
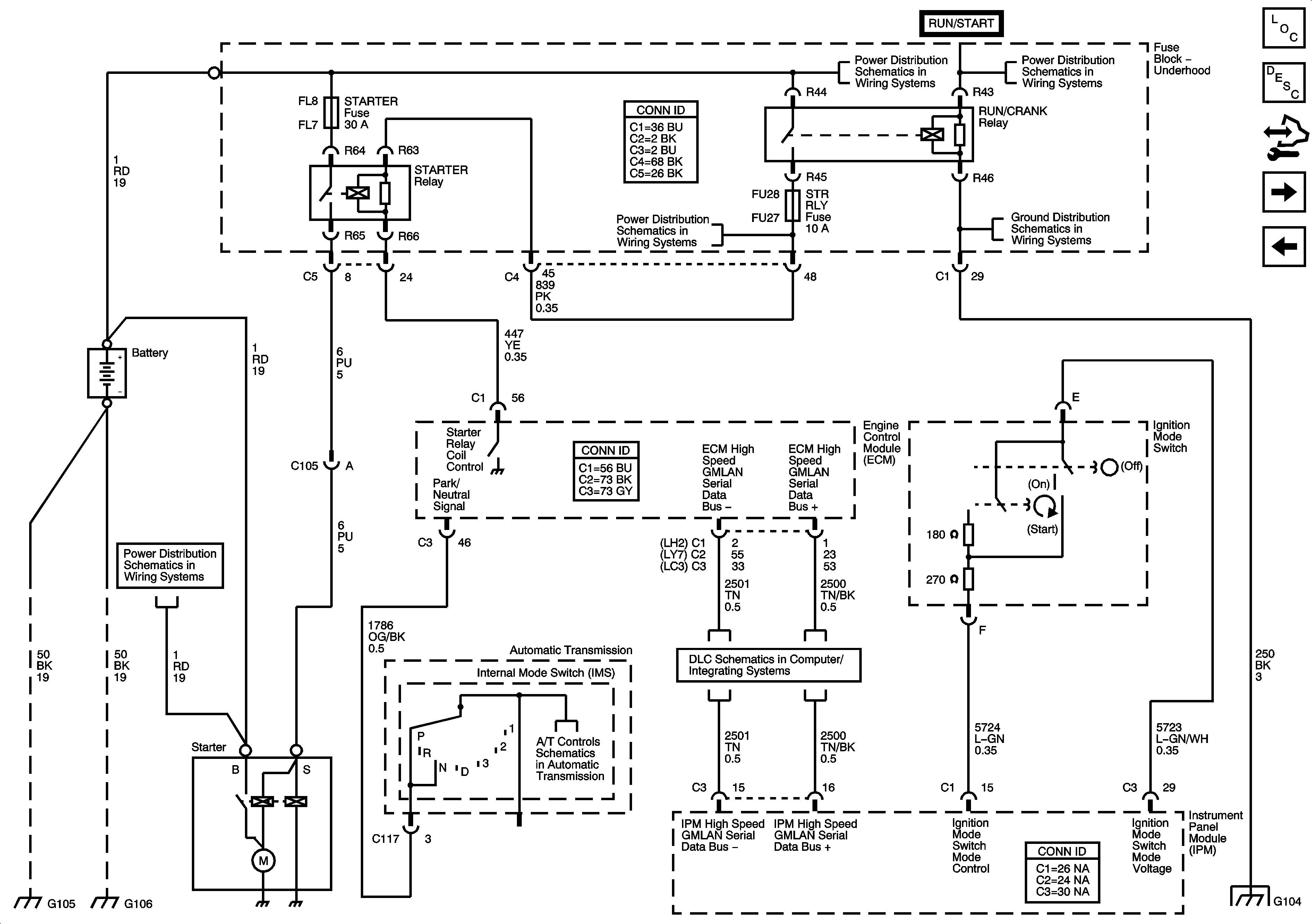
🢒 06 GMX295 Starting and Charging Schematics - Starting System - LC3
06 GMX295 Starting and Charging Schematics - Starting System - LC3
Starting System - LC3
Master Electrical Component List
Starting System Description and Operation
Control Module References
06 STS Charging System
Starting System - LH2
G110, G306, G404, G403, G105, G106
G110, G306, G404, G403, G105, G106
Fuse Block Underhood Bussing
06 GMX295 Engine Controls 4.4L - TCM Power, Grounds, ECM, IPM
Fuse Block - Underhood: Starter IGN 1 Relays; Starter, Starter Relay, CCP TCM/IPM/ECM, MAF, ABS and Washer Nozzle/ACC Fuses
Data Link Connector Schematics
Fuse Block Underhood Bussing
Fuse Block Right Rear: LT Turn Signal, RIM(1), Rear Fog Lamp, FT Passenger Door Module, Heated Steering Column, IGN 1, RIM(2) and Airbag Fuses; Rear Fog Lamp and IGN 1 Relays
G104 (1 of 2)
G104 (1 of 2)