GM Service Manual Online
For 1990-2009 cars only
Makes
🢒
Cadillac
🢒
2007
🢒
STS
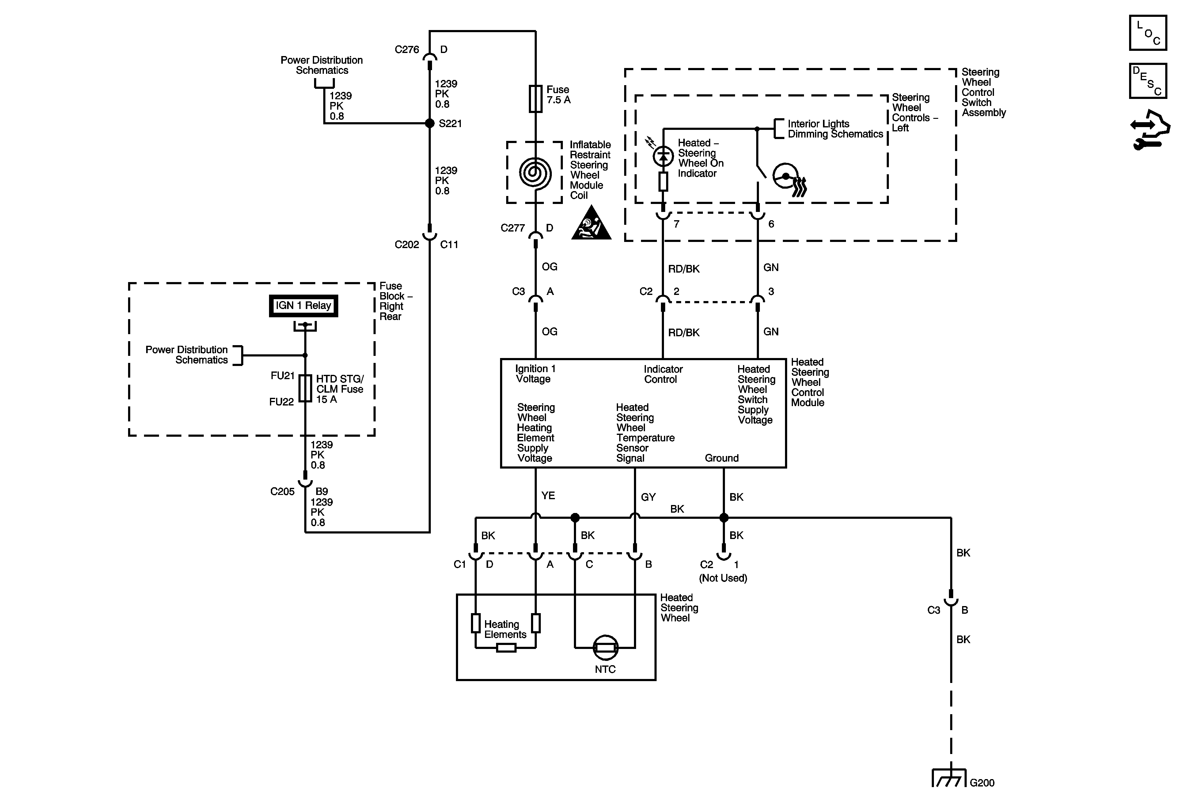
🢒 Heated Steering Wheel (NR7/N31)
Heated Steering Wheel (NR7/N31)
Heated Steering Wheel (w/KA1)
Master Electrical Component List
Steering Wheel and Column Description and Operation
Control Module References
Steering Wheel and Column Schematic Icons
Column Lock Schematics
Dimming 1 of 3
Fuse Block - Right Rear - Lt Turn Signal, RIM 1, Rear Fog Lamp, Ft Pass Door Module, Htd Stg Clm, IGN 1, RIM 2 and Airbag Fuses, Rear Fog Lamp and Ign 1 Relays
G200 (2 of 2)