GM Service Manual Online
For 1990-2009 cars only
Makes
🢒
Cadillac
🢒
2007
🢒
STS
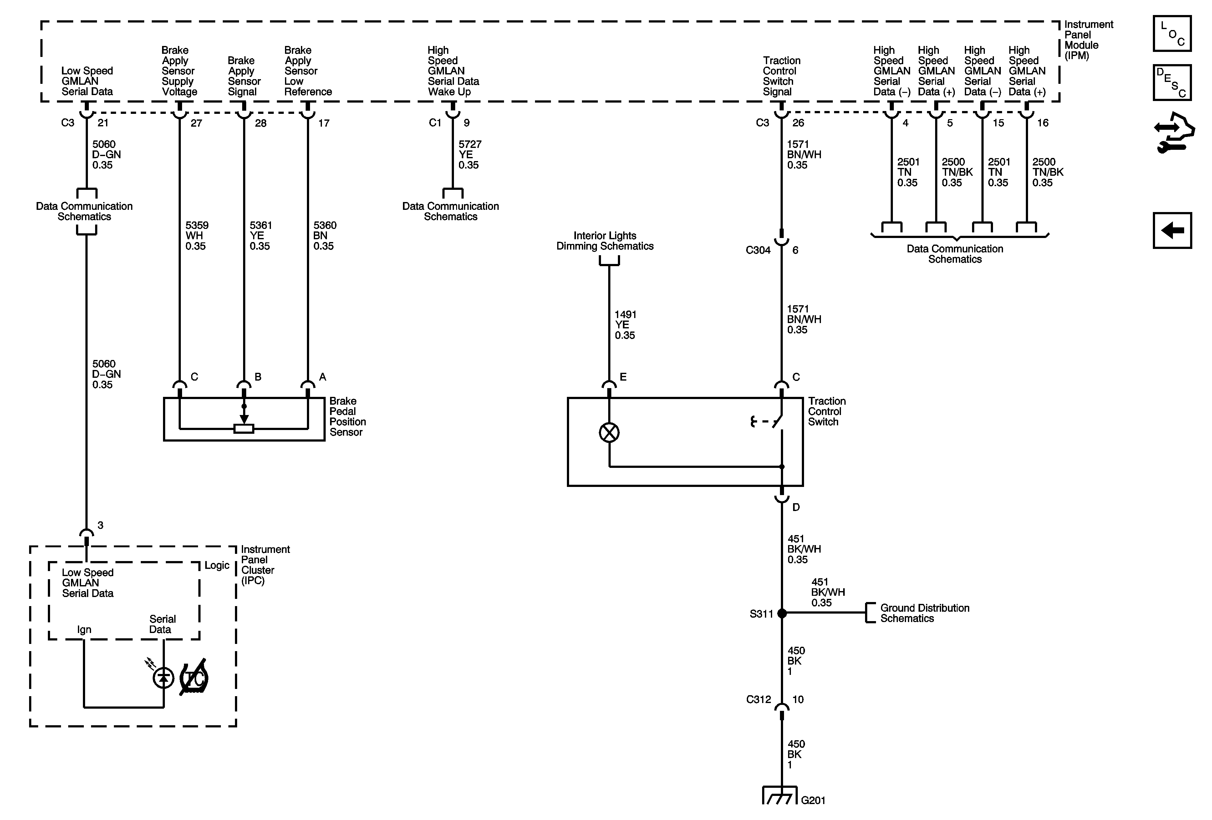
🢒 Indicator and Traction Control
Indicator and Traction Control
Indicator and Traction Control
Master Electrical Component List
ABS Description and Operation
Control Module References
Stability Control System
GM LAN - Low Speed 2 of 2
GM LAN - High Speed Serial Data Wake Up
Dimming 1 of 3
DLC Power, Ground and IPM
G201 (1 of 2)
G201 (1 of 2)