GM Service Manual Online
For 1990-2009 cars only
Makes
🢒
Cadillac
🢒
2007
🢒
STS
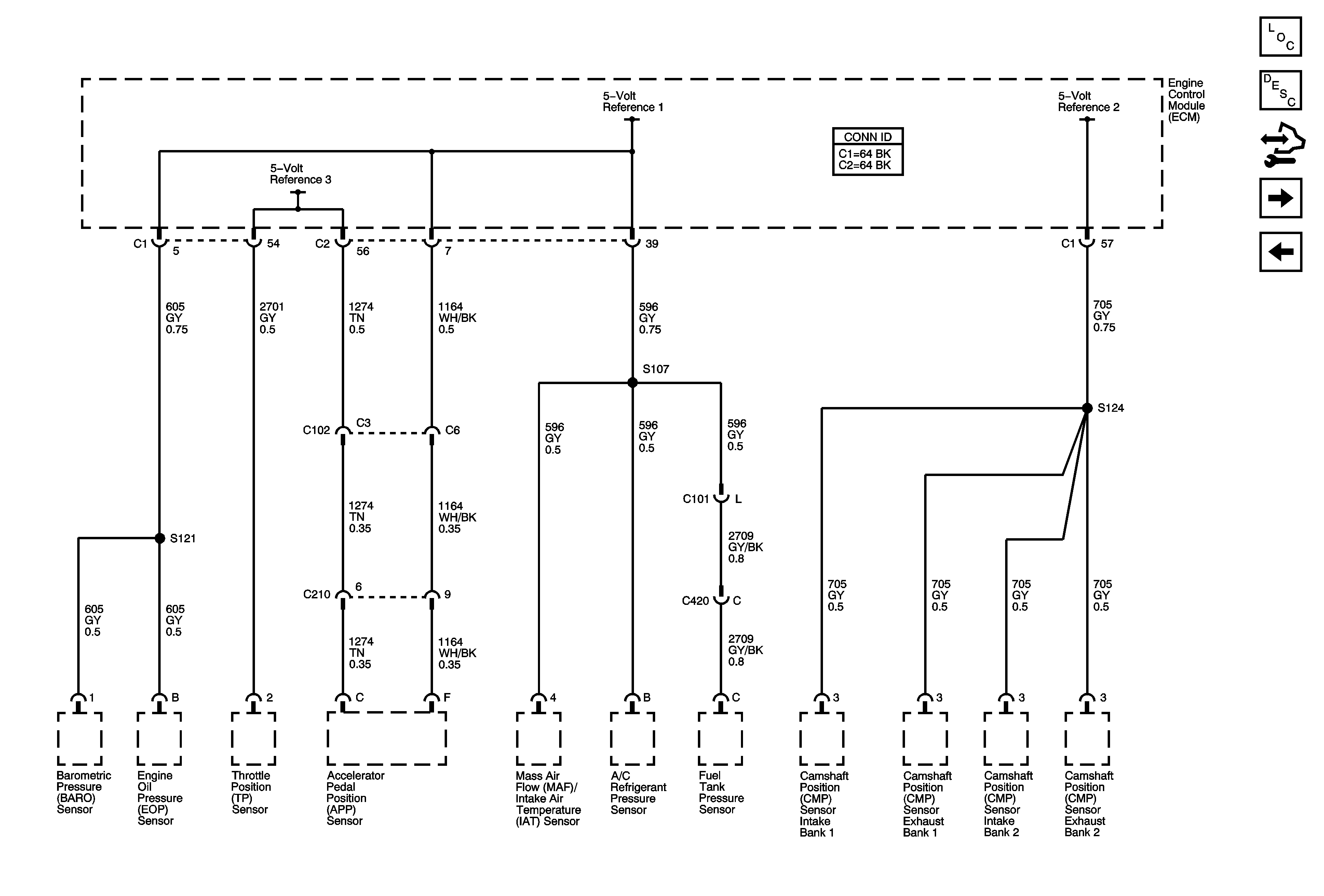
🢒 Engine Data Sensors - 5-Volt Reference Bus
Engine Data Sensors - 5-Volt Reference Bus
Engine Data Sensors - 5-Volt Reference Bus
Master Electrical Component List
Engine Control Module Description
Control Module References
Engine Data Sensors - Low Reference Bus
ECM Power, Ground, DLC, and MIL