GM Service Manual Online
For 1990-2009 cars only
Makes
🢒
Cadillac
🢒
2007
🢒
STS
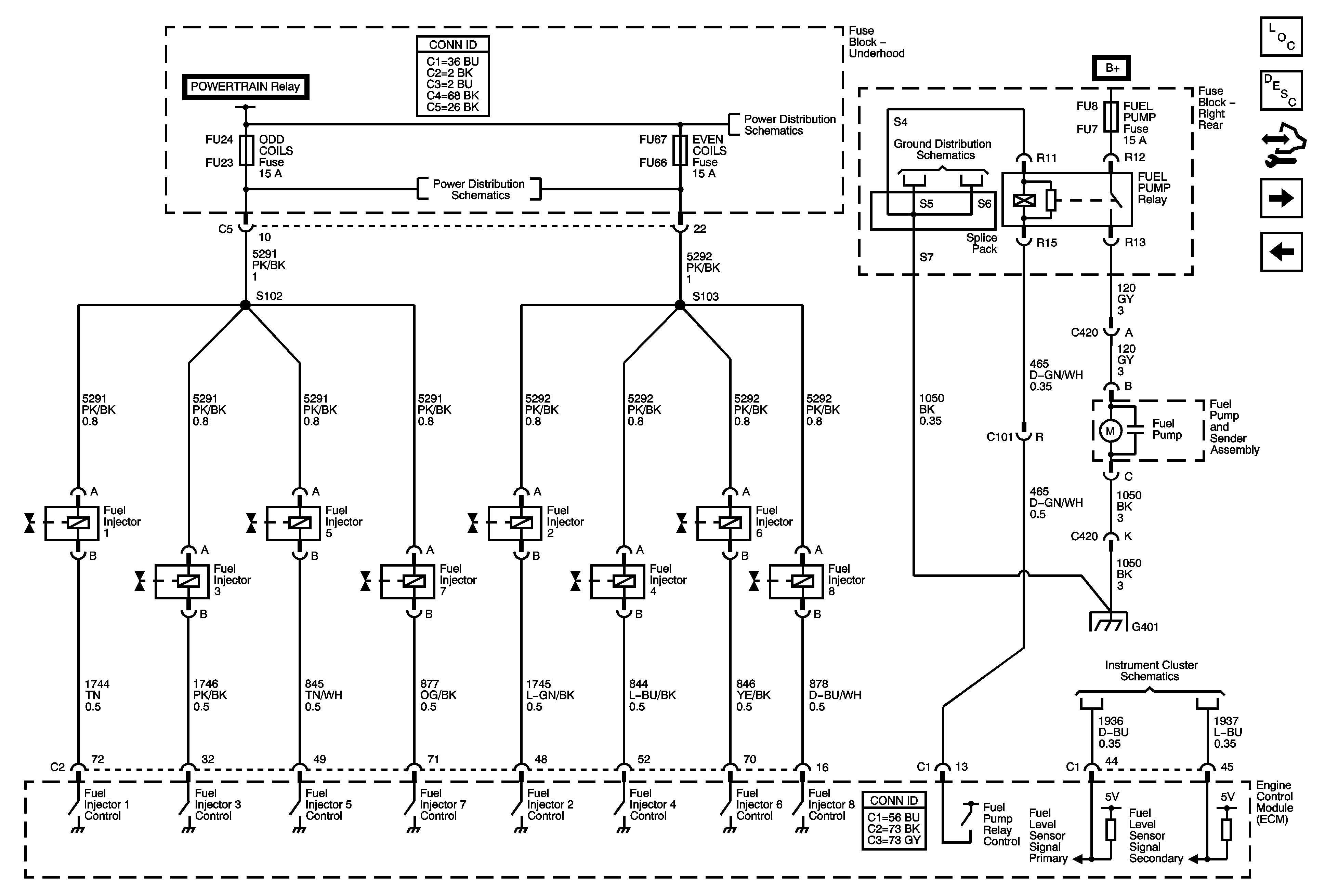
🢒 Fuel Controls - Injectors and Pump
Fuel Controls - Injectors and Pump
Fuel Controls - Injectors and Pump
Master Electrical Component List
Engine Control Module Description
Control Module References
07 STS Engine Controls 4.4L - Fuel Controls - EVAP, Fuel Tank Pressure (FTP) Sensor, and Vacuum Bypass Valve
Crankshaft Position (CKP) Sensor and Knock Sensors
Fuse Block - Underhood: Odd Inj/Coils, Even Inj/Coils and Post O2 Fuses
Fuse Block Underhood Wiring Bussing
G401 (1 of 2)
G401 (1 of 2)
Engine Oil and Fuel Tank Level