GM Service Manual Online
For 1990-2009 cars only
Makes
🢒
Cadillac
🢒
2007
🢒
STS
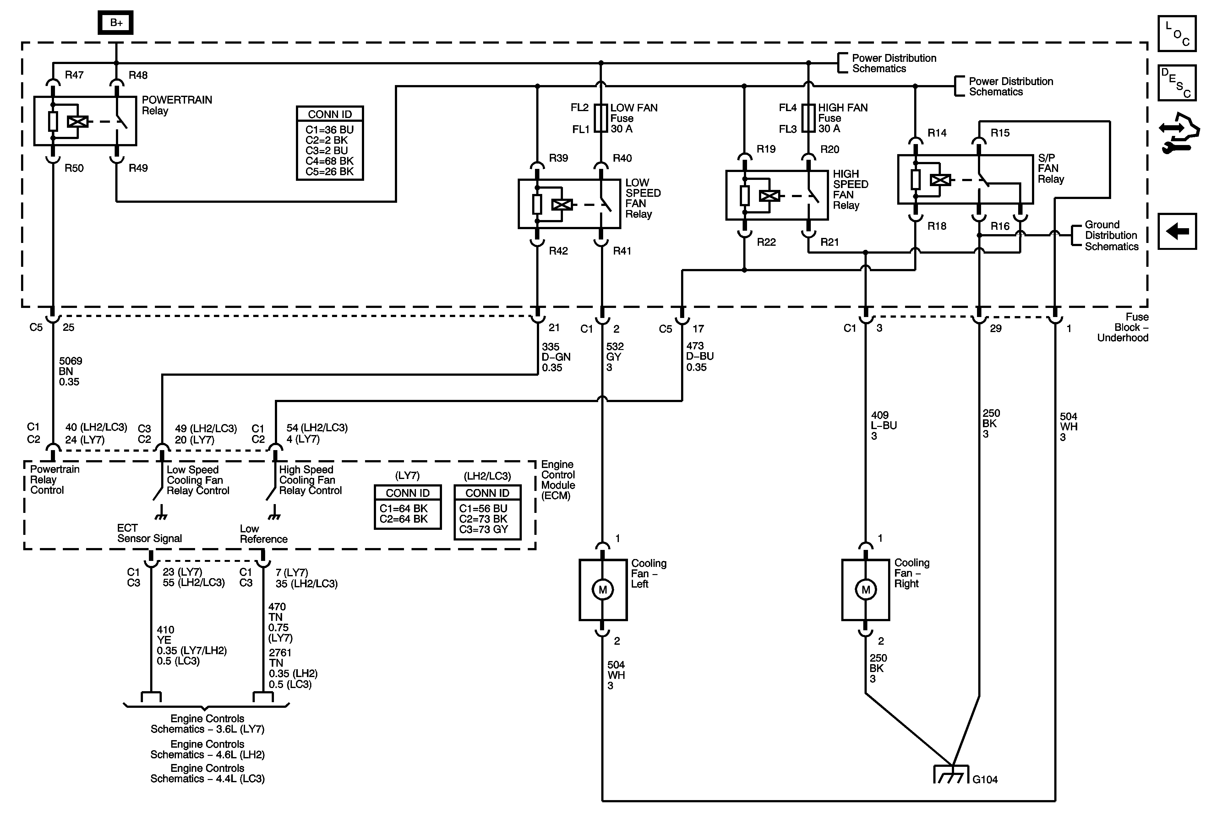
🢒 Cooling Fans
Cooling Fans
Cooling Fans
Master Electrical Component List
Cooling System Description and Operation
Control Module References
Coolant Level Switch (RHD) After Boil Coolant Pump (RHD LH2 w/ V92/V03)
Fuse Block Underhood Wiring Bussing
Fuse Block Underhood Wiring Bussing
G104 (1 of 2)
G104 (1 of 2)
Engine Data Sensors - Pressure, Temperature, MAF, VSS
Engine Data Sensors - Pressure, Temperature, MAF, VSS
Engine Data Sensors - Pressure, Temperature, MAF, VSS