GM Service Manual Online
For 1990-2009 cars only
Makes
🢒
Cadillac
🢒
2007
🢒
STS
🢒 Headlamp Switch, Ambient Light Sensor, DLC
Headlamp Switch, Ambient Light Sensor, DLC
Headlamp Switch, Ambient Light Sensor, DLC
Master Electrical Component List
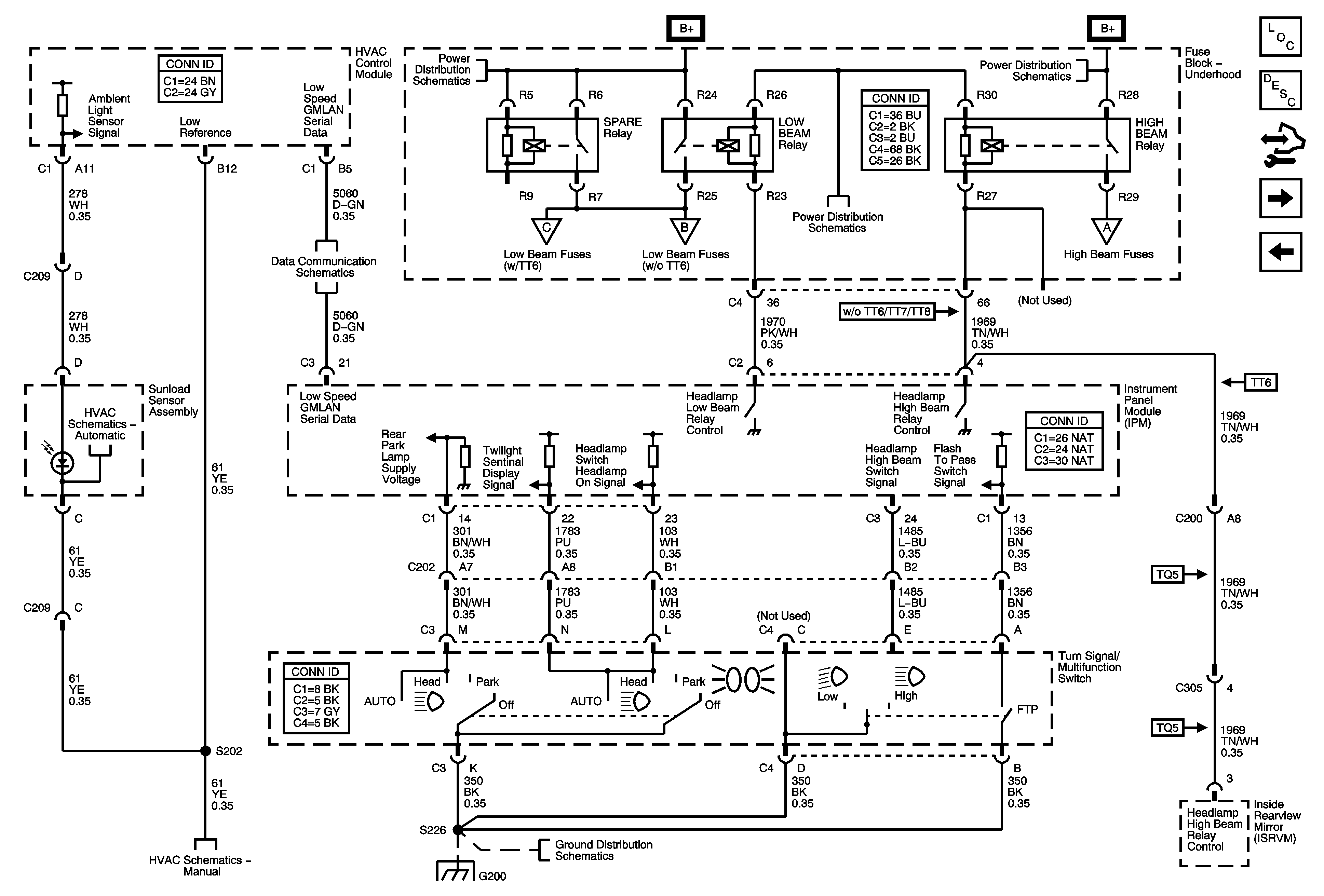
Exterior Lighting Systems Description and Operation
Control Module References
Power, Ground, Headlamps w/ TT7/TT8 and w/o TT7 and TT8
Front Turn Signal and Repeater Lamps, Hazard Switch - Domestic and Export
Fuse Block Underhood Wiring Bussing
DLC, Temperature Controls, Sunload Sensor
GM LAN - Low Speed 2 of 2
Automatic Headlamp Dimming Relay w/ TT6, Headlamps w/ TT6
Power, Ground, Headlamps w/ TT7/TT8 and w/o TT7 and TT8
Fuse Block - Underhood Relay/Fuses: Park Lamp Relay, Rt Park Fuses, Tilt/Lk/LMP/CLM Relay Coils Fuse
Fuse Block - Underhood: LOW BM, HIGH BEAM, POWER OUTLET and SPARE Relays, Volt Check, EBCM, LT LOW BEAM, RT LOW BEAM, LT HI BM, I/P OUTLET and OUTLET Fuses
Power, Ground, Headlamps w/ TT7/TT8 and w/o TT7 and TT8
Power, Ground, Blower Motor, Recirculation Actuator (LHD)
G200 (2 of 2)
G200 (2 of 2)