GM Service Manual Online
For 1990-2009 cars only
Makes
🢒
Cadillac
🢒
2007
🢒
STS
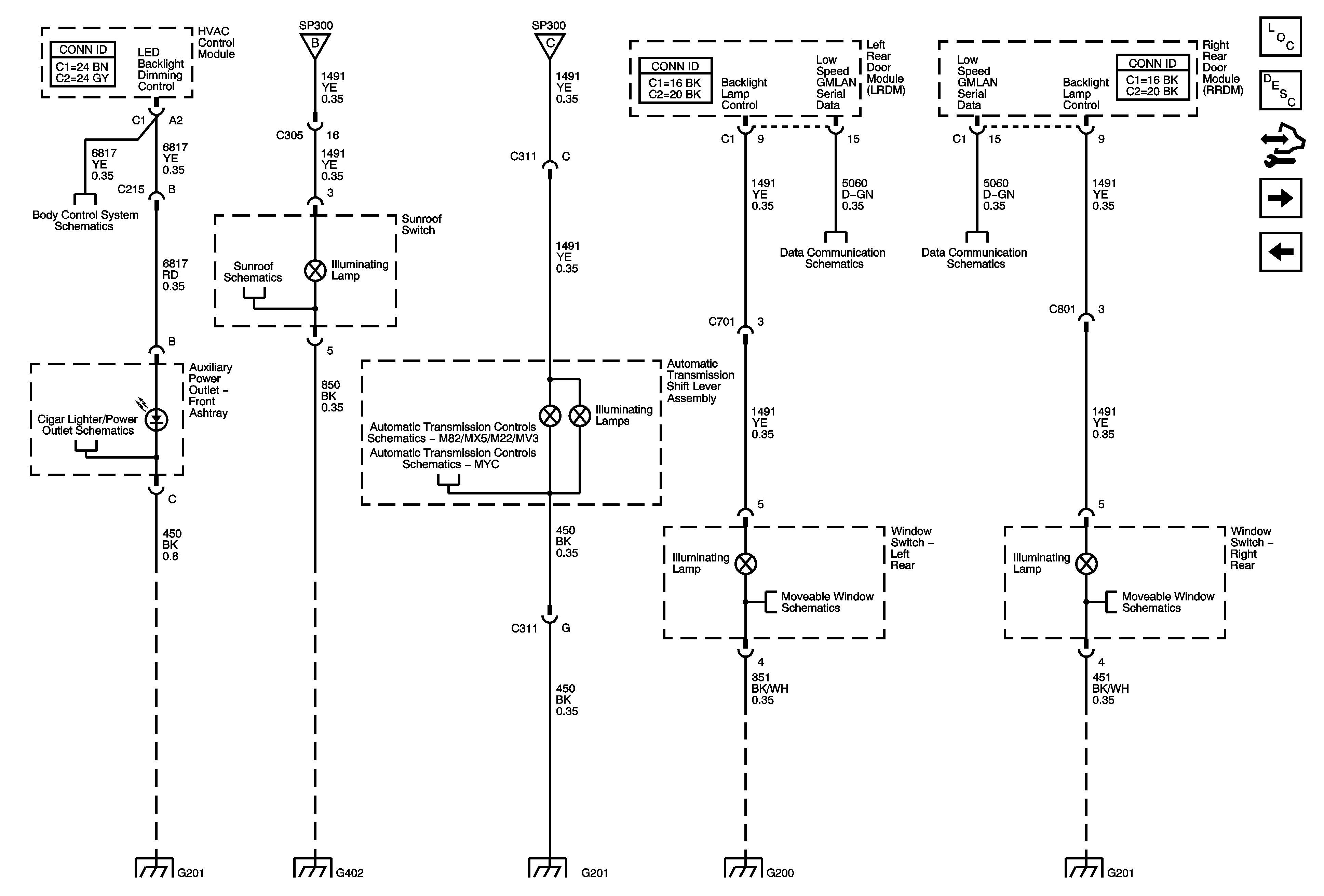
🢒 Dimming 2 of 3
Dimming 2 of 3
Dimming Lamps 2 of 3
Master Electrical Component List
Exterior Lighting Systems Description and Operation
Control Module References
Dimming 3 of 3
Dimming 1 of 3
Dimming 1 of 3
Dimming 1 of 3
Power Sunroof Schematics
Cigar Lighter/Auxiliary Outlets Schematics
IPM Input and Outputs 2 of 3
TCM Power, Grounds, and DLC (LY7/LH2)
Automatic Transmission Shift Lever Assembly, IPM
GM LAN - Low Speed 1 of 2
GM LAN - Low Speed 2 of 2
Left Rear Window Switch, Motor
Right Rear Window Switch, Motor
G201 (1 of 2)
G402 (1 of 2)
G201 (1 of 2)
G200 (1 of 2)
G201 (1 of 2)