GM Service Manual Online
For 1990-2009 cars only
Makes
🢒
Cadillac
🢒
2007
🢒
STS
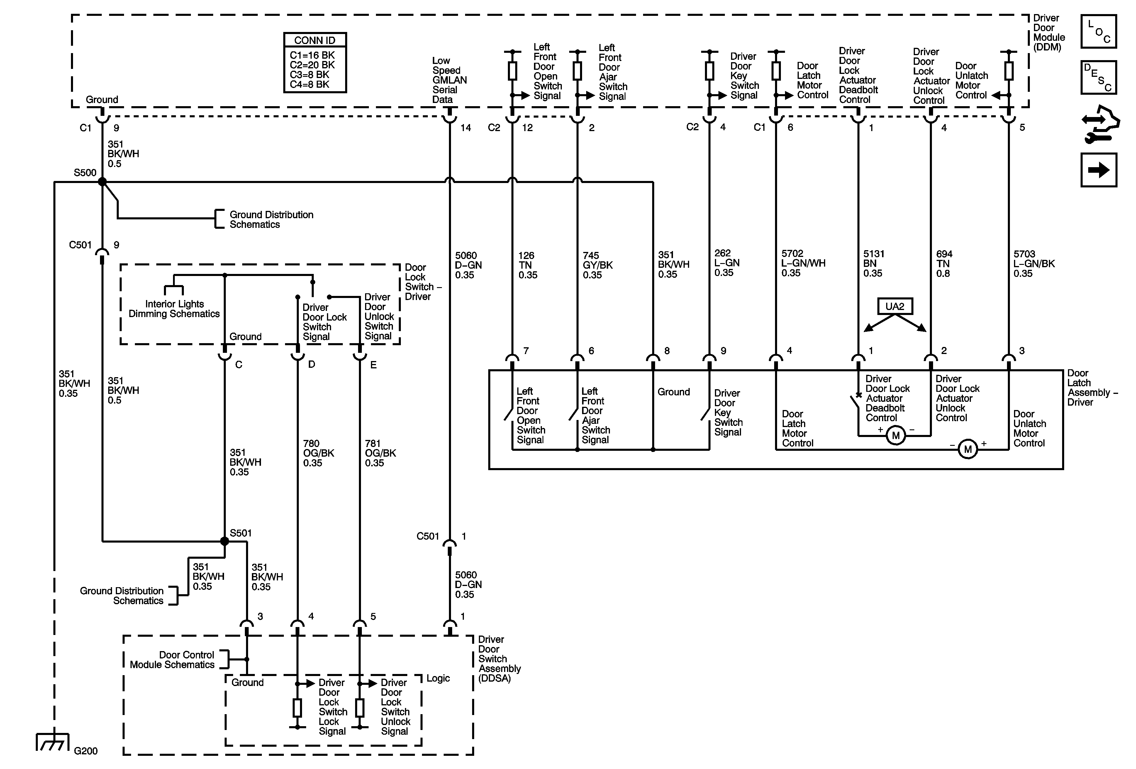
🢒 Driver Door Lock
Driver Door Lock
Driver Door Lock
Master Electrical Component List
Power Door Locks Description and Operation
Control Module References
Front Passenger Door Lock
G200 (1 of 2)
Dimming 3 of 3
G200 (1 of 2)
G200 (1 of 2)