GM Service Manual Online
For 1990-2009 cars only
Makes
🢒
Cadillac
🢒
2007
🢒
STS
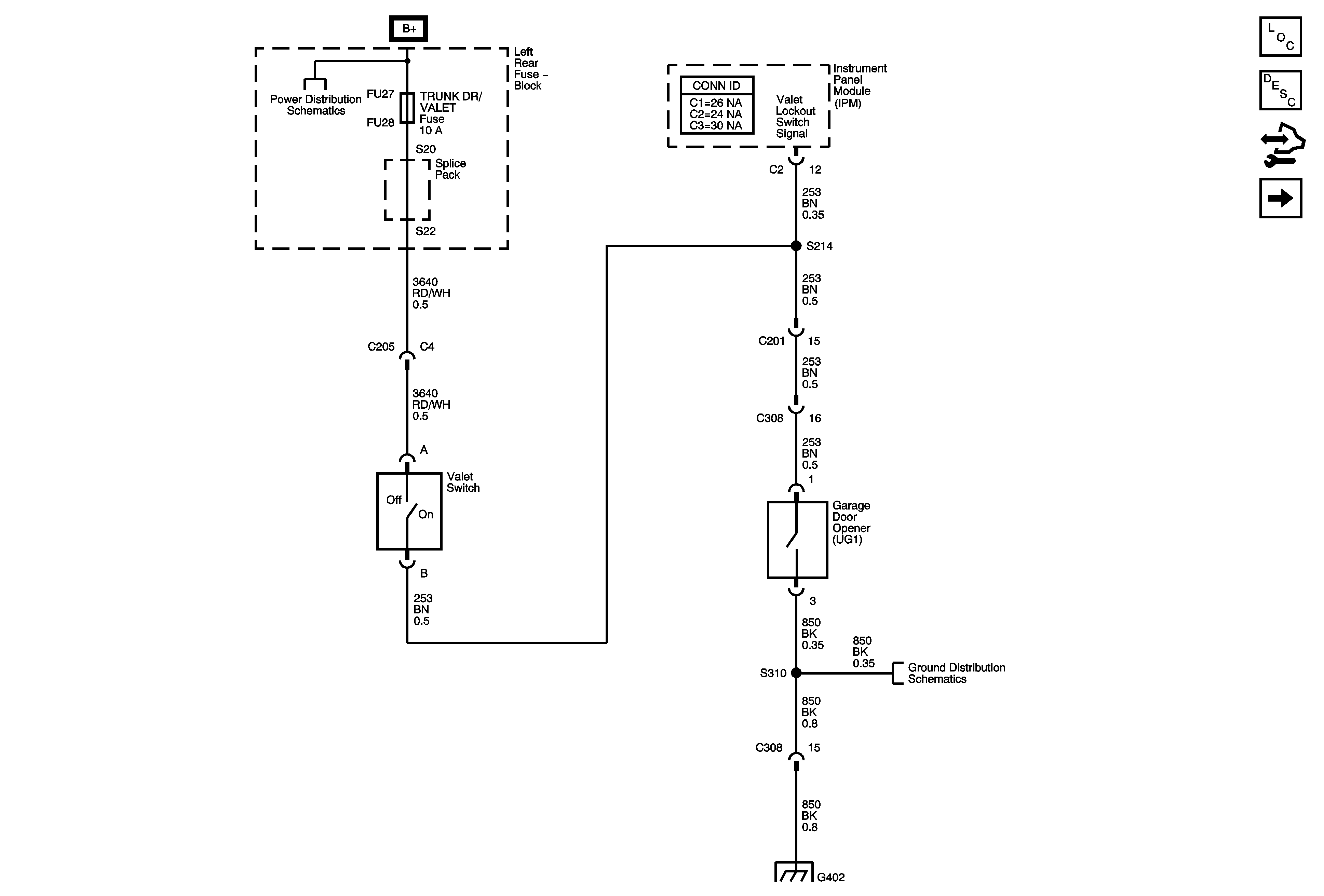
🢒 Garage Door Opener
Garage Door Opener
Garage Door Opener
Master Electrical Component List
Garage Door Opener Description and Operation (One LED)
Control Module References
Keyless Entry Module Power, Grounds, Antennas, and Switches
Fuse Block - Left Rear Bussing
G402 (1 of 2)
G402 (1 of 2)