GM Service Manual Online
For 1990-2009 cars only
Makes
🢒
Cadillac
🢒
2007
🢒
STS
🢒 07 STS Theft Deterrent - Content Theft Deterrent (CTD) System
07 STS Theft Deterrent - Content Theft Deterrent (CTD) System
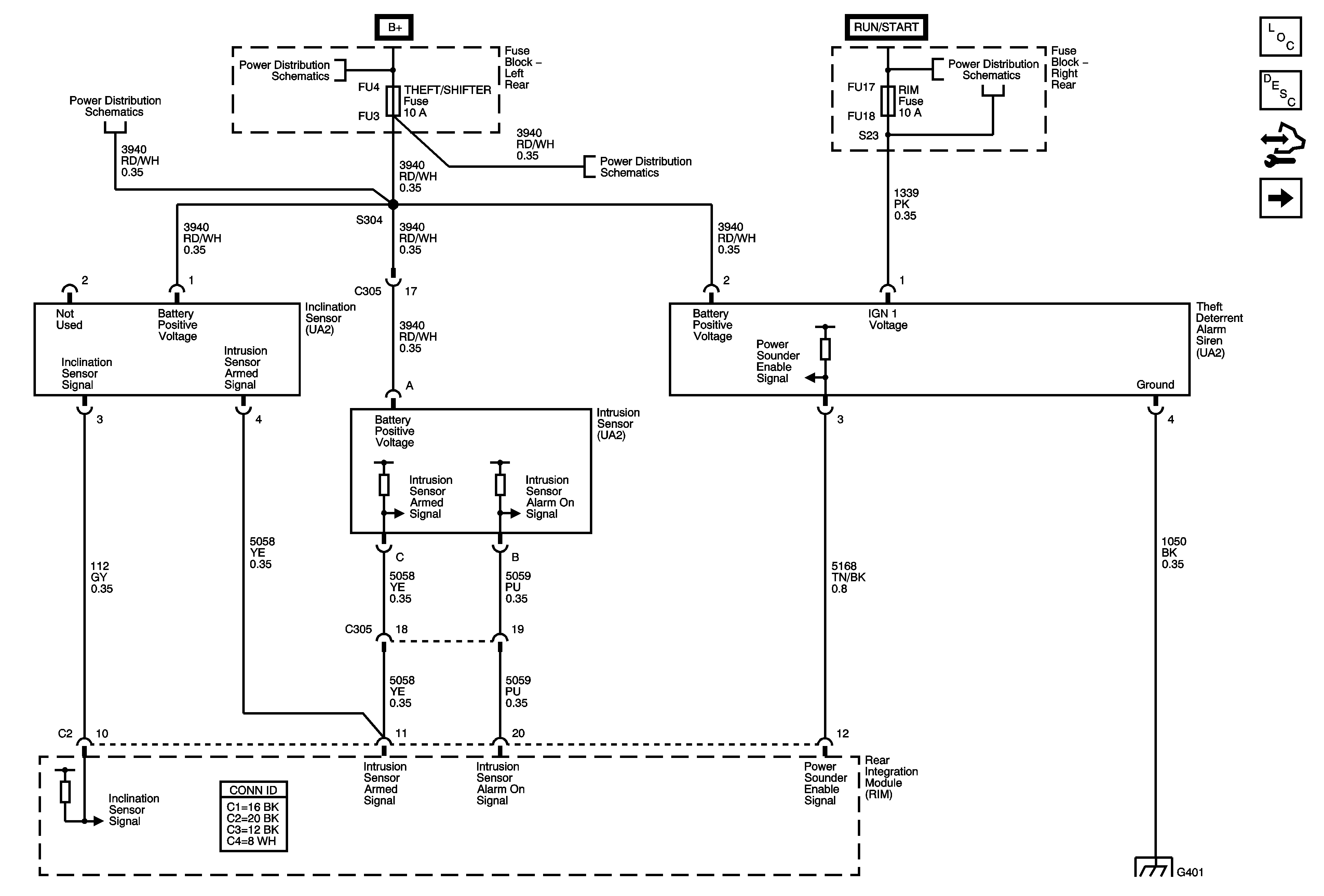
Content Theft Deterrent (CTD) System
Master Electrical Component List
Content Theft Deterrent (CTD) Description and Operation
Control Module References
Door Modules and Horn
Fuse Block - Left Rear: TV/VICS, ELC SOL, ESC Module, DVR DR Module, Rear Door Module, Theft Shifter and Amp Fuses
Fuse Block - Left Rear Bussing
Fuse Block - Left Rear: TV/VICS, ELC SOL, ESC Module, DVR DR Module, Rear Door Module, Theft Shifter and Amp Fuses
Fuse Block - Right Rear - Lt Turn Signal, RIM 1, Rear Fog Lamp, Ft Pass Door Module, Htd Stg Clm, IGN 1, RIM 2 and Airbag Fuses, Rear Fog Lamp and Ign 1 Relays
G401 (1 of 2)