GM Service Manual Online
For 1990-2009 cars only
Makes
🢒
Cadillac
🢒
2007
🢒
STS
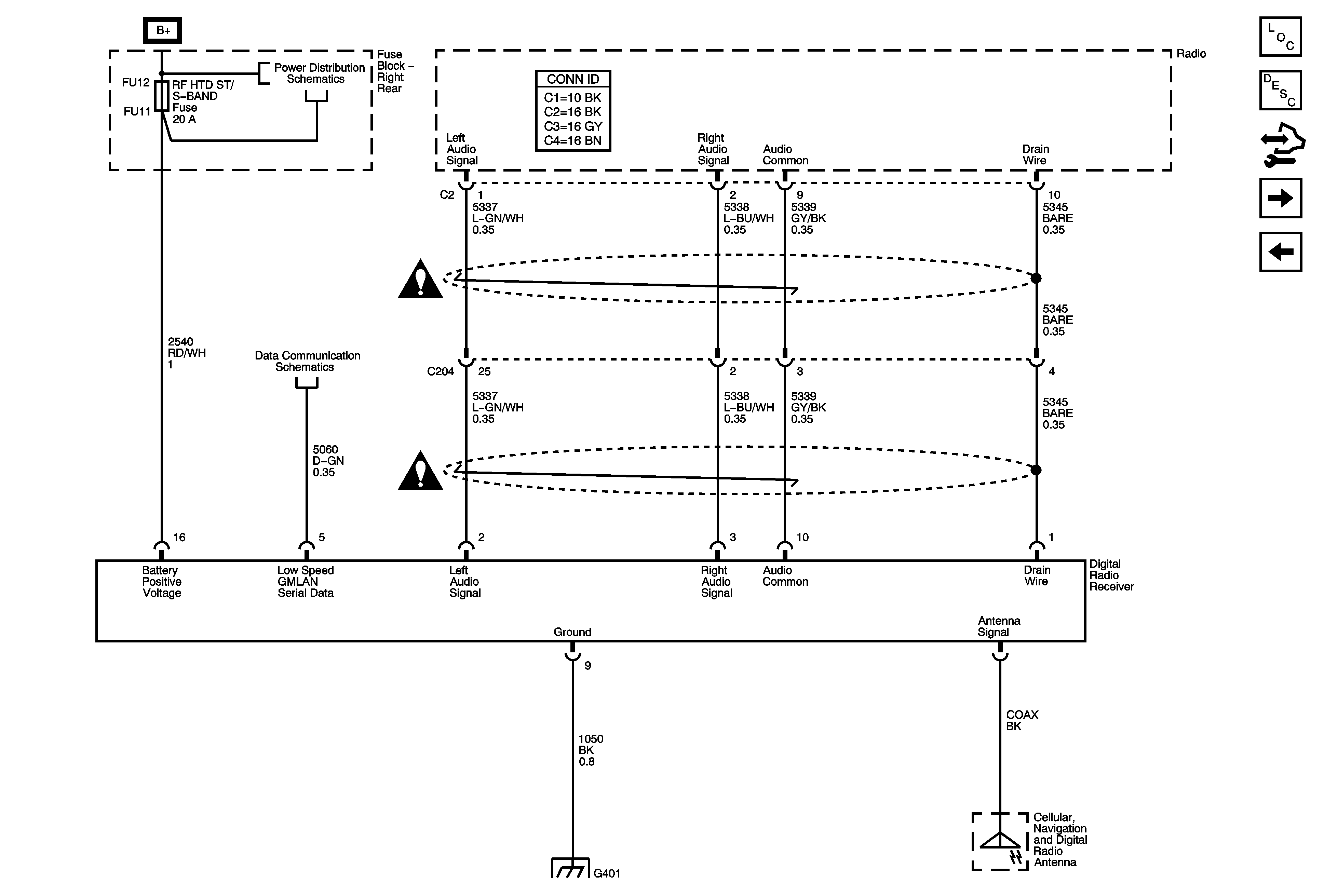
🢒 Digital Radio Receiver w/ U2K
Digital Radio Receiver w/ U2K
Digital Radio Receiver - w/U2K
Master Electrical Component List
Radio/Audio System Description and Operation
Control Module References
Microphone, VSS and GPS Antenna
Radio Antennas, Audio/Video Adapter
Fuse Block - Right Rear - Radio/OnStar, Rt Turn Signal, Canister Vent, and RF Heated/Vented Seat Fuses, Window Motors Circuit Breaker
Entertainment/Communication Schematic Icons
Entertainment/Communication Schematic Icons
GM LAN - Low Speed 1 of 2
G401 (1 of 2)