GM Service Manual Online
For 1990-2009 cars only
Makes
🢒
Cadillac
🢒
2007
🢒
STS
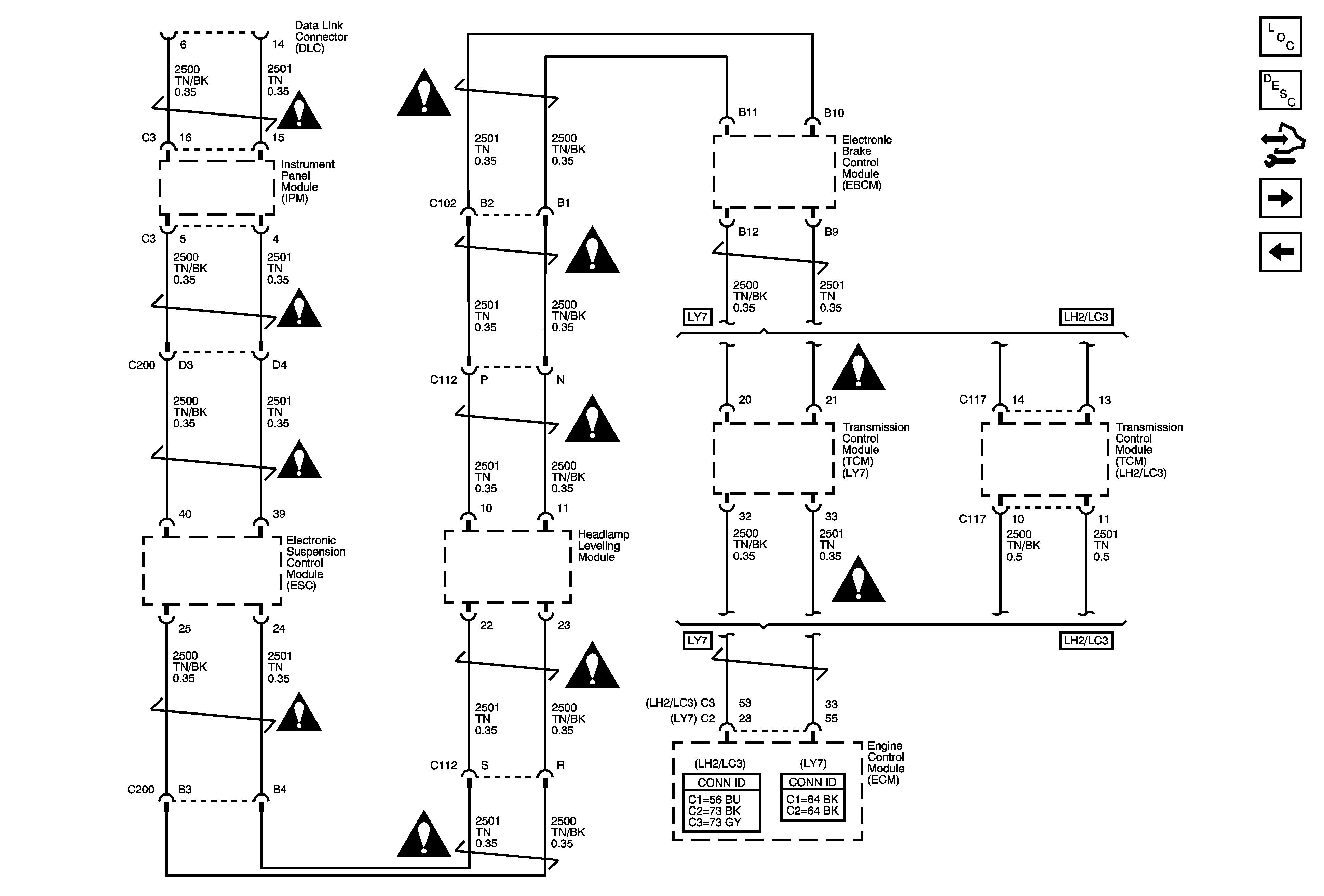
🢒 GM LAN - High Speed, Export w/ TR7/F55/LC3 w/o UE1
GM LAN - High Speed, Export w/ TR7/F55/LC3 w/o UE1
GMLAN - High Speed, Export w/TR7/F55/LC3 w/o UE1
Master Electrical Component List
Data Link Communications Description and Operation
Control Module References
GM LAN - High Speed, Export w/ TT7/TT8, F55, K59 w/o UE1
GM LAN - High Speed, Export w/ TR7/LC3 w/o UE1
Data Communication Schematic Icons
Data Communication Schematic Icons
Data Communication Schematic Icons
Data Communication Schematic Icons
Data Communication Schematic Icons
Data Communication Schematic Icons
Data Communication Schematic Icons
Data Communication Schematic Icons
Data Communication Schematic Icons
Data Communication Schematic Icons
Data Communication Schematic Icons