GM Service Manual Online
For 1990-2009 cars only
Makes
🢒
Cadillac
🢒
2007
🢒
STS
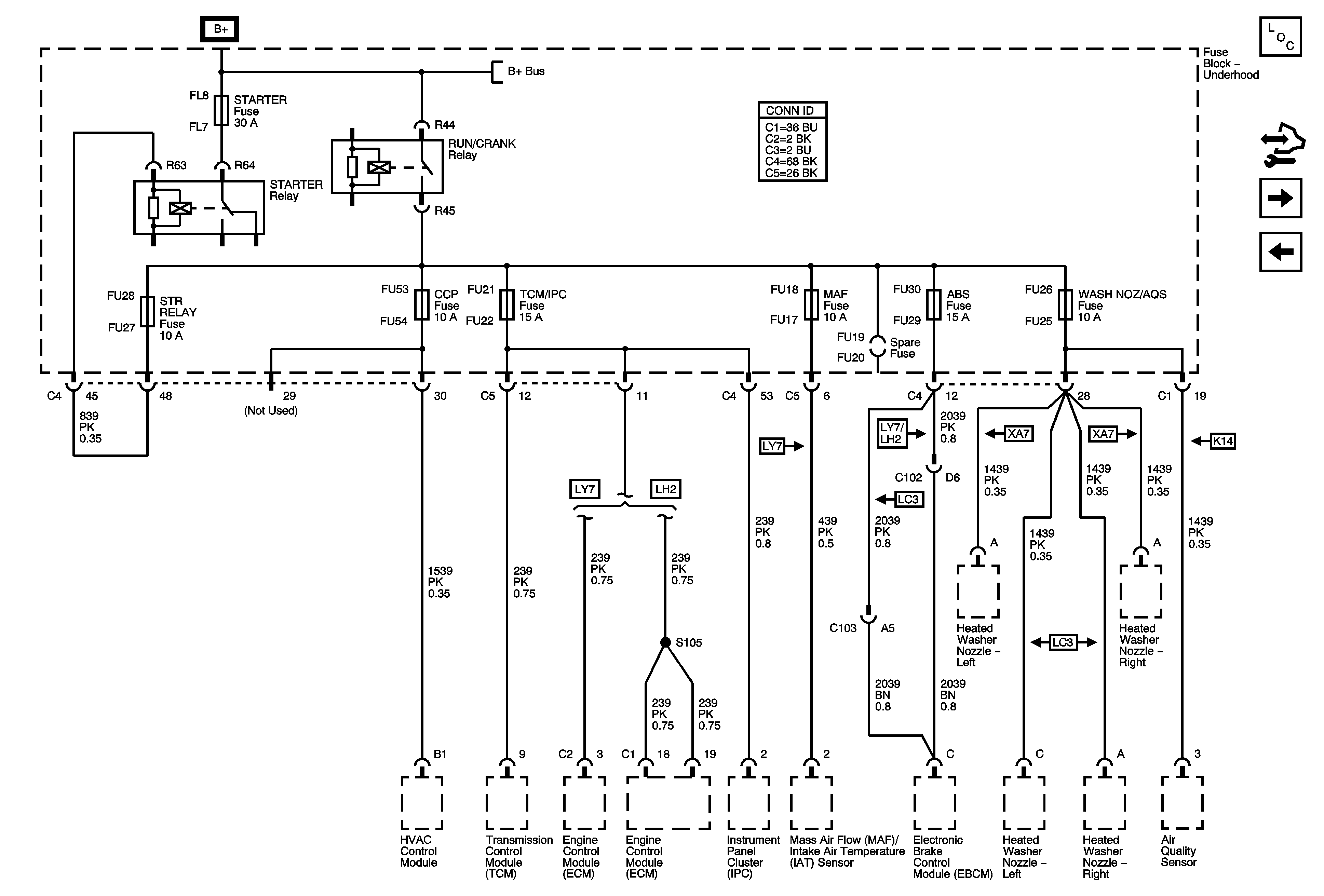
🢒 Fuse Block - Underhood: Starter, RUN/CRANK Relays; Starter, Starter Relay, CCP, TCM/IPM/ECM, MAF, ABS and Washer Nozzle/ACC Fuses
Fuse Block - Underhood: Starter, RUN/CRANK Relays; Starter, Starter Relay, CCP, TCM/IPM/ECM, MAF, ABS and Washer Nozzle/ACC Fuses
Fuse Block - Underhood: STARTER, IGN 1 Relays, STARTER, STARTER RELAY, CCP, TCM/IPM/ECM, MAF, ABS and WASHER NOZZLE/ACC FUSES
Master Electrical Component List
Control Module References
Fuse Block - Underhood: LOW BM, HIGH BEAM, POWER OUTLET and SPARE Relays, Volt Check, EBCM, LT LOW BEAM, RT LOW BEAM, LT HI BM, I/P OUTLET and OUTLET Fuses
Fuse Block - Underhood Fuses/Relays: IPM/ALDL, Auto Headlamp Dimming, CCP, ECM/TCM, WPR MOD, WPR SW/VICS and Rain Sensor/HDLP Wash Fuses; ACC Relay
Fuse Block Underhood Wiring Bussing