GM Service Manual Online
For 1990-2009 cars only
Figure 1:

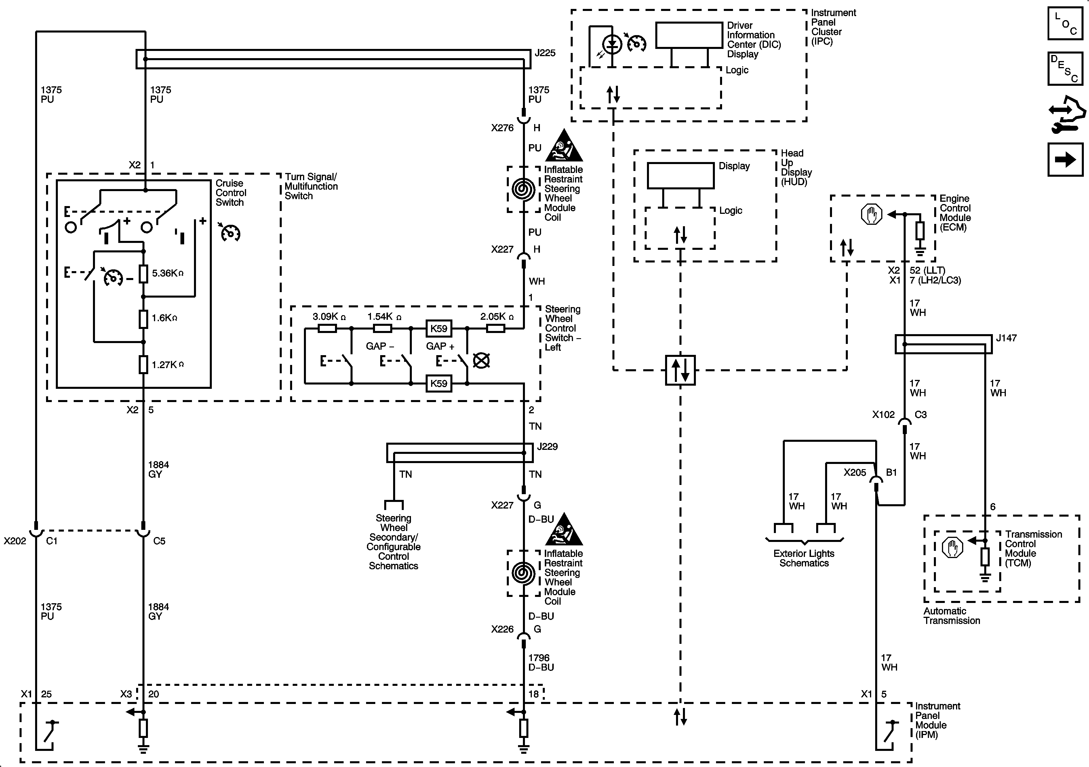
Cruise Control Switch, Steering Wheel Controls


Object Number: 1905975  Size: FS
Master Electrical Component List
Cruise Control Description and Operation (Conventional Cruise Control)
Control Module References
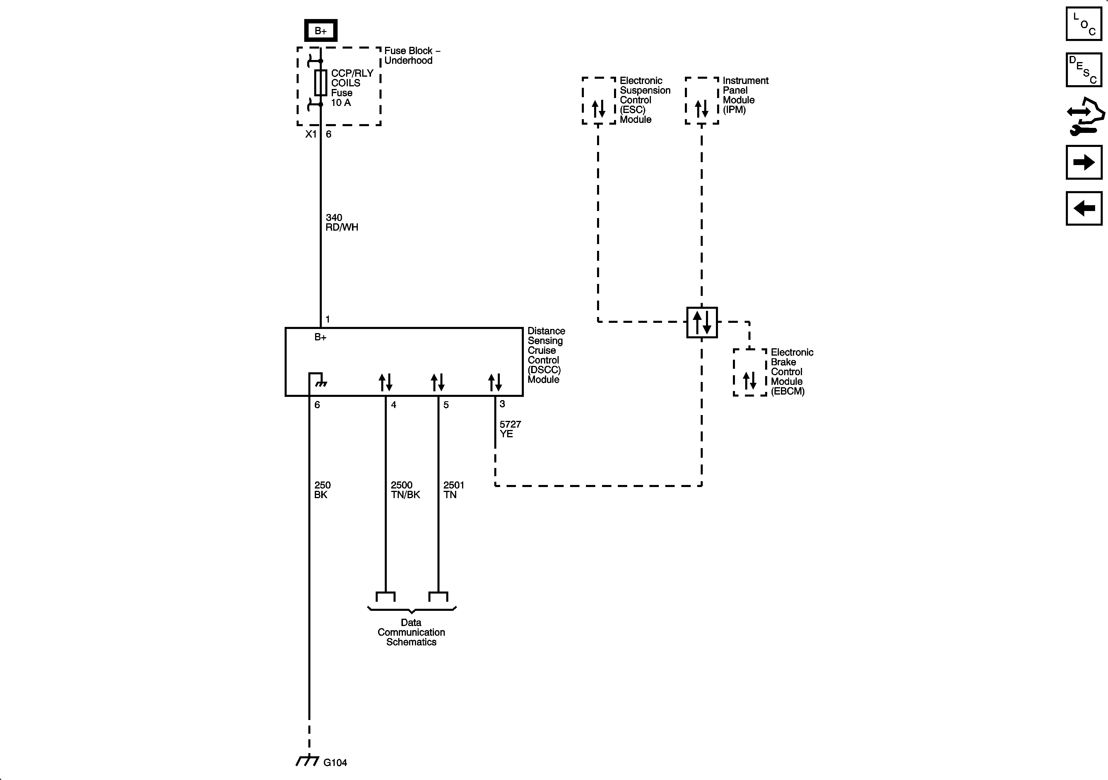
Distance Sensing Cruise Control Module - K59
Figure 2:

Distance Sensing Cruise Control Module - K59


Object Number: 1905977  Size: FS
Master Electrical Component List
Cruise Control Description and Operation (Adaptive Cruise Control)
Control Module References
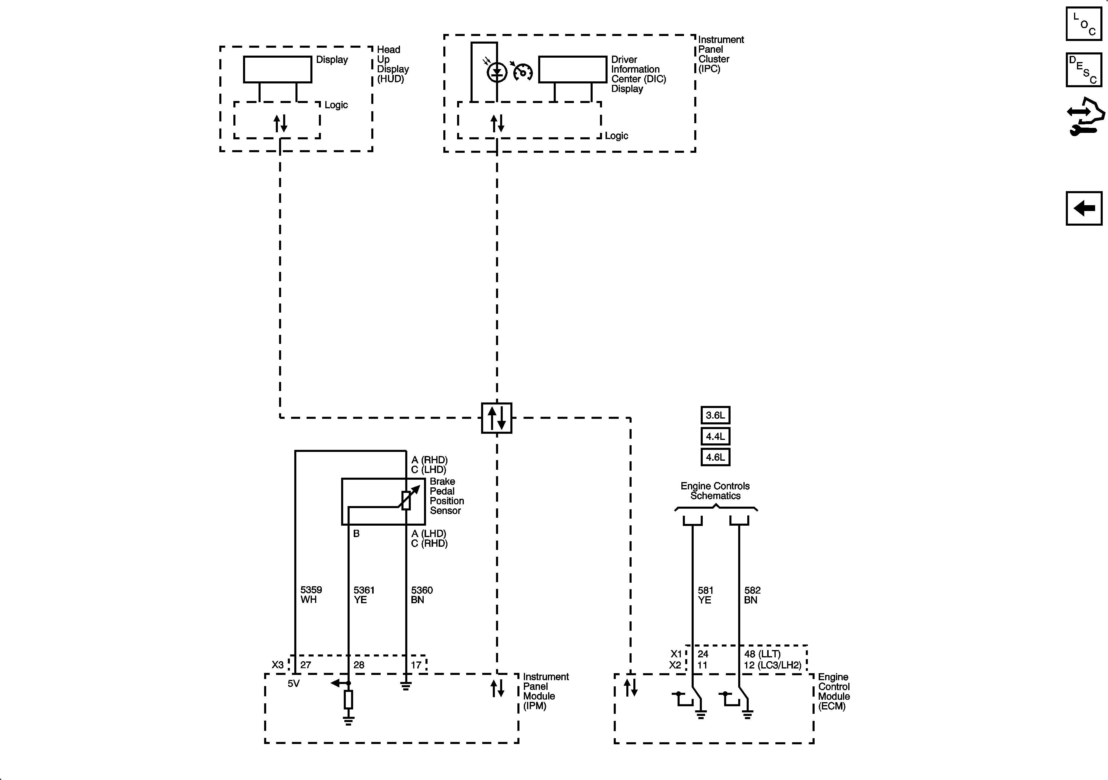
DLC, Brake Pedal Position Sensor
Cruise Control Switch, Steering Wheel Controls
Figure 3:

DLC, Brake Pedal Position Sensor


Object Number: 1905979  Size: FS
Master Electrical Component List
Cruise Control Description and Operation (Adaptive Cruise Control)
Control Module References
Distance Sensing Cruise Control Module - K59