GM Service Manual Online
For 1990-2009 cars only
Figure 1:

ECM Power, Ground, Serial Data, and MIL


Object Number: 1905891  Size: FS
Master Electrical Component List
Engine Control Module Description
Control Module References
Engine Data Sensors - 5-Volt and Low Reference 1 of 2
Figure 2:

Engine Data Sensors - 5-Volt and Low Reference 1 of 2


Object Number: 1905893  Size: FS
Master Electrical Component List
Engine Control Module Description
Control Module References
Engine Data Sensors - 5-Volt and Low Reference 2 of 2
ECM Power, Ground, Serial Data, and MIL
Figure 3:

Engine Data Sensors - 5-Volt and Low Reference 2 of 2


Object Number: 1905886  Size: FS
Master Electrical Component List
Engine Control Module Description
Control Module References
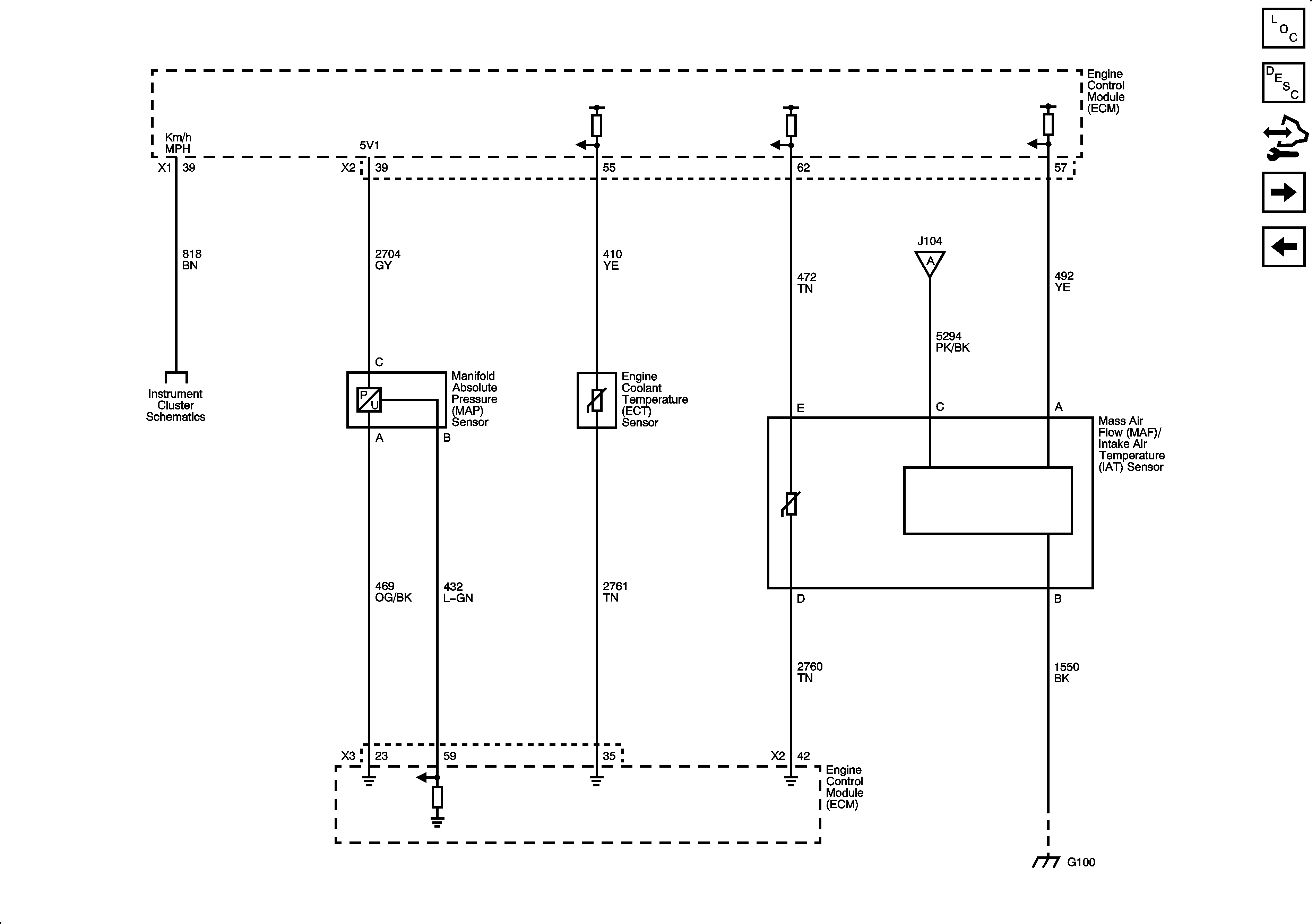
Engine Data Sensors - Pressure, Temperature, MAF, VSS
Engine Data Sensors - 5-Volt and Low Reference 1 of 2
Figure 4:

Engine Data Sensors - Pressure, Temperature, MAF, VSS


Object Number: 1905896  Size: FS
Master Electrical Component List
Engine Control Module Description
Control Module References
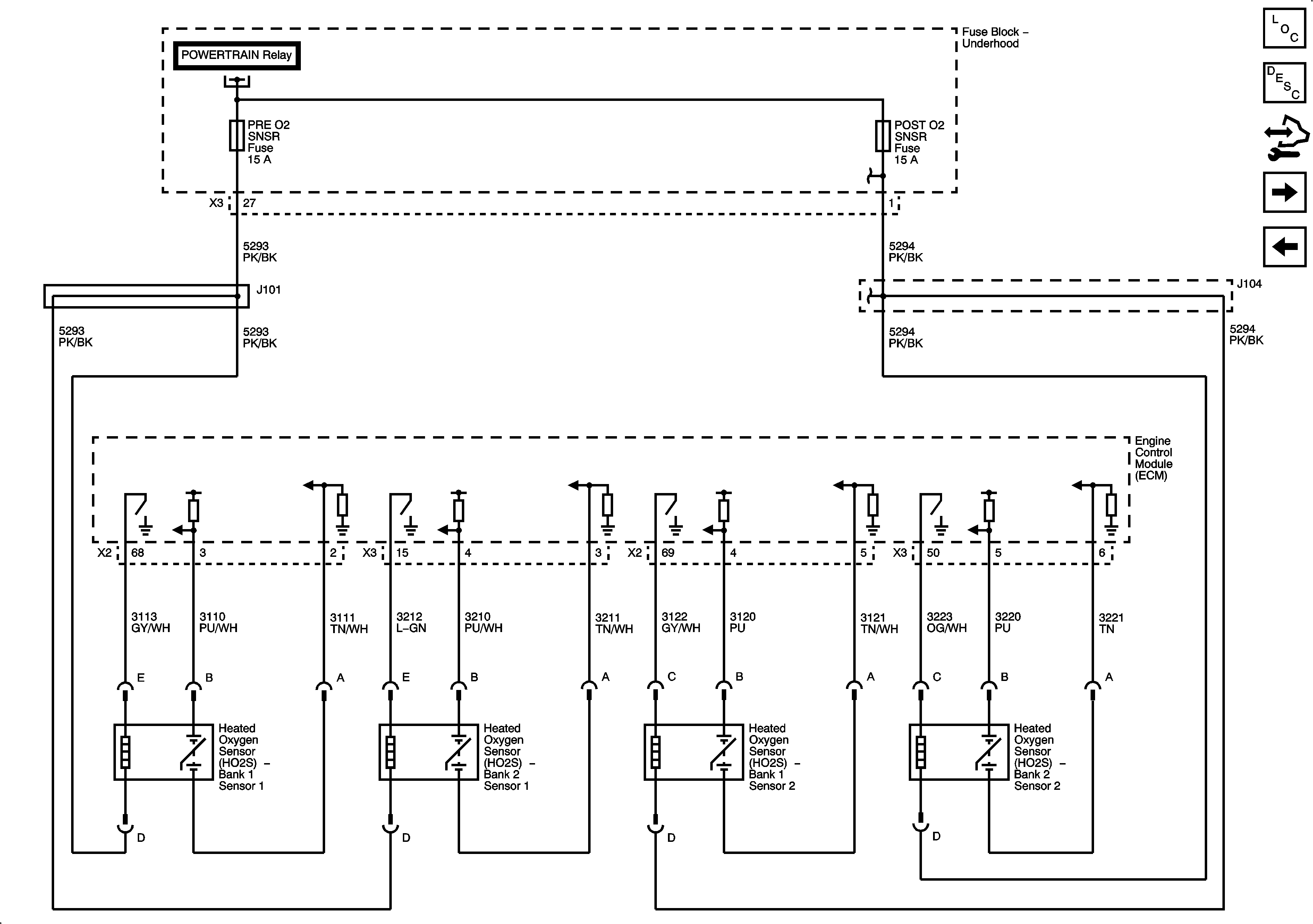
Engine Data Sensors - Oxygen Sensors
Engine Data Sensors - 5-Volt and Low Reference 2 of 2
Figure 5:

Engine Data Sensors - Oxygen Sensors


Object Number: 1905899  Size: FS
Master Electrical Component List
Engine Control Module Description
Control Module References
Engine Data Sensors - Electronic Throttle Controls
Engine Data Sensors - Pressure, Temperature, MAF, VSS
Figure 6:

Engine Data Sensors - Electronic Throttle Controls


Object Number: 1905901  Size: FS
Master Electrical Component List
Throttle Actuator Control (TAC) System Description
Control Module References
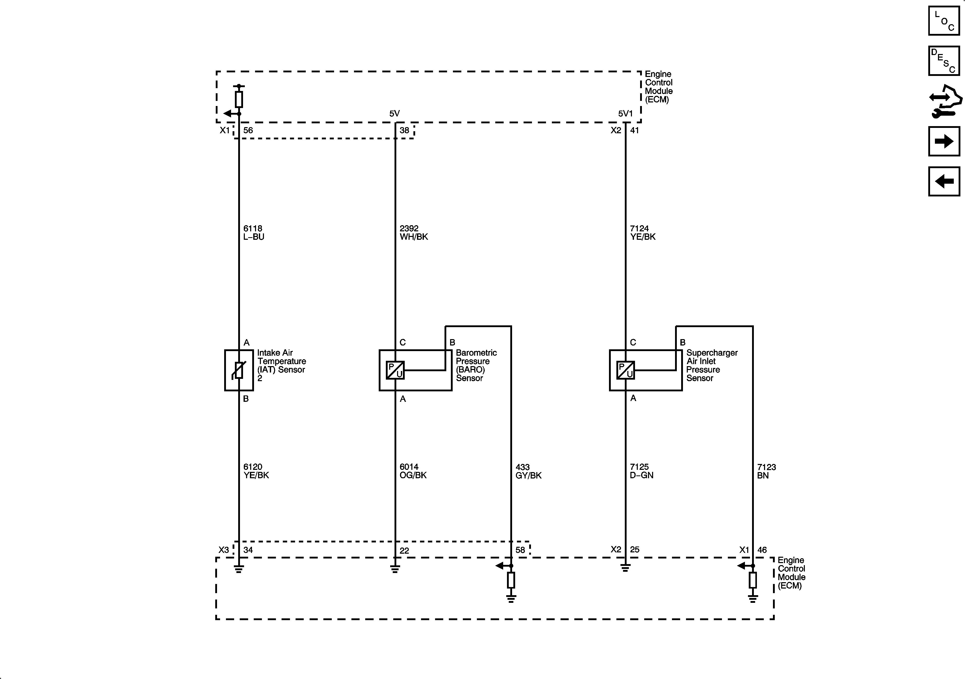
Engine Data Sensors - IAT2, BARO, SCIAP
Engine Data Sensors - Oxygen Sensors
Figure 7:

Engine Data Sensors -- IAT 2, BARO, SCIAP


Object Number: 1905936  Size: FS
Master Electrical Component List
Supercharger Description and Operation
Control Module References
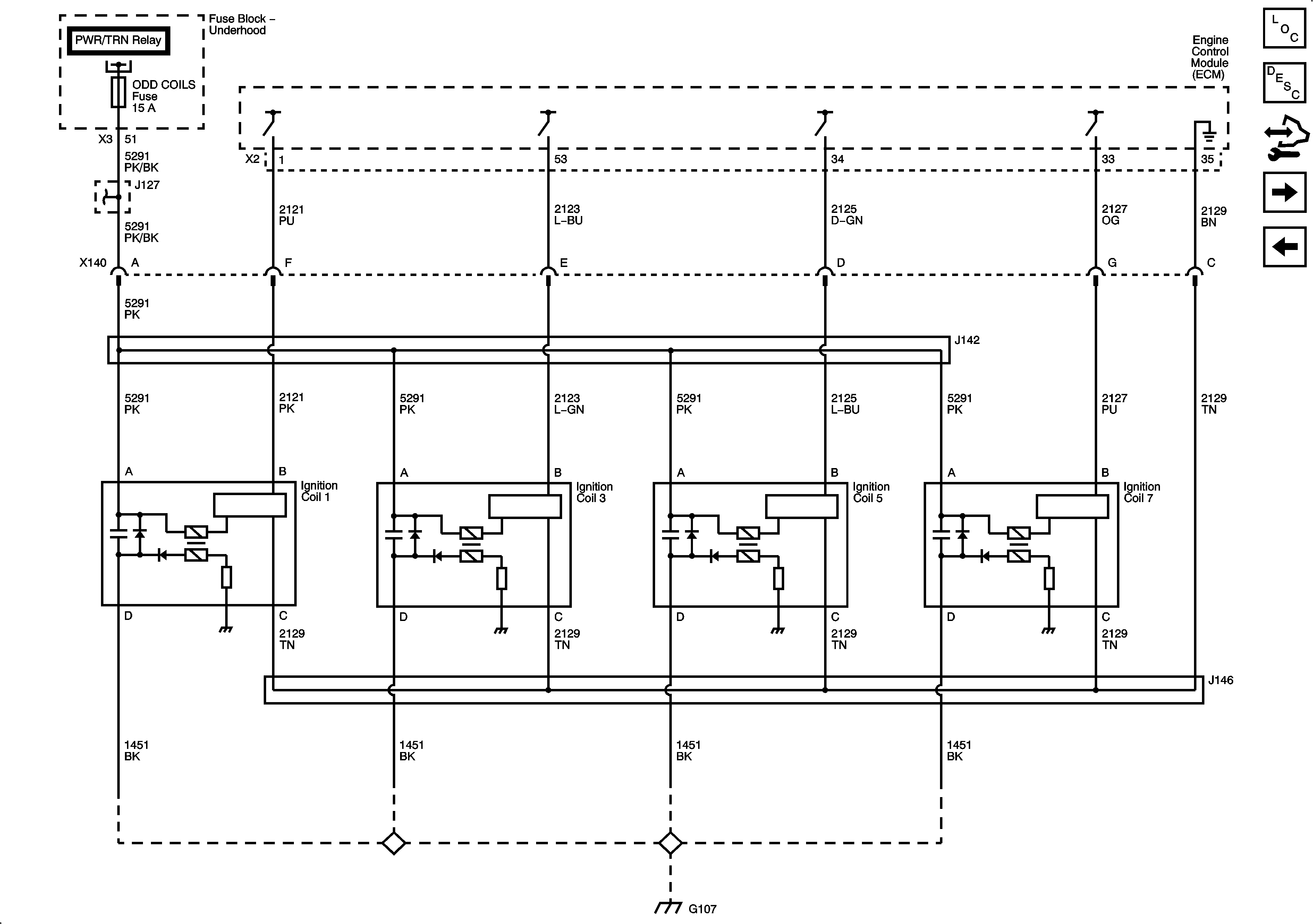
Ignition Controls - Ignition System Bank 1
Engine Data Sensors - Electronic Throttle Controls
Figure 8:

Ignition Controls - Ignition System Bank 1


Object Number: 1905903  Size: FS
Master Electrical Component List
Electronic Ignition (EI) System Description
Control Module References
Ignition Controls - Ignition System Bank 2
Engine Data Sensors - IAT2, BARO, SCIAP
Figure 9:

Ignition Controls - Ignition System Bank 2


Object Number: 1905907  Size: FS
Master Electrical Component List
Electronic Ignition (EI) System Description
Control Module References
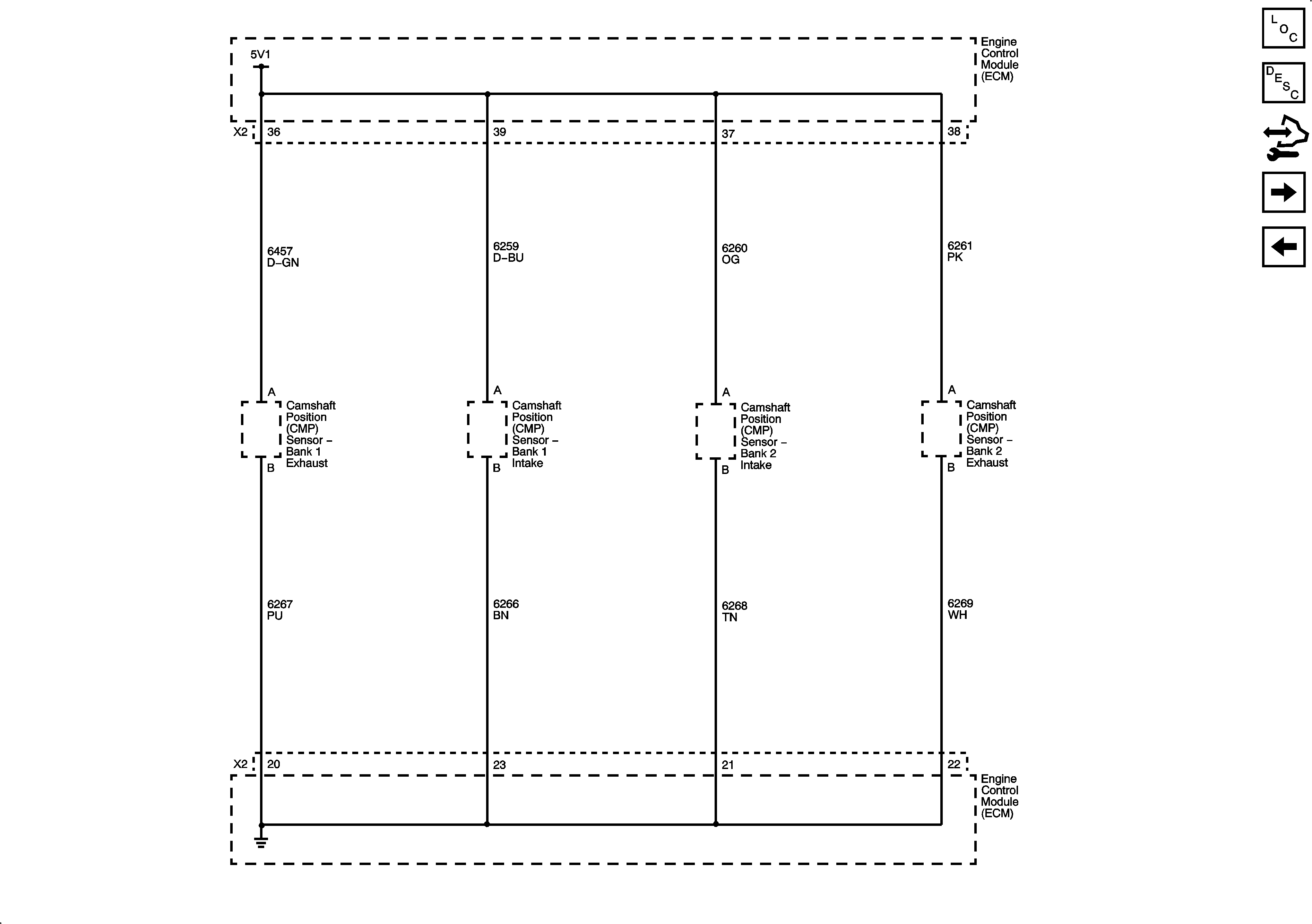
Ignition Controls - CMP Sensors and Solenoids
Ignition Controls - Ignition System Bank 1
Figure 10:

Ignition Controls - CMP Sensors and Solenoids


Object Number: 1905910  Size: FS
Master Electrical Component List
Electronic Ignition (EI) System Description
Control Module References
Crankshaft Position (CKP) Sensor and Knock Sensors
Ignition Controls - Ignition System Bank 2
Figure 11:

Crankshaft Position (CKP) Sensor and Knock Sensors


Object Number: 1905914  Size: FS
Master Electrical Component List
Electronic Ignition (EI) System Description
Control Module References
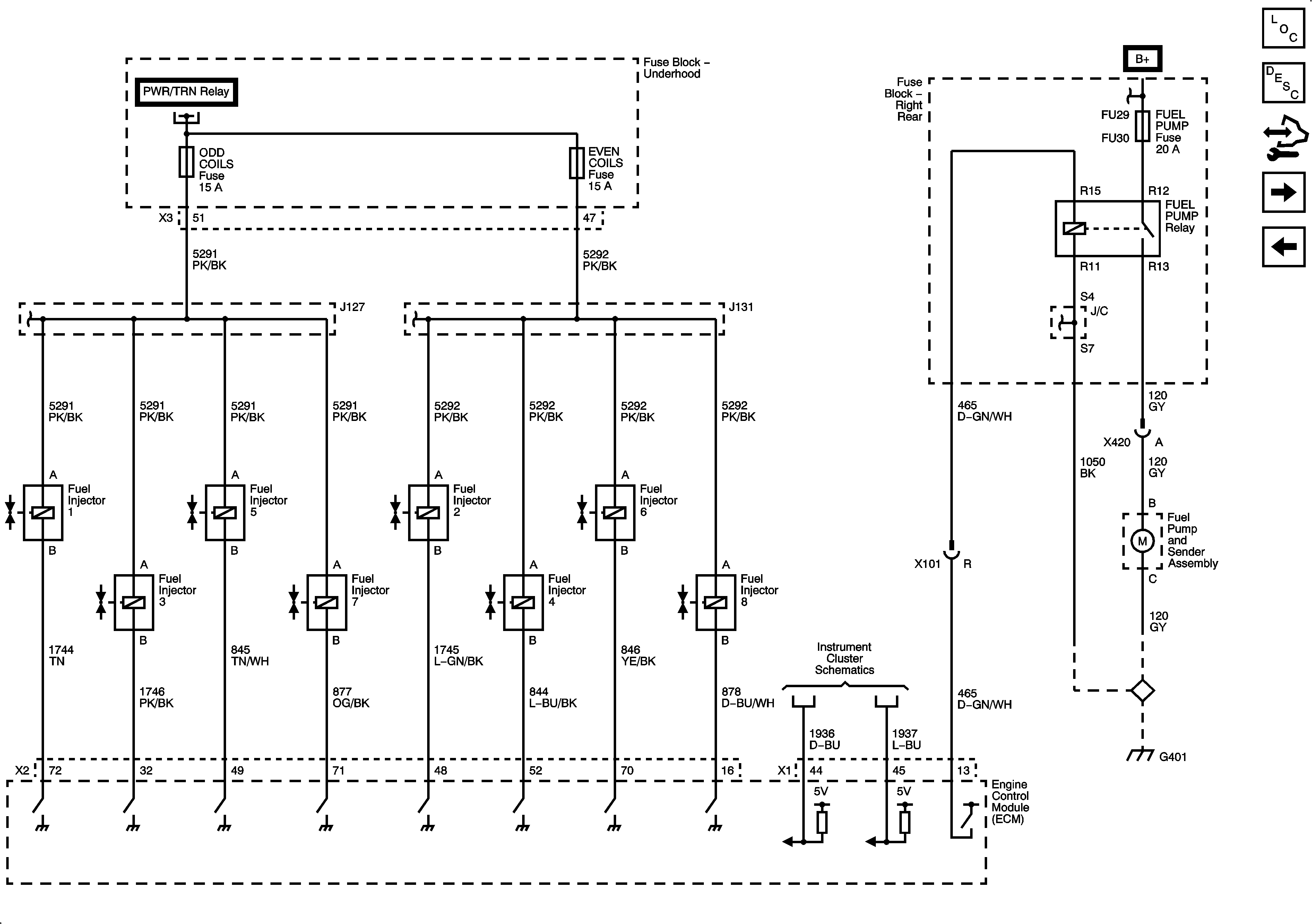
Fuel Controls - Injectors and Pump
Ignition Controls - CMP Sensors and Solenoids
Figure 12:

Fuel Controls - Injectors and Pump


Object Number: 1905917  Size: FS
Master Electrical Component List
Fuel System Description
Control Module References
Fuel Controls - EVAP, Fuel Tank Pressure (FTP) Sensor, Vacuum Bypass Valve
Crankshaft Position (CKP) Sensor and Knock Sensors
Figure 13:

Fuel Controls - EVAP, Fuel Tank Pressure (FTP) Sensor, Vacuum Bypass Valve


Object Number: 1905923  Size: FS
Master Electrical Component List
Fuel System Description
Control Module References
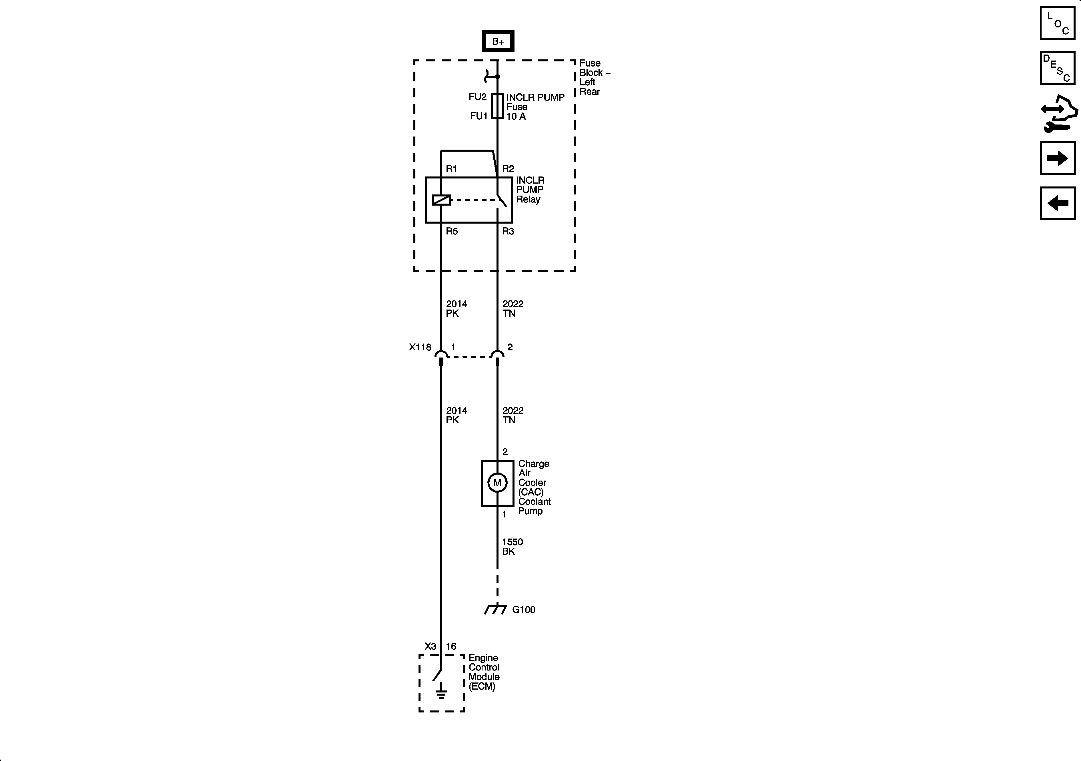
Charge Air Cooler (CAC) Coolant Pump
Fuel Controls - Injectors and Pump
Figure 14:

Charge Air Cooler (CAC) Coolant Pump


Object Number: 1905932  Size: FS
Master Electrical Component List
Boost Control System Description
Control Module References
Controlled/Monitored Subsystem References
Fuel Controls - EVAP, Fuel Tank Pressure (FTP) Sensor, Vacuum Bypass Valve
Figure 15:

Controlled/Monitored Subsystem References


Object Number: 1905929  Size: FS
Master Electrical Component List
Engine Control Module Description
Control Module References
Charge Air Cooler (CAC) Coolant Pump