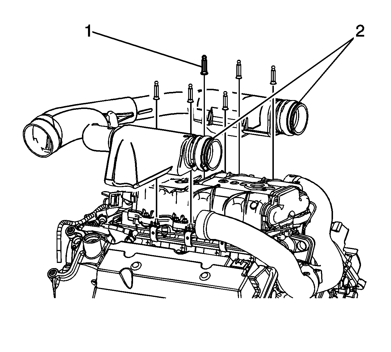
Important: The following procedure is for removal and installation of both the front and rear section of the supercharger inlet duct assembly.
Important: There is a positive crankcase ventilation (PCV) hose fitting on the underside of the supercharger inlet duct.
Notice: Refer to Fastener Notice in the Preface section.
Tighten
Tighten the supercharger inlet seal screw clamp to 2.5 N·m (20 lb in).
Tighten
Tighten the supercharger inlet seal screw clamps to 2.5 N·m (20 lb in).
Tighten
Tighten the supercharger inlet duct ball studs to 10 N·m (89 lb in).