GM Service Manual Online
For 1990-2009 cars only

Tools Required

J 38185 Hose Clamp Pliers

Removal Procedure

  1. Drain the charge air cooling system. Refer to Charge Air Cooling System Draining and Filling .
  2. Remove the air cleaner outlet duct. Refer to Air Cleaner Outlet Duct Replacement .

  3. Object Number: 1619764  Size: SH
  4. Using the J 38185 , disengage clamp tension and disconnect the supercharger inlet and outlet hoses at the supercharger.

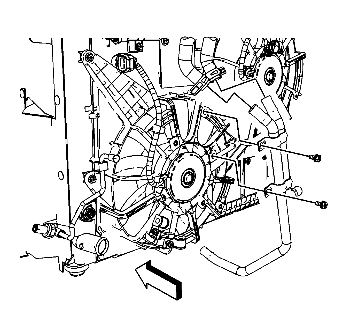
  5. Object Number: 1619772  Size: SH
  6. Remove the pipe assembly to fan shroud mounting bolts.
  7. Raise and support the vehicle. Refer to Lifting and Jacking the Vehicle .

  8. Object Number: 1619773  Size: SH
  9. Using the J 38185 , disengage clamp tension and disconnect the pump outlet hose from the pump.

  10. Object Number: 1619778  Size: SH
  11. Using the J 38185 , disengage clamp tension and disconnect the radiator inlet hose from the pipe assembly.

  12. Object Number: 1619770  Size: SH
  13. Remove the pipe assembly mounting bolt at the condenser bracket.
  14. Remove the pipe assembly.

Installation Procedure

  1. Install the pipe assembly.
  2. Notice: Refer to Fastener Notice in the Preface section.


    Object Number: 1619770  Size: SH
  3. Install the pipe assembly mounting bolt to the condenser bracket.
  4. Tighten
    Tighten the bolt to 5.4 N·m (80 lb in).


    Object Number: 1619778  Size: SH
  5. Using the J 38185 , disengage clamp tension and connect the radiator inlet hose onto the pipe assembly.

  6. Object Number: 1619773  Size: SH
  7. Using the J 38185 , disengage clamp tension and connect the pump outlet hose onto the pump.
  8. Lower the vehicle.

  9. Object Number: 1619772  Size: SH
  10. Install the pipe assembly to the fan shroud mounting bolts.
  11. Tighten
    Tighten the bolts to 5.4 N·m (80 lb in).


    Object Number: 1619764  Size: SH
  12. Using the J 38185 , disengage clamp tension and connect the supercharger inlet and outlet hoses onto the supercharger.
  13. Install the air cleaner outlet duct. Refer to Air Cleaner Outlet Duct Replacement .
  14. Fill the charge air cooling system. Refer to Charge Air Cooling System Draining and Filling .