GM Service Manual Online
For 1990-2009 cars only

    Object Number: 1686857  Size: SH
  1. Place the air conditioner bracket in position to the engine.

  2. Object Number: 1686856  Size: SH
  3. Loosely install the front air conditioner bracket bolts.

  4. Object Number: 1686855  Size: SH
  5. Loosely install the side air conditioner bracket bolts.
  6. Notice: Refer to Fastener Notice in the Preface section.


    Object Number: 1686859  Size: SH
  7. Tighten the air conditioner bracket bolts in proper sequence.
  8. Tighten

    1. Tighten the air conditioner bracket front upper bolt (1) to 50 N·m (37 lb ft).
    2. Tighten the air conditioner bracket front lower bolt (2) to 50 N·m (37 lb ft).
    3. Tighten the air conditioner bracket side upper bolt (3) to 50 N·m (37 lb ft).
    4. Tighten the air conditioner bracket side lower bolt (4) to 50 N·m (37 lb ft).

    Object Number: 1686854  Size: SH
  9. Place the air conditioner compressor in position to the air conditioner bracket.

  10. Object Number: 1686860  Size: SH
  11. Loosely install the air conditioner compressor bolts. Ensure the shorter bolt (2) is installed in the front lower position.

  12. Object Number: 1686862  Size: SH
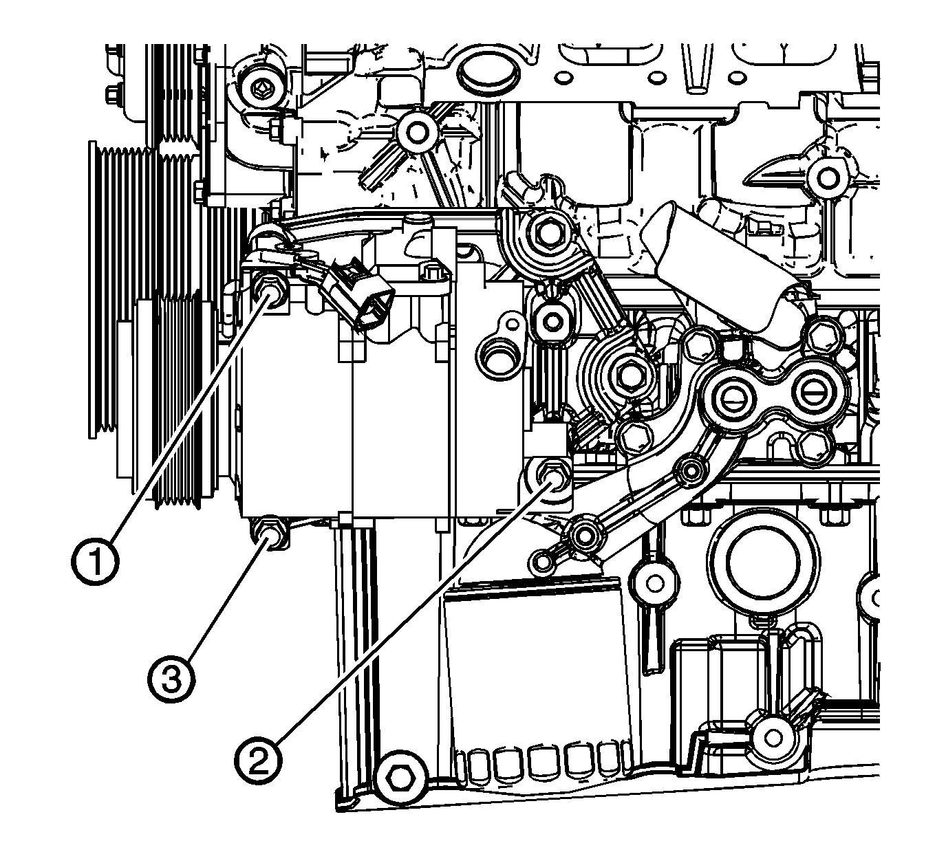
  13. Tighten the air conditioner compressor bolts in proper sequence.
  14. Tighten

    1. Tighten the air conditioner upper front bolt (1) to 25 N·m (18 lb ft).
    2. Tighten the air conditioner compressor lower rear bolt (2) to 25 N·m (18 lb ft).
    3. Tighten the air conditioner compressor lower front bolt (3) to 25 N·m (18 lb ft).