GM Service Manual Online
For 1990-2009 cars only
Makes
🢒
Cadillac
🢒
2008
🢒
STS
🢒
Diagnostic Navigation
🢒
Vehicle Diagnostic Information
🢒 Automatic Transmission Controls Schematics
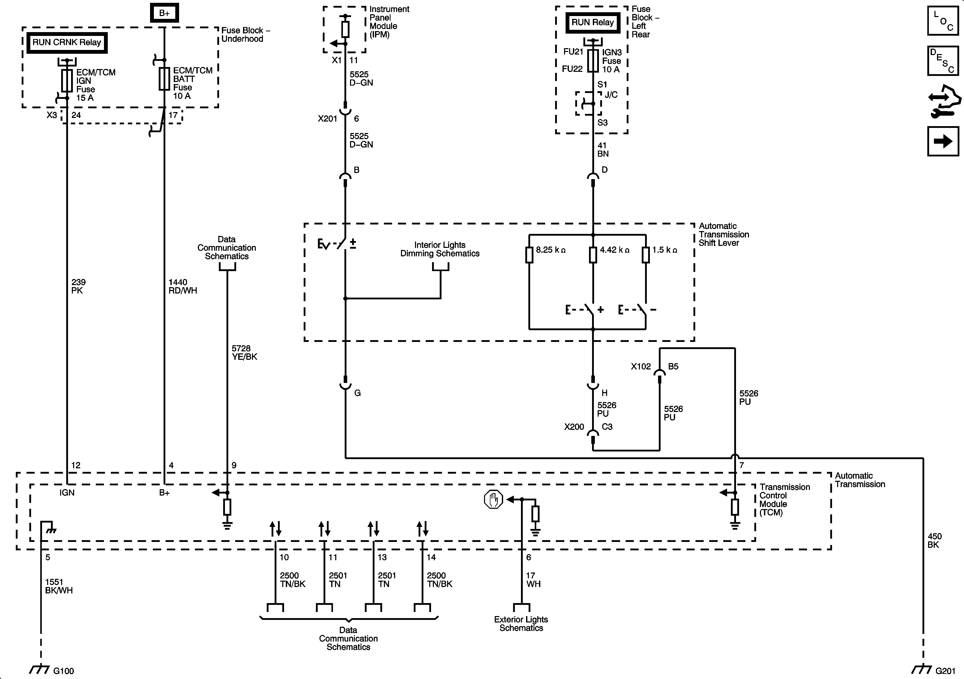
Figure
1:
TCM Power, Grounds, ECM, IPM
Master Electrical Component List
Transmission Component and System Description
Control Module References
ECM, EBCM
Figure
2:
ECM, EBCM
Master Electrical Component List
Transmission Component and System Description
Control Module References
Automatic Transmission Shift Lever Assembly, IPM
TCM Power, Grounds, ECM, IPM
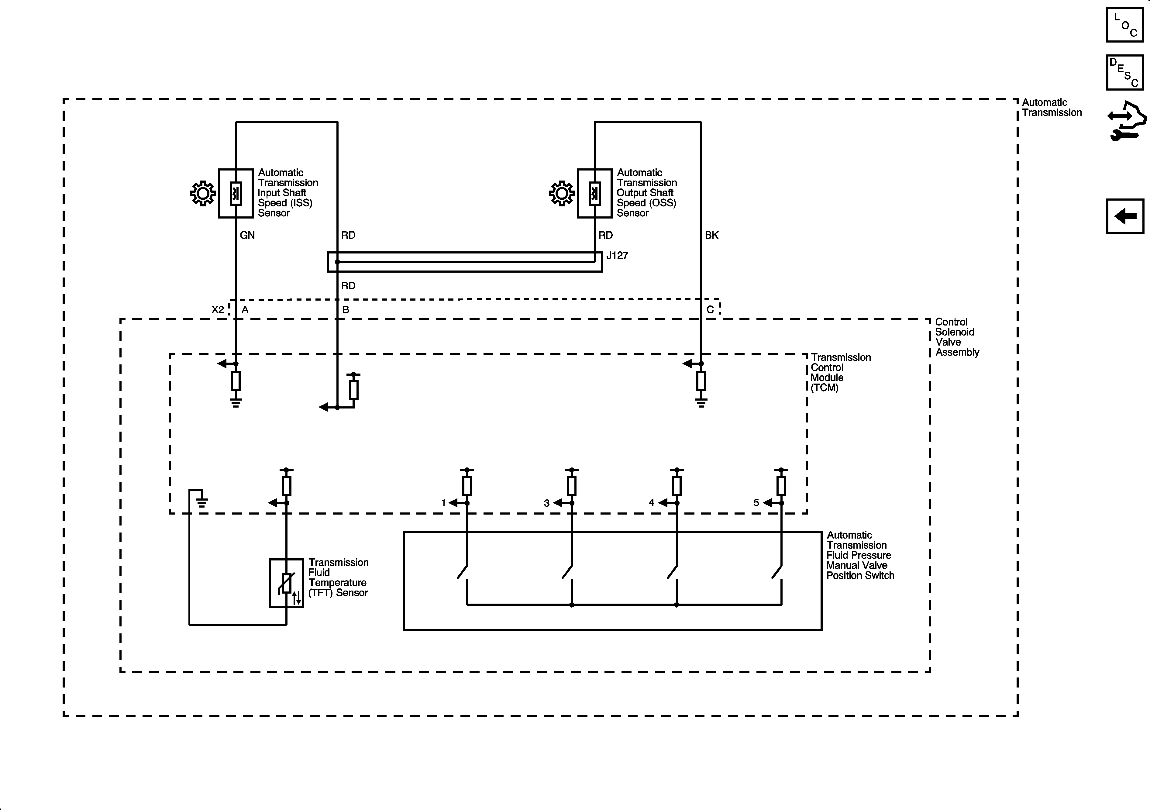
Figure
3:
Automatic Transmission Shift Lever Assembly, IPM
Master Electrical Component List
Transmission Component and System Description
Control Module References
ECM, EBCM