GM Service Manual Online
For 1990-2009 cars only
Makes
🢒
Cadillac
🢒
2008
🢒
STS
🢒
Diagnostic Navigation
🢒
Vehicle Diagnostic Information
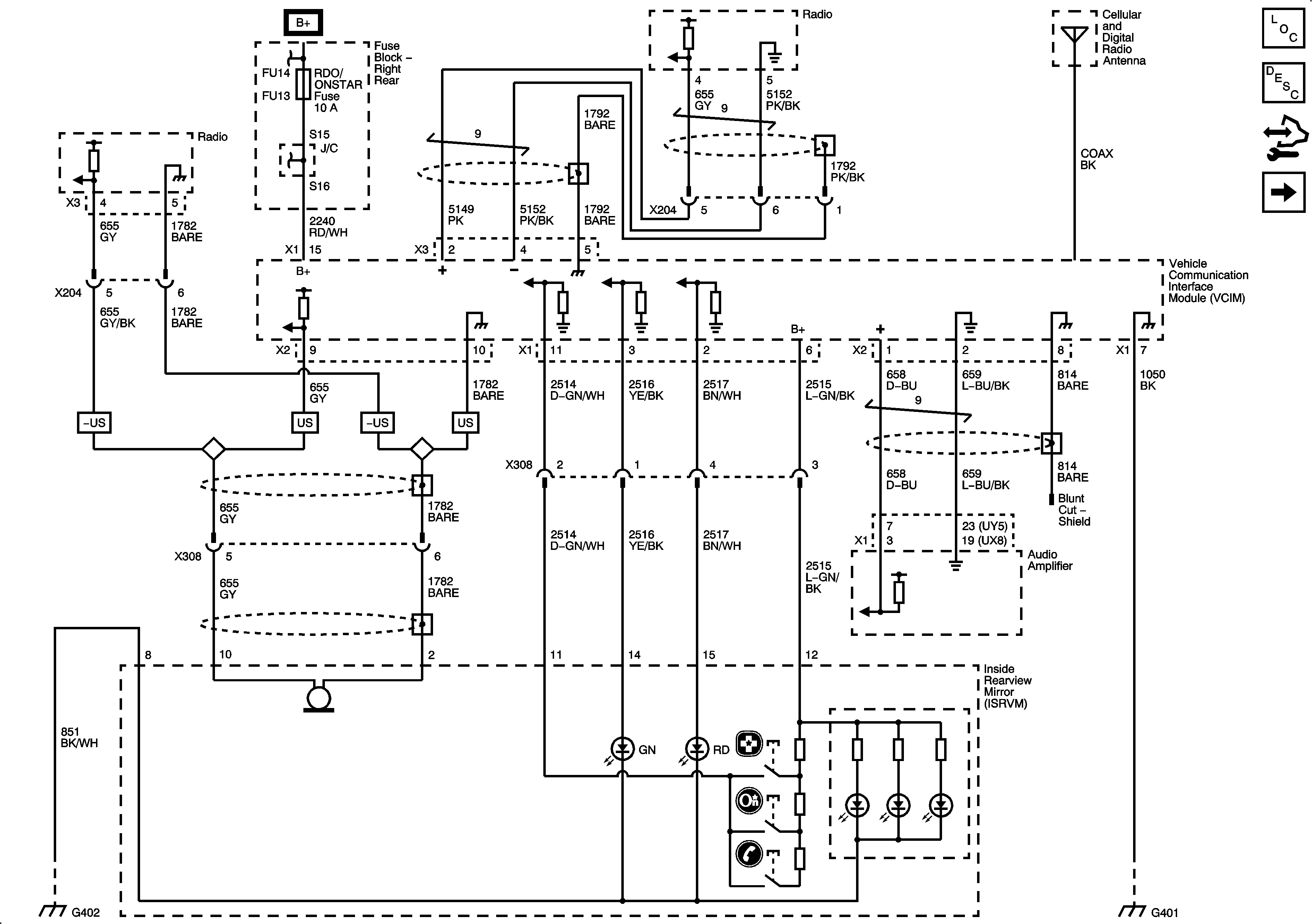
🢒 OnStar Schematics
Figure
1:
UE1
Master Electrical Component List
OnStar Description and Operation
Control Module References
VCIM, DLC
Figure
2:
VCIM, DLC
Master Electrical Component List
OnStar Description and Operation
Control Module References
UE1