GM Service Manual Online
For 1990-2009 cars only
Figure 1:

Radio Power, Ground, DLC and Audio Communications


Object Number: 1903047  Size: FS
Master Electrical Component List
Radio/Audio System Description and Operation
Control Module References
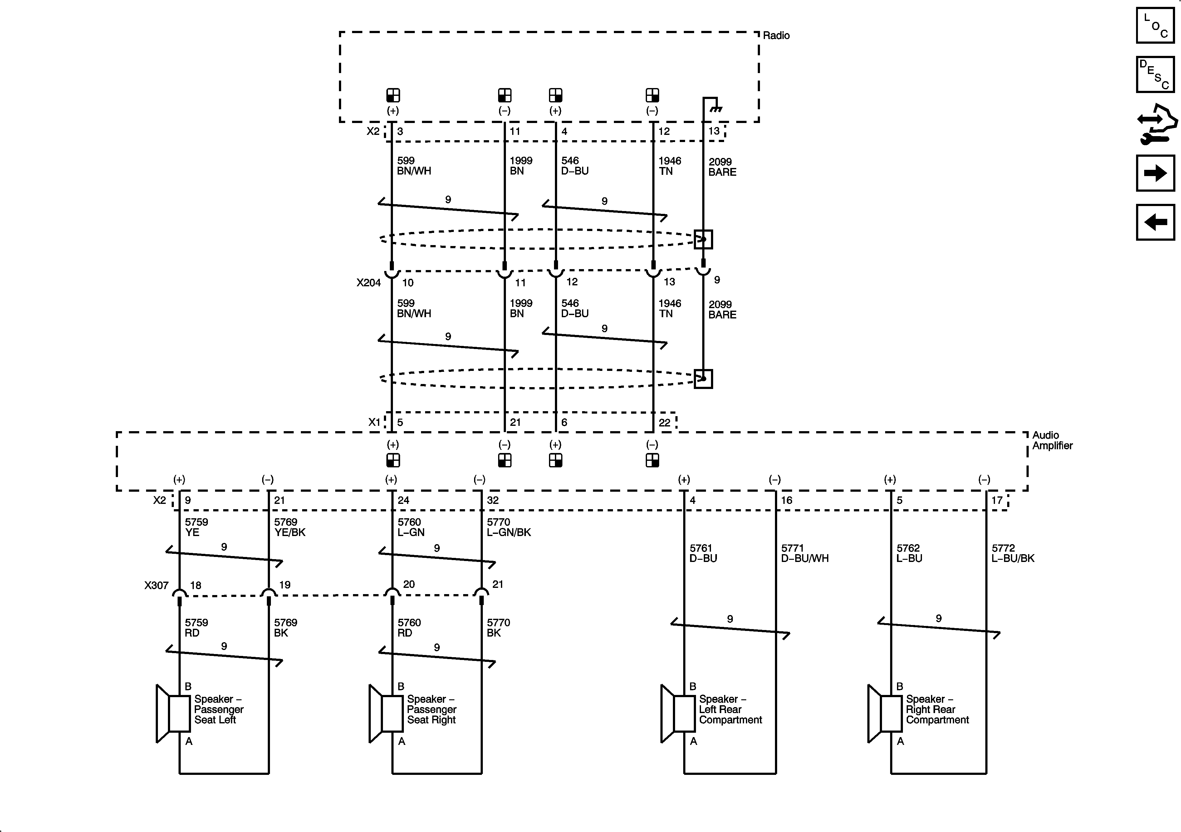
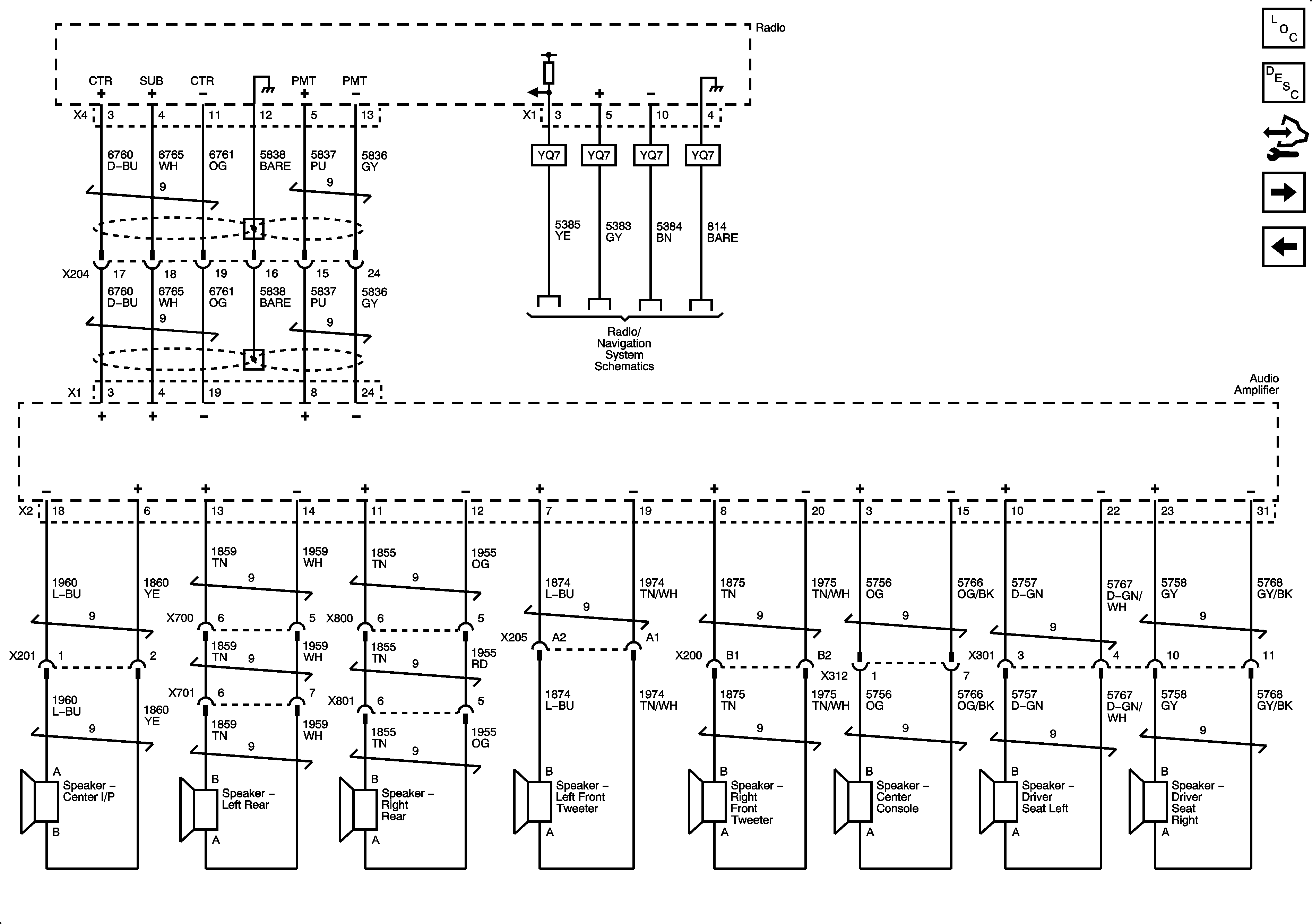
Speakers (UX8)
Figure 2:

Speakers (UX8)


Object Number: 1903051  Size: FS
Master Electrical Component List
Radio/Audio System Description and Operation
Control Module References
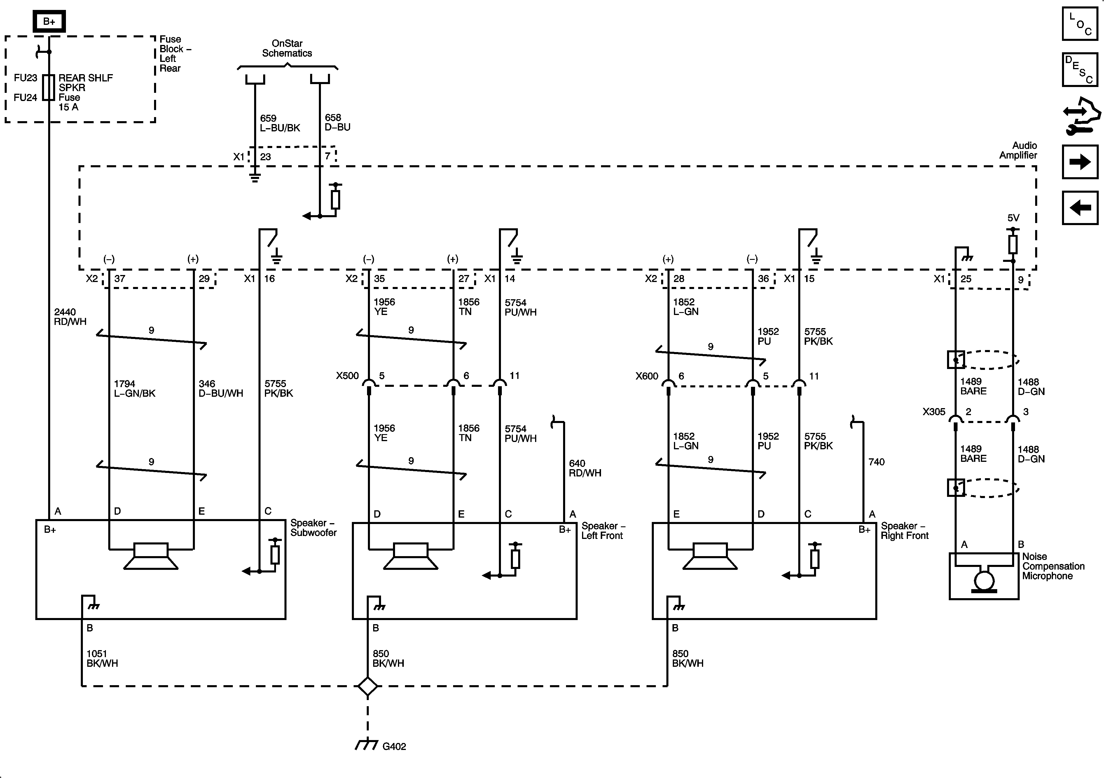
Speakers (UY5) 1 of 3
Radio Power, Ground, DLC and Audio Cmmunications
Figure 3:

Speakers (UY5) 1 of 3


Object Number: 1903054  Size: FS
Master Electrical Component List
Radio/Audio System Description and Operation
Control Module References
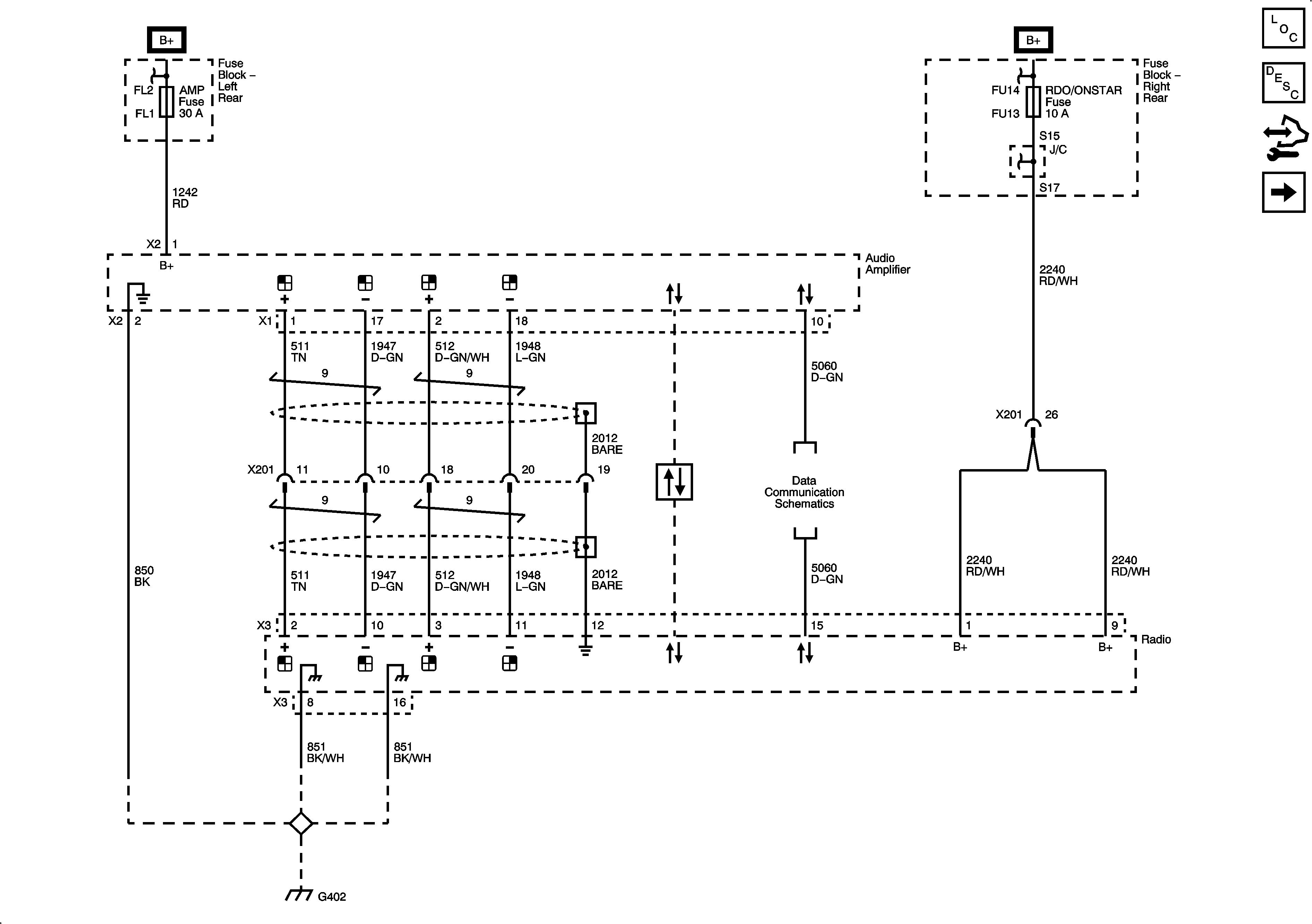
Speakers (UY5) 2 of 3
Speakers (UX8)
Figure 4:

Speakers (UY5) 2 of 3


Object Number: 1903056  Size: FS
Master Electrical Component List
Radio/Audio System Description and Operation
Control Module References
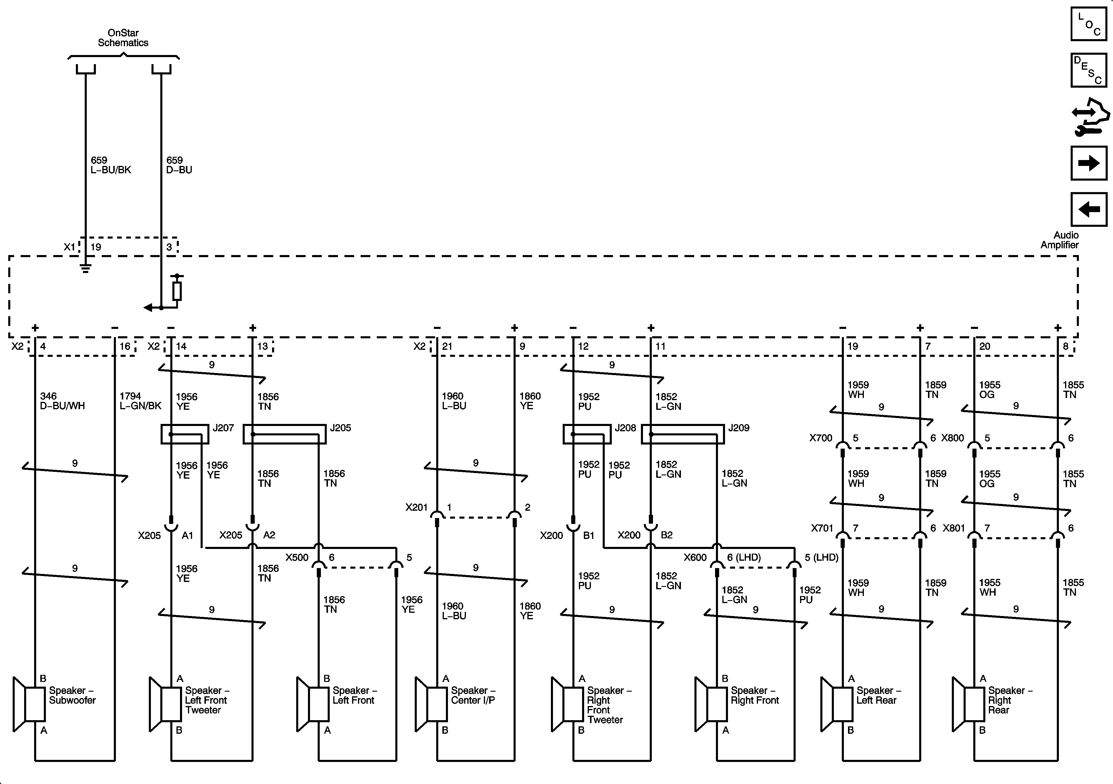
Speakers (UY5) 3 of 3
Speakers (UY5) 1 of 3
Figure 5:

Speakers (UY5) 3 of 3


Object Number: 1903059  Size: FS
Master Electrical Component List
Radio/Audio System Description and Operation
Control Module References
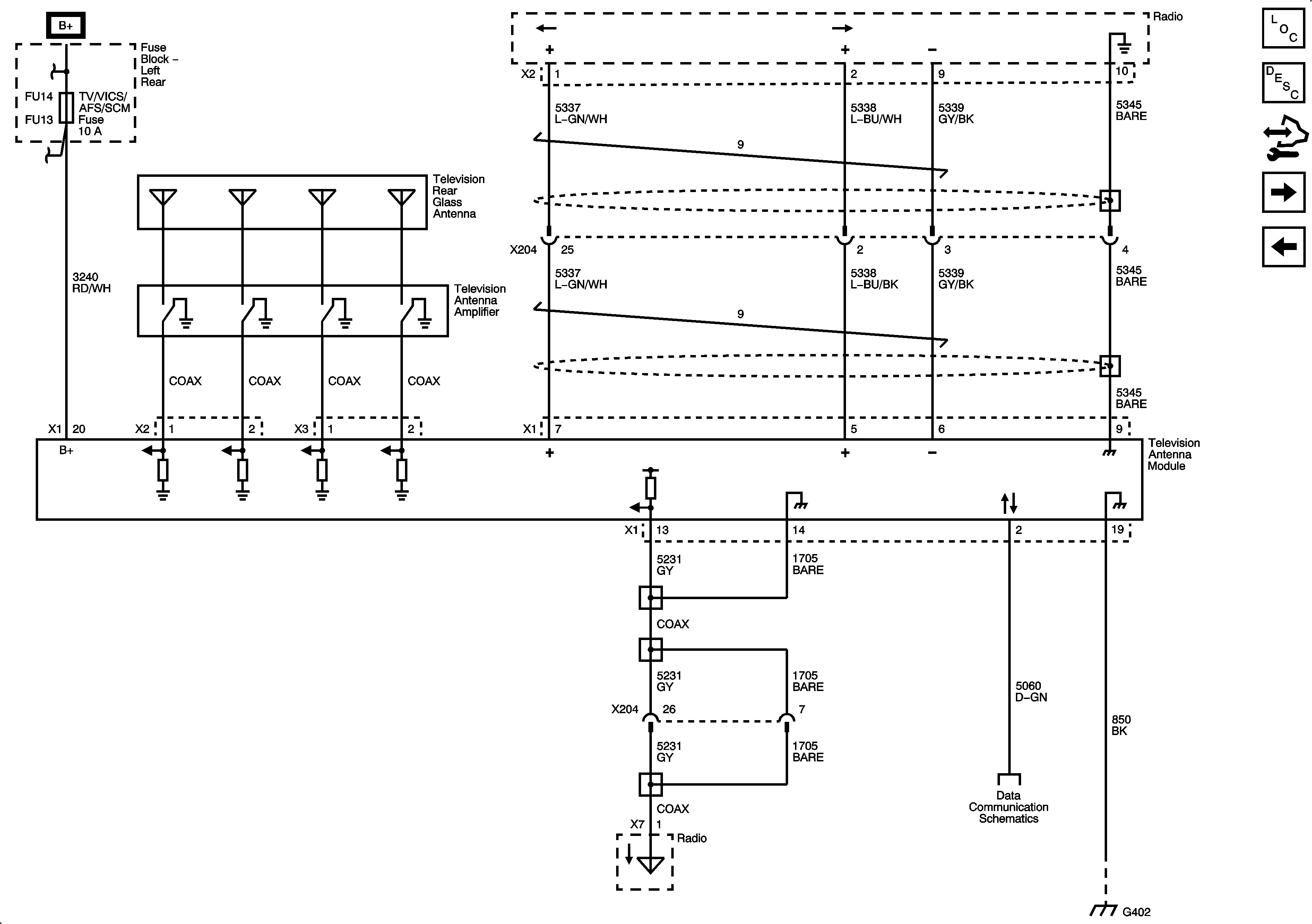
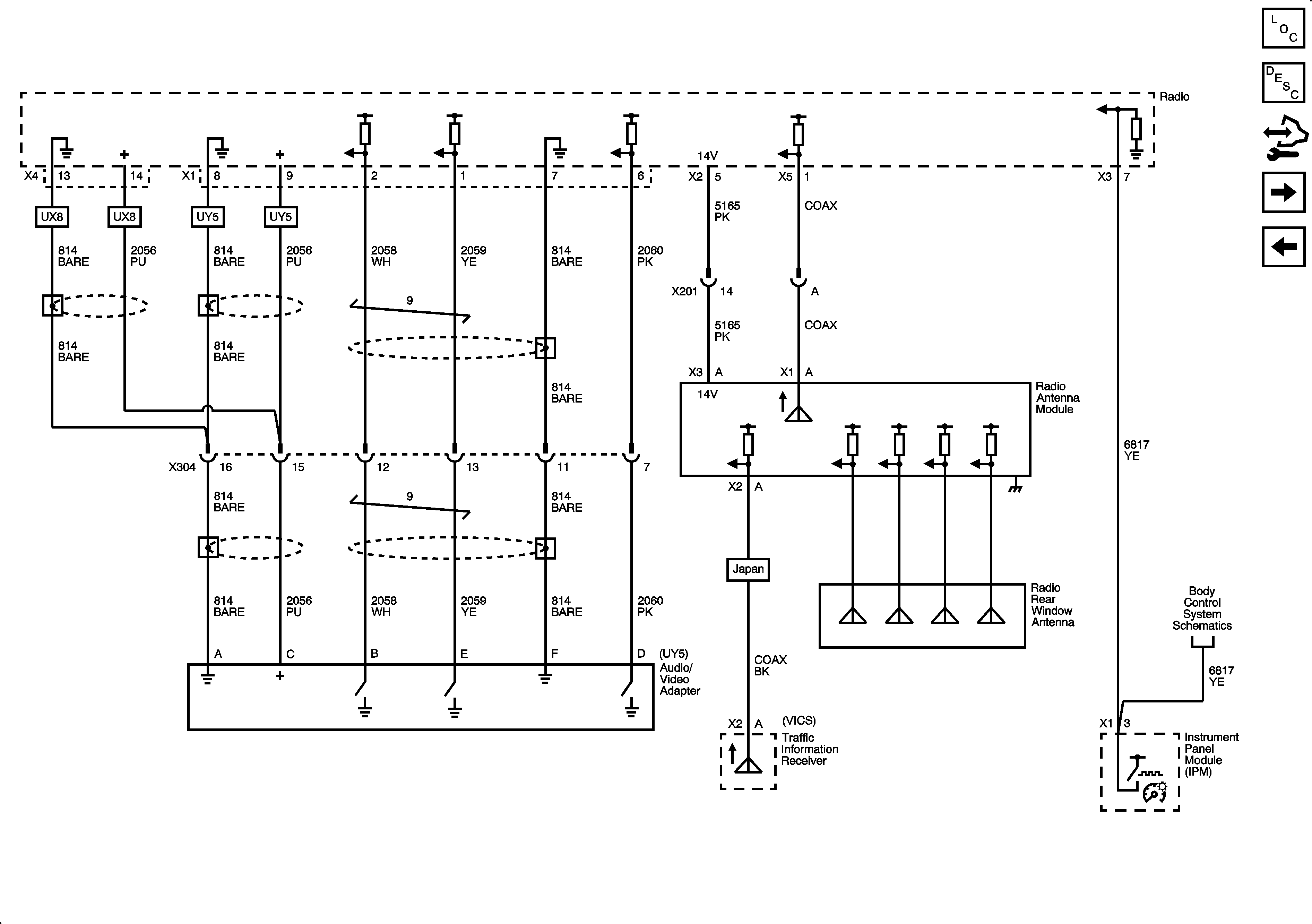
Radio Antennas, Audio/Video Adapter
Speakers (UY5) 2 of 3
Figure 6:

Radio Antennas, Audio/Video Adapter


Object Number: 1903064  Size: FS
Master Electrical Component List
Radio/Audio System Description and Operation
Control Module References
Digital Radio Receiver (U2K)
Speakers (UY5) 3 of 3
Figure 7:

Digital Radio Receiver (U2K)


Object Number: 1903066  Size: FS
Master Electrical Component List
Radio/Audio System Description and Operation
Control Module References
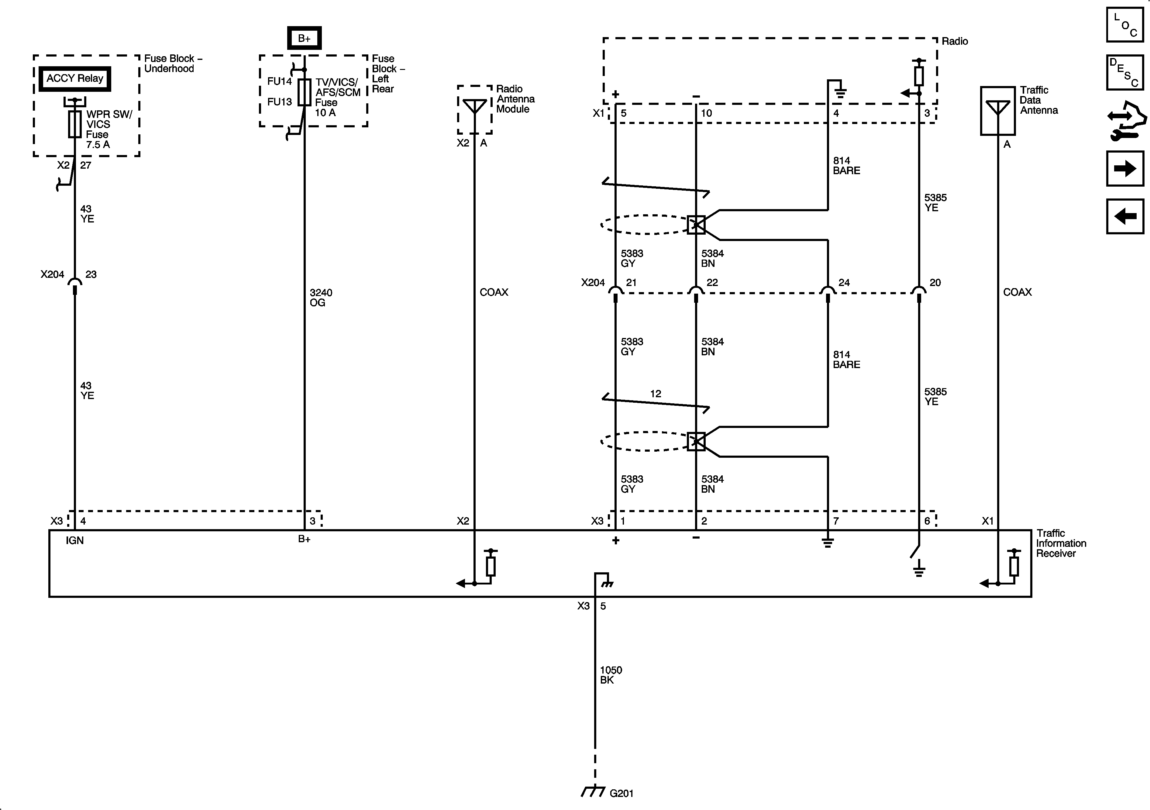
Traffic Information Receiver Module (VICS) - Japan Only
Radio Antennas, Audio/Video Adapter
Figure 8:

Traffic Information Receiver Module (VICS)  - Japan Only


Object Number: 1903068  Size: FS
Master Electrical Component List
Radio/Audio System Description and Operation
Control Module References
TV Tuner (YQ6 or YQ7)
Digital Radio Receiver (U2K)
Figure 9:

TV Tuner (YQ6 or YQ7)


Object Number: 1903070  Size: FS
Master Electrical Component List
Radio/Audio System Description and Operation
Control Module References
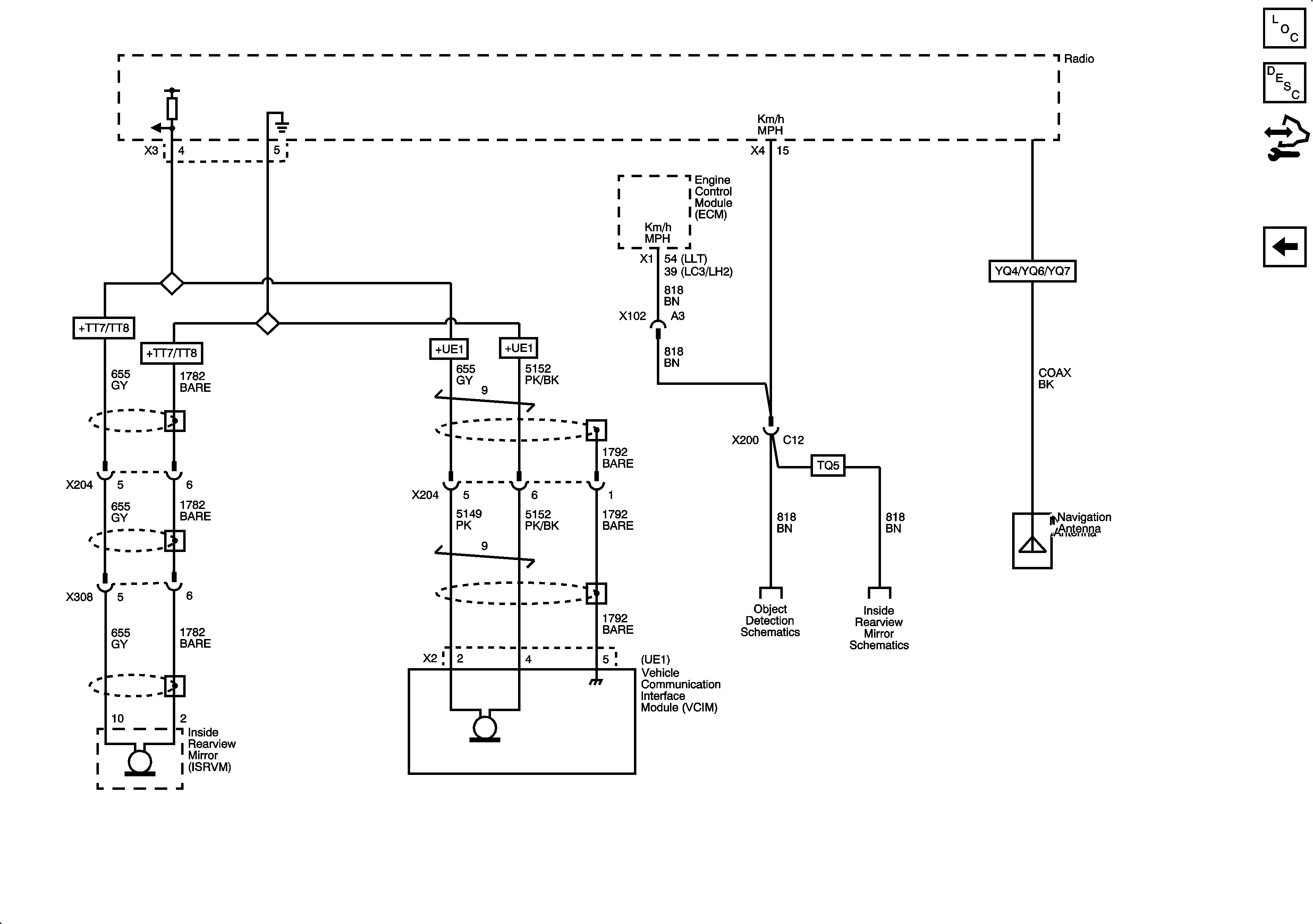
Microphone, VSS and GPS Antenna
Traffic Information Receiver Module (VICS) - Japan Only
Figure 10:

Microphone, VSS and GPS Antenna


Object Number: 1903072  Size: FS
Master Electrical Component List
Navigation System Description and Operation
Control Module References
TV Tuner (YQ6 or YQ7)